oldradio.pl katalog starej radiotechniki
 
 
Karta katalogowa nr 264
liczba wyświetleń: 18596
Producent: Diora
Model: Pionier U
Rodzaj sprzętu: Radioodbiornik
Klasyfikacja: stacjonarny
Zakresy: D,S,K
Kraj: Polska
Rok produkcji: 1955-56
Zasilanie: sieć, uniwersalny
Elementy aktywne: lampy
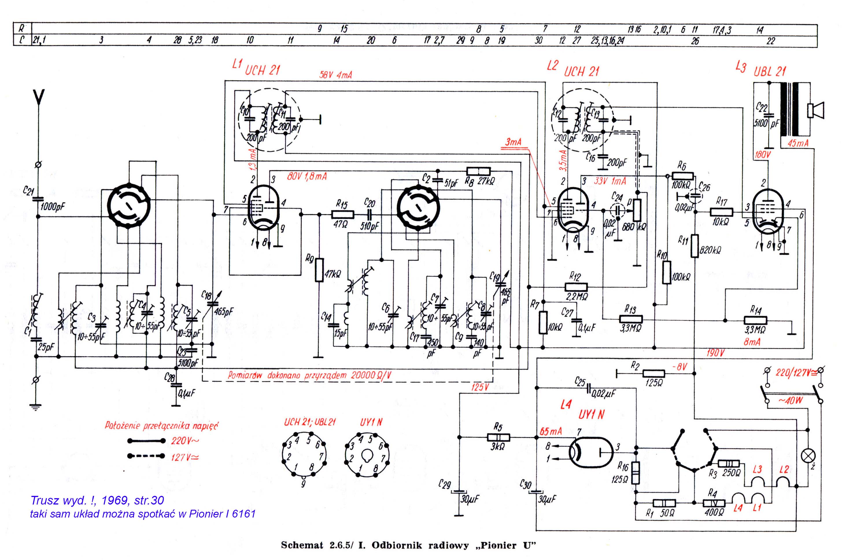
2xUCH21,UBL21,UY1N
Opis:

Pionier U był kolejną wersją po Pionierze U3 i trudno znaleźć znaczące różnice między nimi.  Występował zarówno w obudowach bakelitowych jak i drewnianych. Produkcję rozpoczęto na pocz. 1955 roku. Obowiązywał wtedy zawężony zakres fal krótkich do 31 m a na skali w miejscu Katowic był Stalinogród. Pod koniec 1956 r. powróciły Katowice i pasma od 16m. W 2. połowie 1956 r. skala była opisana w kHz, a nie w metrach.

Napis na tylnej ściance - bez dokładnego obejrzenia odbiornika - nie gwarantował dobrej identyfikacji. Ścianki z biegiem lat były zamieniane między egzemplarzami Pionierów;  dawniej przez serwisantów, później przez kolekcjonerów a ostatnio przez osoby kompletujące odbiorniki do sprzedaży na serwisach aukcyjnych.

Pionier U był ostatnim w serii Pionierów z kwadratową skalą. Nazwa i układ elektryczny kontynuowane były w odbiornikach uniwersalnych z poziomą skalą: Pionierze I 6181 i Pionierze I 6161. Wiele lat później Diora użyła jeszcze dwa razy nazwy Pionier: w roku 1974 w odbiorniku stereofonicznym Pionier-stereo DSP-102 oraz w połowie lat 80. w radio-budzikach Pionier Re101 i Pionier Re105.

Inne materiały:

(1) 2020-11-06, Marek Habrat, Pionier U

(2) 2002-10-10, Wojciech Pysz, Pionier U

(3) 2001-07-11, Wojciech Pysz, Pionier U

(4) 2002-10-10, Wojciech Pysz, Pionier U

(5) 2023-09-19, Wojciech Pysz, Widok chassis od góry

(6) 2023-09-19, Wojciech Pysz, Widok chassis od spodu

(7) autor nieznany, skala kHz

(8) 2009-10, autor nieznany, Pionier U

(9) 2009-10, autor nieznany, Pionier U