oldradio.pl katalog starej radiotechniki
 
 
Karta katalogowa nr 1143
liczba wyświetleń: 849
Producent: Diora
Model: Pionier I 6181
Rodzaj sprzętu: Radioodbiornik
Klasyfikacja: stacjonarny
Zakresy: D,S,K
Kraj: Polska
Rok produkcji: 1956
Zasilanie: sieć, uniwersalny
Wymiary: 375x310x205
Elementy aktywne: lampy
2xUCH21,UBL21,UY1N
Opis:

Po ośmiu latach produkcji Pioniera z kwadratową skalą, w 1956 roku pojawił się Pionier I ze skalą poziomą. Umieszczono ją w dolnej części ścianki czołowej. Wskutek tej zmiany potencjometr został przesunięty na lewą stronę obok skali. Pozostało to samo chassis 34 x 12 cm, zmodernizowane do nowej konstrukcji. Do przedniej płaszczyzny został zgrzany kawałek blachy w kształcie trapezu z otworem na potencjometr. Do tego trapezu umocowane jest też kółeczko dla linki napędu skali. Skala o wymiarach 231x72 mm zamocowana jest do prostokątnej podstawy blaszanej, ułożonej wzdłuż przedniej płaszczyzny chassis. Linka prowadząca wskazówkę rozciągnięta jest pod skalą, wskazówka stoi na lince. Oprawa żarówki oświetlenia skali umocowana jest do języczka zgrzanego u góry z podstawą skali. Pokrętło strojenia i przełącznika zakresów pozostały na swoim miejscu.

Zmienił się kształt pokręteł. Są one teraz okrągłe z mosiężnymi kółkami pośrodku, takie, jak w późniejszym Promyku. Zachowany został z poprzednich Pionierów prostokątny kształt końcówek osi potencjometru i przełącznika zakresów.

Całą szerokość ścianki czołowej nad skalą zajmuje sklejka pokryta tkaniną ochronną, do której przykręcony jest głośnik. Obudowa – w tym modelu wyłącznie drewniana – jest teraz trochę wyższa od starszych Pionierów, przy tej samej szerokości. Okrągły głośnik W.D. 16,5/2 osłonięty jest płótnem przywiązanym sznurkiem do magnesu - jak w pierwszych Pionierach. Do głośnika umocowany jest  transformator głośnikowy. W wyższej obecnie obudowie głośnik został przesunięty w górę, co pozwoliło na wyeliminowanie wycięcia na głośnik w chassis. Tuż pod głośnikiem znalazł się jeden z kondensatorów elektrolitycznych.

Odbiornik zachował zakres fal krótkich 31 – 49 m. Na skali w miejscu Katowic jest nazwa Stalinogród. Tylna ścianka prawie nie różni się od produkowanych dotychczas Pionierów, nadal ma znak firmowy T6.

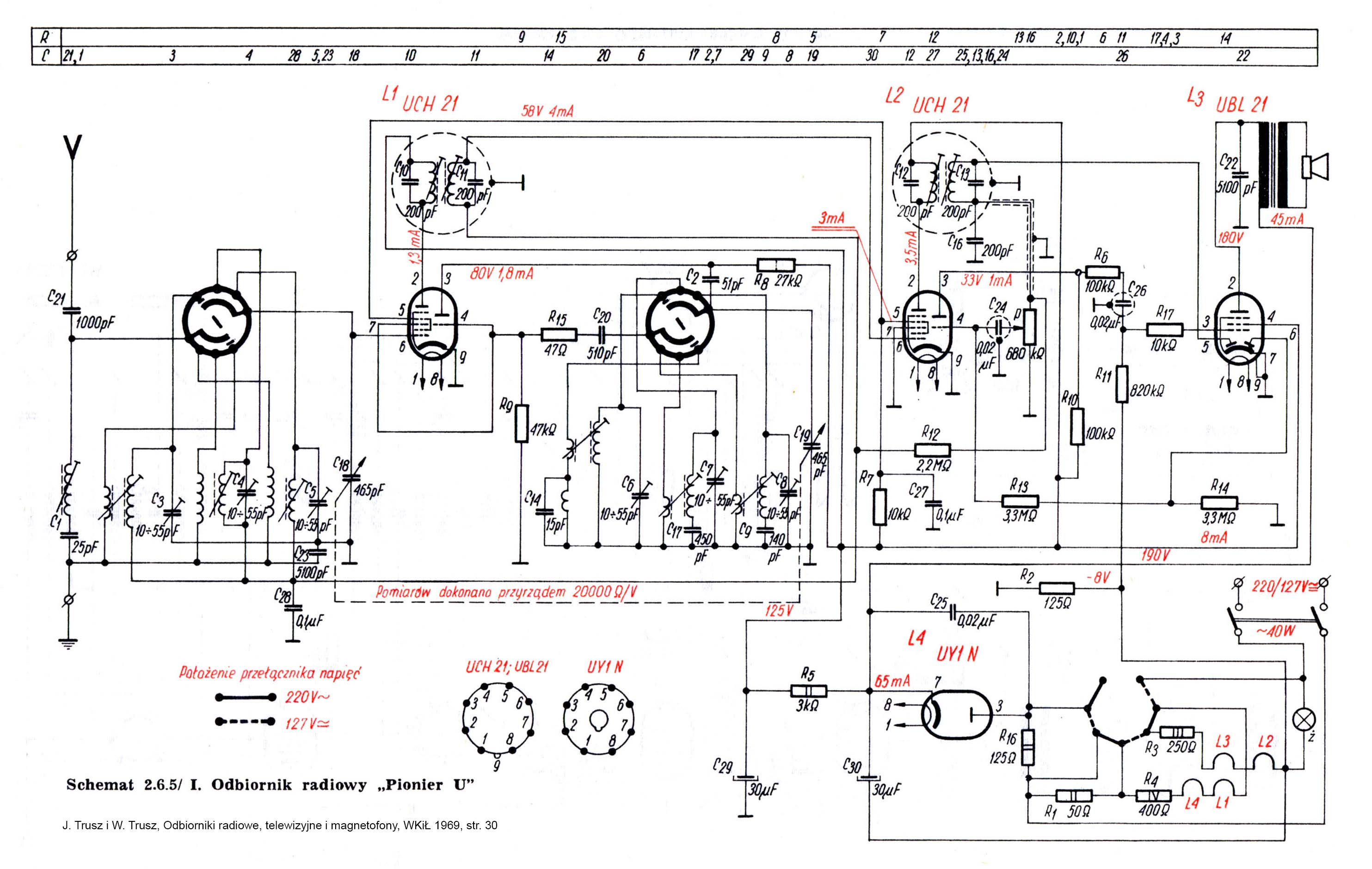
Występowały dwie odmiany Pioniera I – 6161 i 6181. Łącznie wyprodukowano ich ponad 396 tys. sztuk. Opisywana tutaj odmiana była wcześniejsza, choć miała wyższy numer. Układ elektryczny jest najbardziej zbliżony do schematu Pionierów z 2. Poł. lat 50. (np. Trusz, wyd. I, str. 30). Jedyna zauważona różnica, to brak opornika R6, szeregowo z kondensatorem sprzęgającym miedzy triodą a pentodą m.cz. (sprawdzane dla nr fabr. 237427).

Symbol 6181 miał otrzymać także odbiornik Nokturn 6181, zapowiadany na rok 1958, nie zostało jednak potwierdzone jego istnienie.

Inne materiały:

(1) 2022-11-02, Wojciech Pysz, Pionier I 6181

(2) 2022-11-02, Wojciech Pysz, Pionier I 6181

(3) 2022-11-02, Wojciech Pysz, Pionier I 6181

(4) 2022-10-29, Wojciech Pysz, Pionier I 6181

(5) 2022-10-29, Wojciech Pysz, Pionier I 6181

(6) 2022-10-29, Wojciech Pysz, Pionier I 6181

(7) 2022-11-02, Wojciech Pysz, Pionier I 6181