oldradio.pl katalog starej radiotechniki
 
 
Karta katalogowa nr 38
liczba wyświetleń: 21243
Producent: Diora
Model: Promyk 6171 (o)
Rodzaj sprzętu: Radioodbiornik
Klasyfikacja: stacjonarny
Zakresy: D,S,K
Kraj: Polska
Rok produkcji: 1957-65
Zasilanie: sieć, uniwersalny
Wymiary: 350x270x185, ok. 5.3 kg
Elementy aktywne: lampy
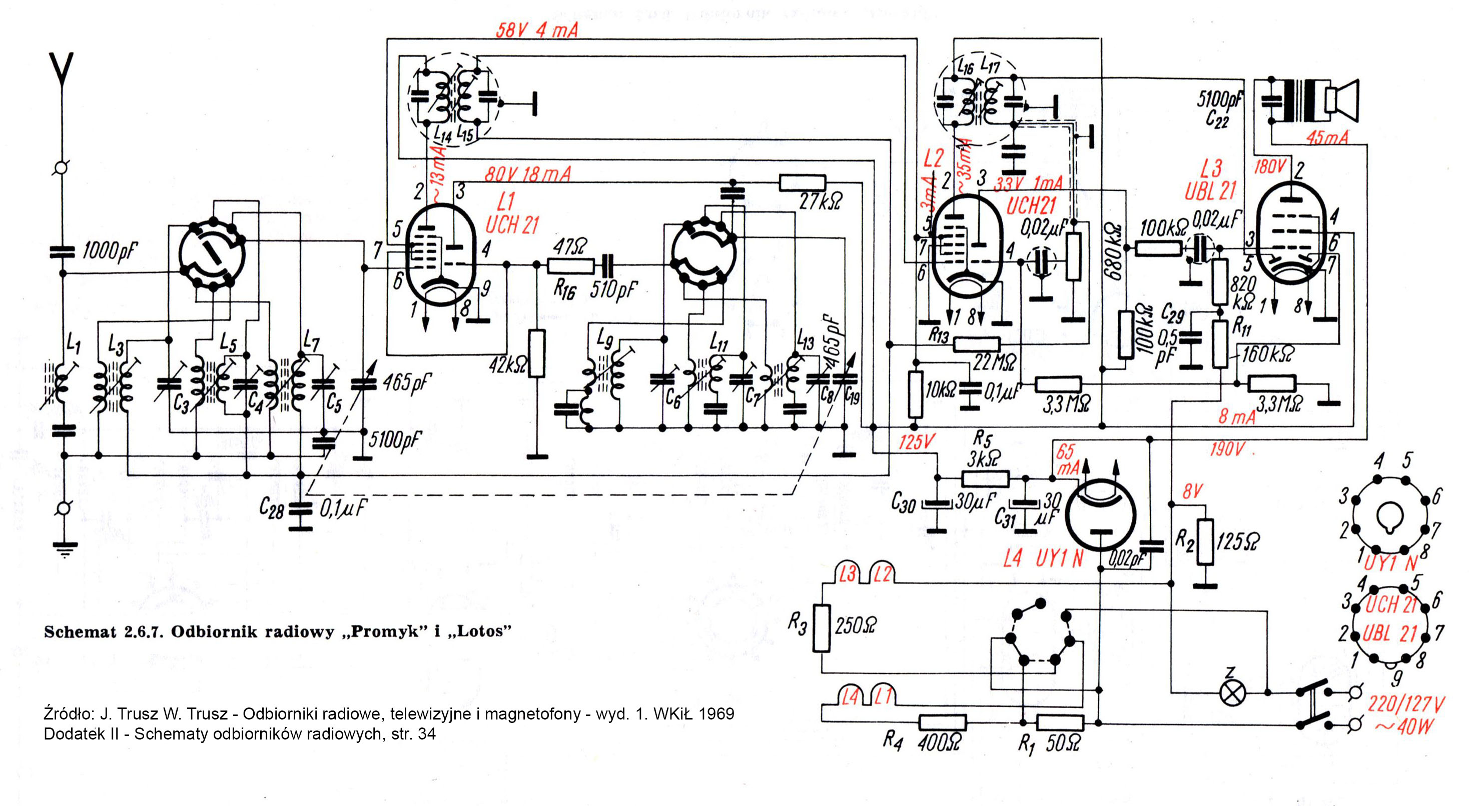
2xUCH21,UBL21,UY1N
Opis:

Popularny odbiornik uniwersalny w skrzynce bakelitowej. Układ elektryczny jest kontynuacją układu "Pioniera". Zmieniono kształt obudowy, m.in. skalę zegarową zastąpiono skalą poziomą, pojawiły się nowe gałki. W pierwszym okresie stosowany był nadal okrągły głośnik, później zmieniony na eliptyczny. Opis i schemat w RA-6/58. Cena w 1958 r. 810 zł.

Promyk był najdłużej produkowanym w Polsce (być może i na świecie) odbiornikiem uniwersalnym na lampach serii "U".

W RA-2/61 wspomniano, że jest produkowany w estetycznej obudowie z kolorowego bakelitu lub drzewa. 

Opis i schemat w RA-6/58. Cena w 1958 r. - 810 zł, w 1961 r - 650zł.

Litera [o] przy nazwie oznacza wersję z okrągłym głośnikiem.

Inne materiały:

(1) 2012-07-12, Adam Piętera, Wersja z okrągłym głośnikiem

(2) 2012-07-12, Adam Piętera, Wersja z okrągłym głośnikiem

(3) 2012-07-11, Adam Piętera, Wersja z okrągłym głośnikiem

(4) 2012-07-12, Adam Piętera, Wersja z okrągłym głośnikiem

(5) 2012-07-12, Adam Piętera, Wersja z okrągłym głośnikiem