oldradio.pl katalog starej radiotechniki
 
 
Karta katalogowa nr 49
liczba wyświetleń: 18764
Producent: Diora
Model: Pionier I 6161
Rodzaj sprzętu: Radioodbiornik
Klasyfikacja: stacjonarny
Zakresy: D,S,K
Kraj: Polska
Rok produkcji: 1957-59
Zasilanie: sieć, uniwersalny
Wymiary: 375x310x205
Elementy aktywne: lampy
2xUCH21,UBL21,UY1N
Opis:

Odbiornik Pionier I występował w dwóch odmianach: opisywana tu 6161 i Pionier I 6181, który pomimo pomimo wyższego numeru powstał wcześniej. Na jego karcie można znaleźć szczegółowe informacje o wprowadzonych zmianach.

We wczesnych egzemplarzach Pioniera I 6161 zauważalną różnicą były końcówki osi potencjometru i przełącznika zakresów w kształcie ściętego walca (jak w Promyku i nowszych odbiornikach) zamiast prostokątnych, jak w dotychczasowych Pionierach. W późniejszych egzemplarzach różnice w stosunku do Pioniera I 6181 to:

  • niższa skala, ok. 230x65 mm (otwór w obudowie miał tę samą wysokość 56 mm w starszych i nowszych wersjach);
  • linka napędu skali przebiega wzdłuż górnej krawędzi skali a wskazówka wisi na lince. Kółeczko linki przeniesiono z płytki obok potencjometru na mały wysięgnik zgrzany ponad potencjometrem;
  • oprawa żarówki została zamocowana wprost do chassis;
  • zakres fal krótkich od 16 m, napis Katowice (poprzednio: Stalinogród), nowsze oporniki i kondensatory;

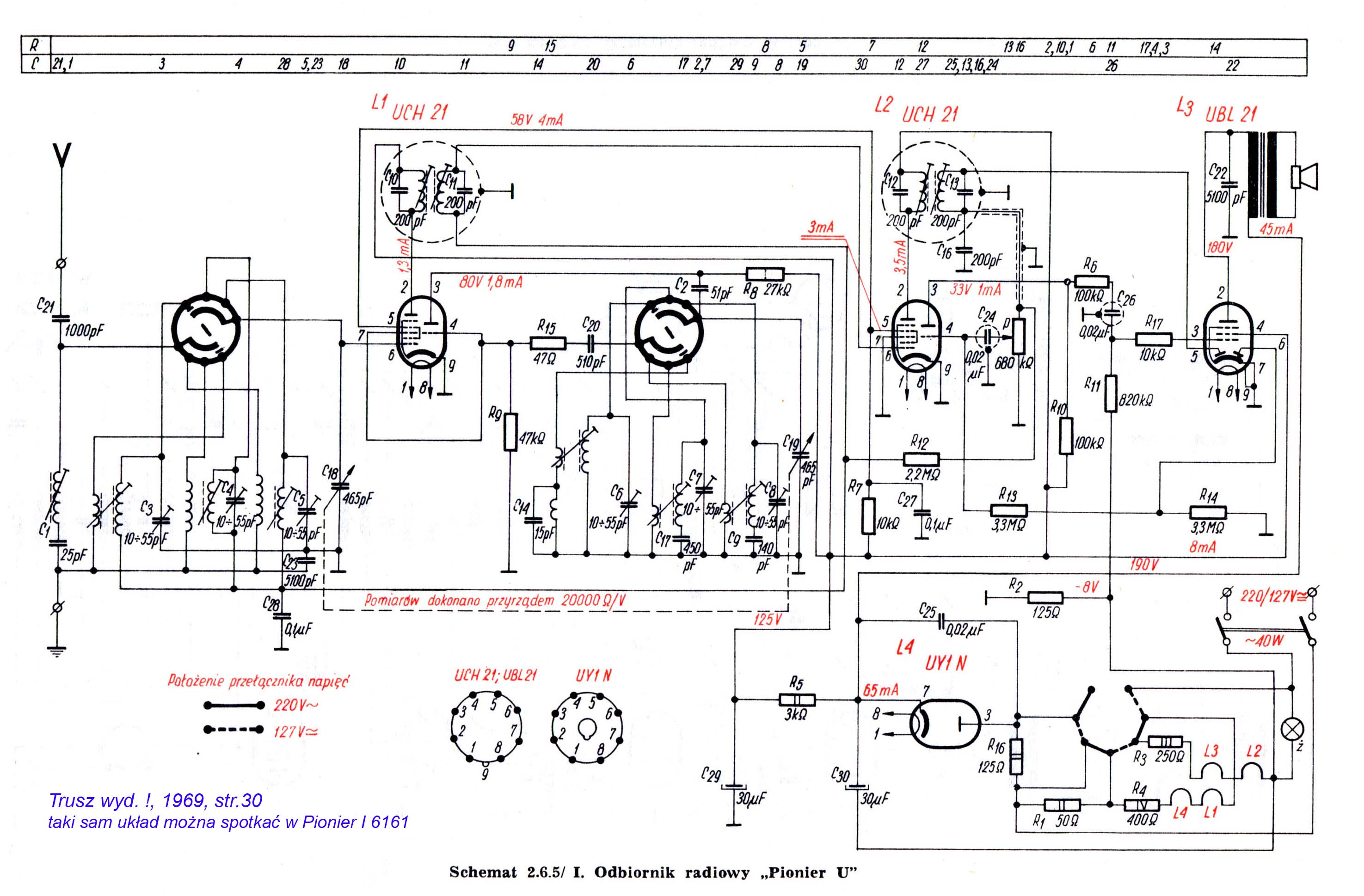
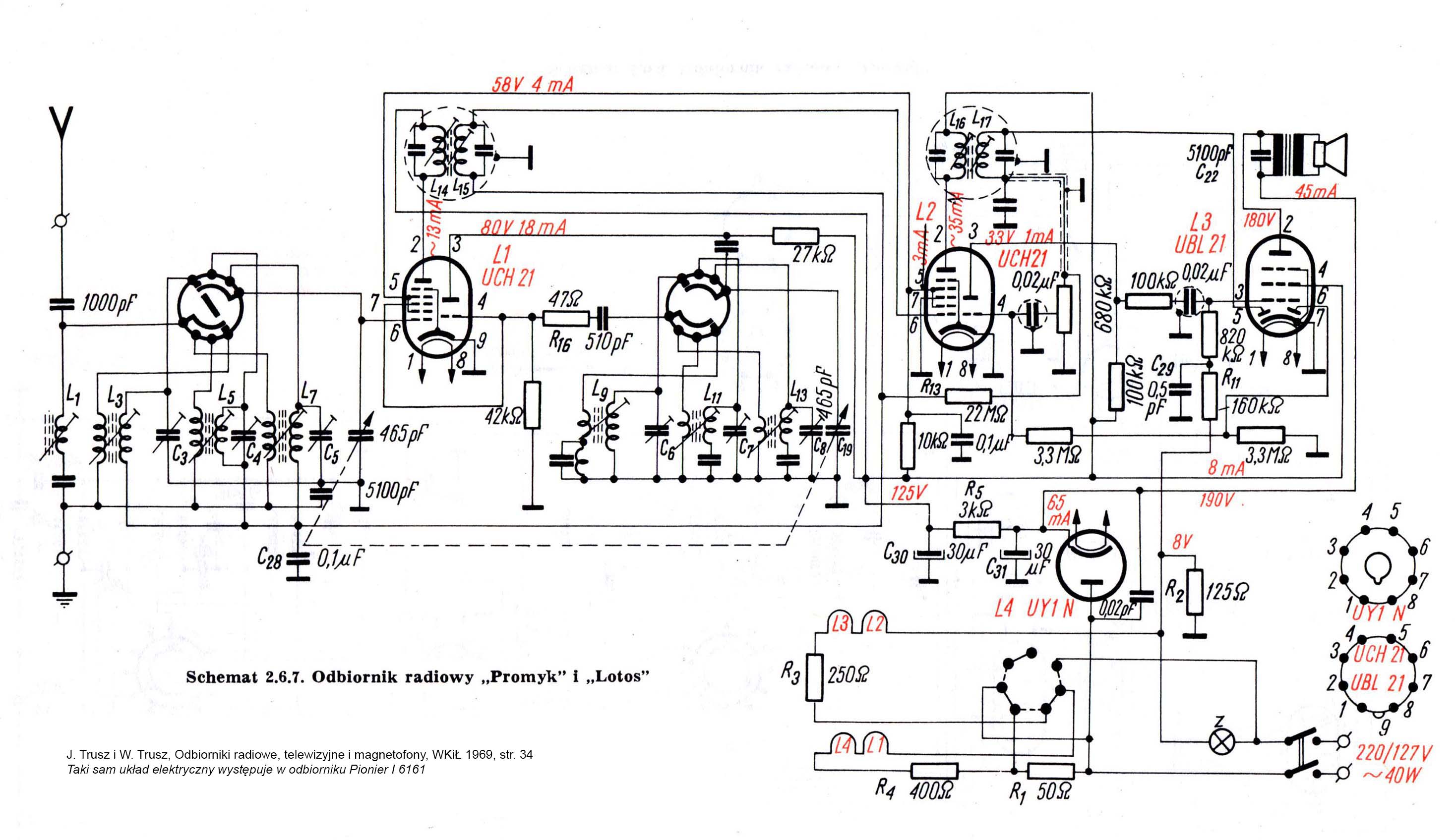
W odbiorniku montowany był początkowo okrągły głośnik z umocowanym do niego transformatorem głośnikowym. Później zastosowano głośnik eliptyczny a transformator umocowano na ściance, obok głośnika. Najbardziej zbliżone schematy to Pionier U, Trusz wyd. 1, str. 30 lub Promyk - Lotos, Trusz. wyd. 1, str. 34 (dla późniejszych egzemplarzy). Układ kontynuowany był w następcy Pioniera I -  bakelitowym Promyku

Odbiornik Pionier I (obydwie odmiany) wyprodukowano w liczbie ponad 396 tys. sztuk.

Inne materiały:

(1) 2003-08-30, Wojciech Pysz, Pionier I 6161

(2) 2003-05-04, Wojciech Pysz, Pionier I 6161

(3) 2003-08-30, Wojciech Pysz, z głośnikiem okrągłym

(4) 2010-05-11, Wojciech Słoka, z głośnikiem eliptycznym