oldradio.pl katalog starej radiotechniki
 
 
Karta katalogowa nr 914
liczba wyświetleń: 17567
Producent: ZRK
Model: AT 9100
Rodzaj sprzętu: Radioodbiornik
Klasyfikacja: stacjonarny stereofoniczny
Zakresy: D,S,K,U
Kraj: Polska
Rok produkcji: 198x
Zasilanie: sieć, zmienny
Wymiary: 440 x 112 x 230
Elementy aktywne: tranzystory + ukł. scalone
BDP 395 BDP 396 BC238,BC238C,4xBC239,BF195,2xBF314, BC237,BF245 B; US
Opis:

Czterozakresowy odbiornik radiowy (zakres fal krótkich rozbity na siedem podzakresów), stereofoniczny odbiornik radiowy produkcji Zakładów Radiowych im. Marcina Kasprzaka. Razem z magnetofonem ZRK serii M9000 tworzył zestaw ZM-9000.

Odbiornik wyposażono w wzmacniacz 2x27 W, układ cichego strojenia, układ ARCz, wskaźniki dekodera stereo, zera FM oraz siły sygnału.
Transformator i radiator częściowo wystaje poza obudowę. Transformator obudowany jest ekranującą puszką. Dzięki temu rozwiązaniu wyeliminowano przydźwięk sieciowy (50Hz) a układ chłodzenia tranzystorów końcowych jest po za obudową. 

Odbiornik przystosowany został do współpracy z dwoma magnetofonami (gniazda tape 1 i tape 2 na złączach DIN) oraz jednym urządzeniem dodatkowym np. dyskofonem (złącza RCA). Istnieje również możliwość podłączenia gramofonu z wkładką magnetyczną dzięki zintegrowanemu przedwzmacniaczowi korekcyjnemu RIAA. Amplituner posiada także wyjście sygnału na inne urządzenie.

 


Moc wyjściowa: 2x27 W/8Ω
(maks. moc muzyczna 2x60W)
Pasmo przenoszenia: 16 - 25000 Hz ±3 dB
Zakres regulacji barwy dźwięku
w zakresie niskich częstotliwości: płynnie ±8 dB; skokowo -8 dB
w zakresie wysokich częstotliwości: płynnie ±8 dB; skokowo -8 dB
Zniekształcenia nieliniowe: 0,1 %
Zniekształcenia intermodulacyjne 0,3 %
Stusunek sygnał/zakłócenia
dla wejścia: TAPE 2 (magnetofon 2) - 80 dB
AUX (uniwersalne) - 80 dB
PHONO (gramofon z wkładką
magnetoelektryczną) - 70 dB
Zasilanie: sieć 220 V - 50 Hz
Maks. pobór mocy: 170VA
Wymiary: 440x117x230 mm
Masa ok. 9 kg

Tuner 

Zakresy fal / czułość:
  LW(D) 150÷305kHz/1mV/m
  MW(ś) 525÷1605kHz/0,8m V/m
  SW(K)
  49 m 6÷6,2 MHz
  41 m 7,15÷7,3 MHz
  31 m 9,5÷9,7 MHz
  25 m 11,7÷11,9 MHz
  19 m 15,1÷15,35 MHz
  16 m 17,75÷17,85 MHz
  13 m 21,45÷21,75 MHz
  FM(UKF) 65,5÷74 MHz/3µV mono
  40µV stereo (300Ω)
1,5µV mono; 20µV stereo (75Ω)
Próg ograniczania FM: 3 µV
Zakres przenoszonych częstotliwości (FM): 30 - 15000 Hz
Stosunek sygnał/szum (filtr A):
  AM 50 dB
  FM mono 67 dB
  FM stereo 65 dB

 

Inne materiały:
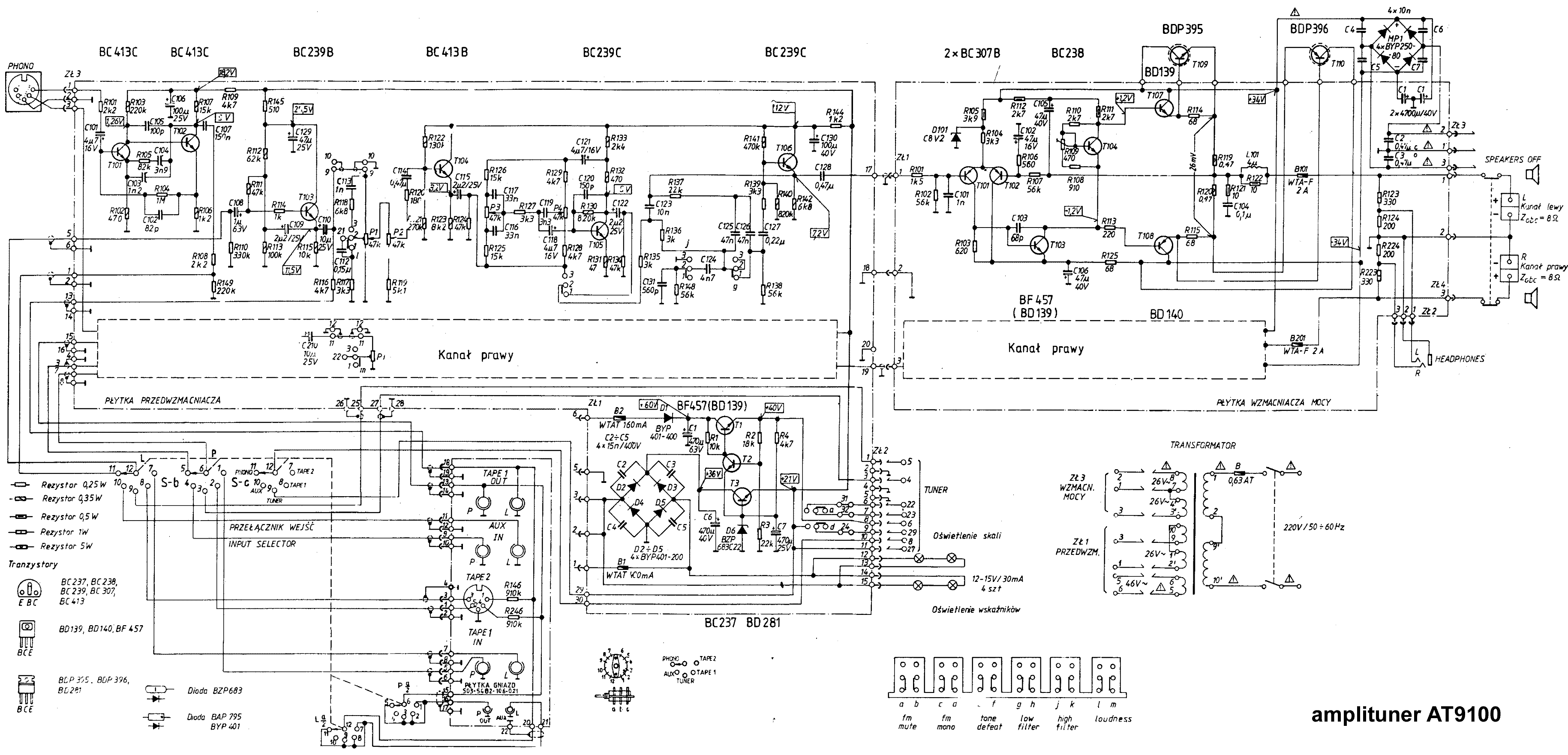
Schemat.   Opis.   

(1) 2009-02-26, jarko-sa, AT 9100

(2) 2009-11-29, jarko-sa, AT 9100

(3) jarko-sa, AT 9100

(4) jarko-sa, AT 9100

(5) jarko-sa, AT 9100

(6) 2009-11-29, jarko-sa, AT 9100 + M 9108

(7) 2009-10-14, JAAREX, AT 9100 + M 9012

(8) 2009-10-14, JAAREX, AT 9100

(10) 2010-06-26, serwus88, AT 9100

(11) 2010-06-26, serwus88, AT 9100

(12) 2010-06-26, serwus88, AT 9100

(13) 2010-06-26, serwus88, AT 9100

(14) 2010-06-26, serwus88, AT 9100

(15) 2010-06-26, serwus88, AT 9100

(16) 2010-06-26, serwus88, AT 9100