oldradio.pl katalog starej radiotechniki
 
 
Karta katalogowa nr 82
liczba wyświetleń: 15831
Producent: Diora
Model: Adam DMT-445
Rodzaj sprzętu: Radioodbiornik
Klasyfikacja: stacjonarny
Zakresy: D,S,K,U
Kraj: Polska
Rok produkcji: 1973-75
Zasilanie: sieć, zmienny
Wymiary: 505x135x170, ok. 4 kG
Elementy aktywne: tranzystory
AC180/181,tranzystory 10
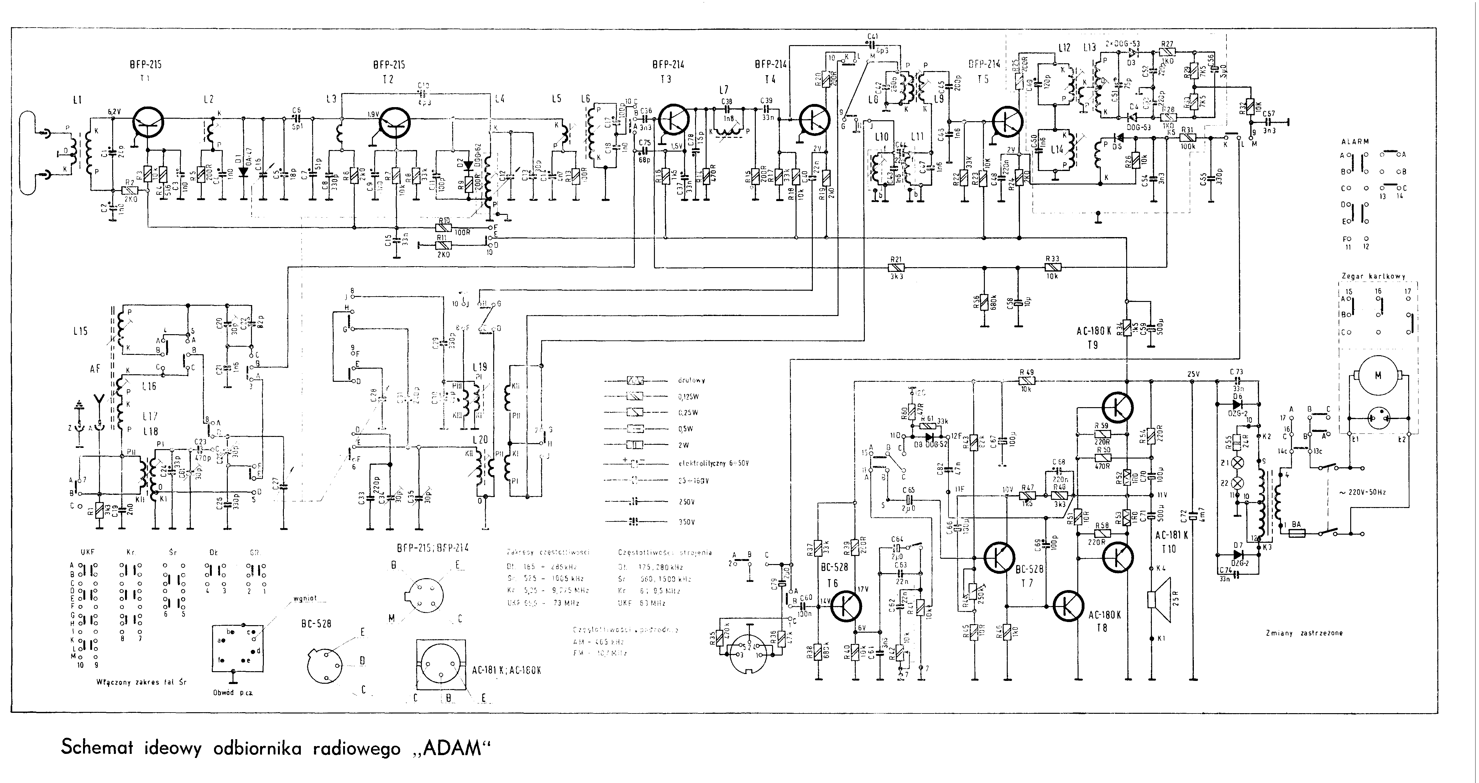
Opis:

Adam to Jubilat z dodanym zegarem. W miejsce głośnika trafił zegar kartkowy produkcji japońskiej, który może włączać i wyłączać odbiornik oraz służyć jako budzik. Głośnik DG 14-9/3 został umocowany do górnej ścianki obudowy. Nad pokrętłem strojenia znajduje się wielki wyłącznik sieciowy. Skala z identycznymi napisami i w takim samym układzie ma nieco inny wystrój graficzny, niż w Jubilacie. Pozostałe elementy z przedniej i tylnej ścianki nie różnią się niczym od Jubilata.

Kilka lat później powstał podobny odbiornik z zegarem: Gong DMP-241.

Liczba wyprodukowanych odbiorników wyniosła ponad 98 tys.


Inne materiały:

(1) 2005-03-17, Wojciech Pysz, Adam DMT-445

(2) 2005-03-17, Wojciech Pysz, Adam DMT-445

(3) Marcin Kołodziejczyk, Adam DMT-445

(4) Marcin Kołodziejczyk, Adam DMT-445

(5) autor nieznany, Z ulotki reklamowej