oldradio.pl katalog starej radiotechniki
 
 
Karta katalogowa nr 815
liczba wyświetleń: 11773
Producent: Diora
Model: Alba DMP-408
Rodzaj sprzętu: Radioodbiornik
Klasyfikacja: stacjonarny
Zakresy: D,S,K,U
Kraj: Polska
Rok produkcji: 1977
Zasilanie: sieć, zmienny
Wymiary: 473x185x93
Elementy aktywne: tranzystory + ukł. scalone
UL1402P,UL1211N, tranzystory 5
Opis:

Popularny odbiornik stacjonarny w czarnej, plastikowej, niskiej obudowie. Głośnik, duża skala i pokrętło strojenia zostały umieszczone na lekko ukośnej płycie górnej. Takie rozwiązanie wymogło na konstruktorach opracowanie  napędu kondensatora zmiennego i wskazówki, specyficzne dla tego modelu. W dolnej płycie wykonano specjalne wgłębienie, aby zmieścić nieco za duży głośnik GD 10-16/5/2 (5W, 4 Ohm). Głośnik jest przykręcony do wypustów dolnej płyty poprzez gumowe amortyzatory. Różne elementy amortyzujące i tłumiące drgania występują też na łączeniu plastikowych elementów obudowy.

Profilowane otwory w dolnej płycie pozwalają na zawieszenie Alby na pionowej ścianie. W oglądanym egzemplarzu zarysowania w okolicy tych otworów oraz rozkład kurzu i śmieci wewnątrz obudowy świadczą, że radio tak właśnie wisiało. Pod spodem znajduje się duża, odkręcana klapka serwisowa, umożliwiająca dostęp do prawie całej płyty drukowanej, jak dawniej w odbiornikach lampowych. Przy zawieszeniu na ścianie górna płyta staje się czołową a tylna ścianka jest na dole. Na tejże  ściance znajdują się gniazda antenowe AM i FM, gniazdu gramofony/magnetofonu oraz głośnika dodatkowego.

Ze względu na wygodny design i łatwość umycia, często instalowany w biurach, hotelach i domach wczasowych. 

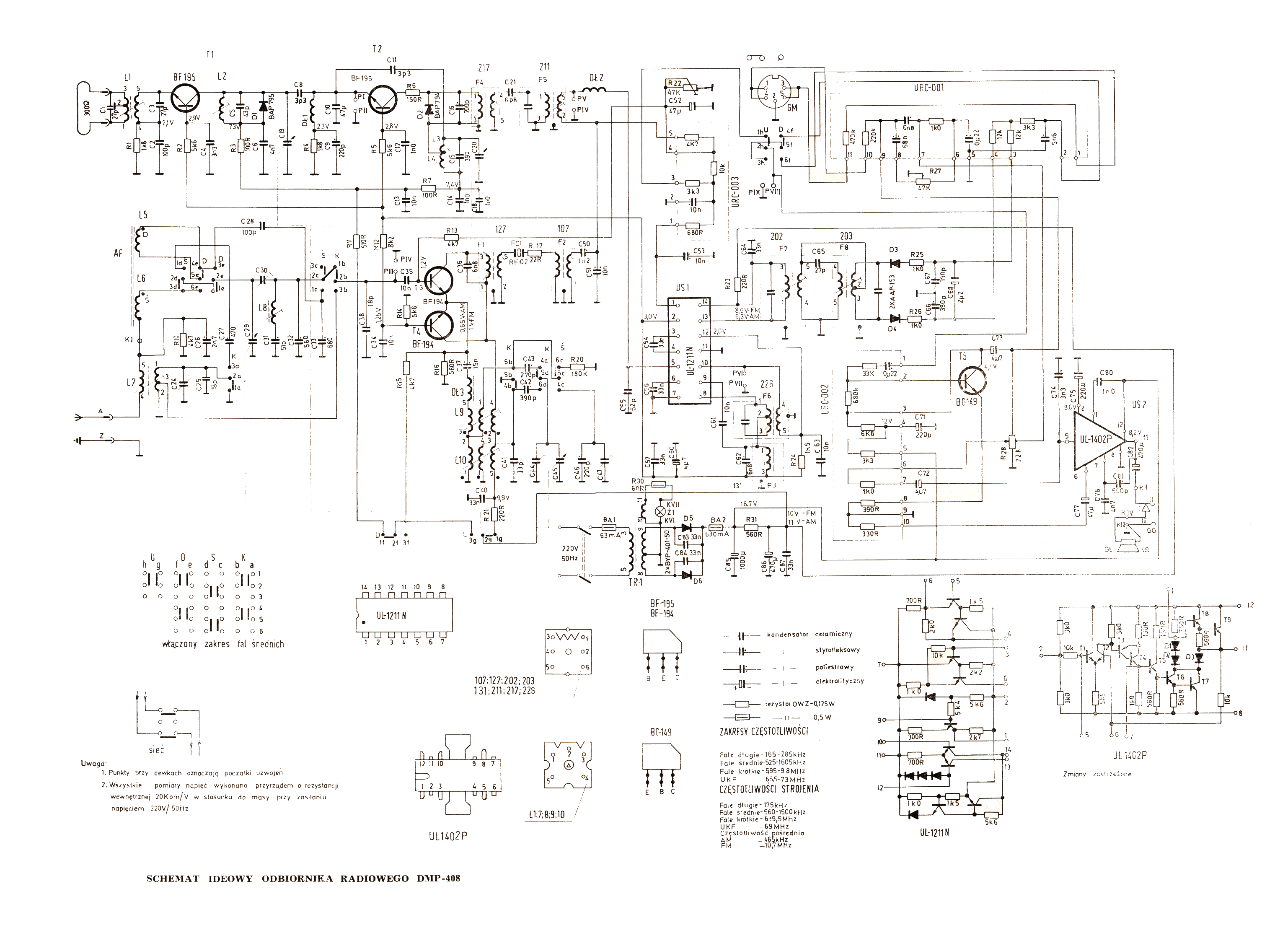
Układ elektryczny jak Ślązak, Giewont, Beskid z charakterystycznymi dla nich potencjometrami suwakowymi siły głosu i barwy tonu. Na schemacie narysowano hybrydowe układy URC, spotykane w niektórych Ślązakach. W napotkanych egzemplarzach użyte były w tym miejscu zwykłe oporniki i kondensatory. Maleńka żaróweczka umieszczona jest na wskazówce i porusza się wraz ze wskazówką. Zasilana jest z odrębnego uzwojenia transformatora sieciowego.

Produkowany w latach 1977-79 w liczbie ponad 135 tys. sztuk.

Inne materiały:

(1) 2009-10, Fiatcik, Alba DMP-408

(2) 2009-10, Fiatcik, Alba DMP-408

(4) 2022-07-30, Wojciech Pysz, Alba DMP-408

(5) 2022-07-30, Wojciech Pysz, Alba DMP-408

(6) 2022-07-30, Wojciech Pysz, Alba DMP-408

(7) 2022-07-30, Wojciech Pysz, Alba DMP-408

(8) 2022-07-30, Wojciech Pysz, Alba DMP-408

(9) 2024-08-02, T.Rutkowski, HGS HR 408