oldradio.pl katalog starej radiotechniki
 
 
Karta katalogowa nr 572
liczba wyświetleń: 9269
Producent: ZRK
Model: Stolica V 3275
Rodzaj sprzętu: Radioodbiornik
Klasyfikacja: stacjonarny
Zakresy: D,S,K
Kraj: Polska
Rok produkcji: 1957-59
Zasilanie: sieć, zmienny
Elementy aktywne: lampy
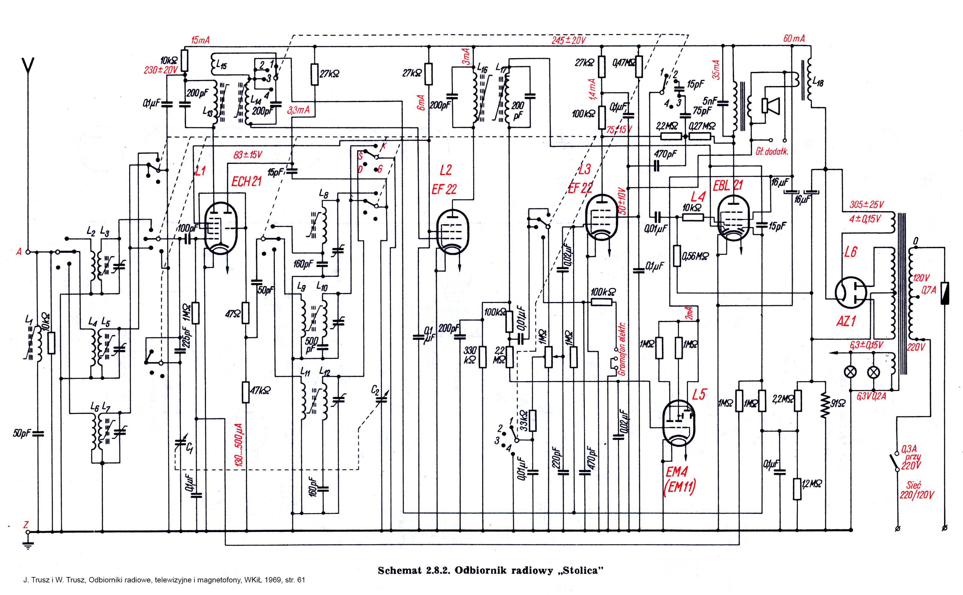
ECH21,2xEF22,EBL21,AZ1,EM4
Opis:
Stolica była następcą Syreny, pierwszego odbiornika produkowanego przez ZRK. Układ elektryczny zmieniony nieznacznie. Zmieniona obudowa, występująca w kilku wariantach.

Według materiałów reklamowych z lat 50-tych odbiornik o takim kształcie skrzynki miał oznaczenie 3271 a RA-4/58,s.2 występuje jako 3272.
Inne materiały:
Schemat   Reklama   Instrukcja   

(1) autor nieznany, Stolica V 3275

(2) autor nieznany, Stolica V 3275

(3) autor nieznany, Stolica V 3275