oldradio.pl katalog starej radiotechniki
 
 
Karta katalogowa nr 541
liczba wyświetleń: 12097
Producent: Diora
Model: Junior DMP-202
Rodzaj sprzętu: Radioodbiornik
Klasyfikacja: stacjonarny
Zakresy: D,S,K,U
Kraj: Polska
Rok produkcji: 1974
Zasilanie: sieć, zmienny
Elementy aktywne: tranzystory + ukł. scalone
UL1402, 6 tranzystorów
Opis:

Kontynuacja zainicjowanej przez Jubilata DMT 406 linii tanich, domowych odbiorników pełnozakresowych ze wzmacniaczem mocy na układzie scalonym. Płyta drukowana 2217-230-2 identyczne, jak w Jubilacie i Contessie. Gniazdo głośnika zewnętrznego zamocowane poza płytą na dodatkowym kątowniku obok przewodu zasilającego. W odróżnieniu od wymienionych modeli, tutaj tylna ścianka nie jest plastikowa lecz z płyty pilśniowej. Inaczej przebiega też demontaż odbiornika. Płyta i chassis nie są zespolone ze ścianką czołową. Tutaj, żeby wyjąć chassis, trzeba zdjąć gałki z pokręteł i wysunąć chassis do tyłu. W Jubilacie i podobnych trzeba było odkręcić 6 głęboko ukrytych śrubek z łbem sześciokątnym i wysunąć chassis wraz z płytą czołową do przodu. Stylistyka Juniora nieco odbiega od innych odbiorników: obudowa (zazwyczaj pokryta fornirem) ma dwie boczne ścianki wystające nieco poza obrys obudowy a przyciski przełącznika zakresów są kwadratowe.

W pierwszym roku produkcji fabrykę opuściło tylko 6 egz. odbiornika, łączna produkcja, do 1978 r.  wyniosła ponad 331 tys. szt.

Inne materiały:
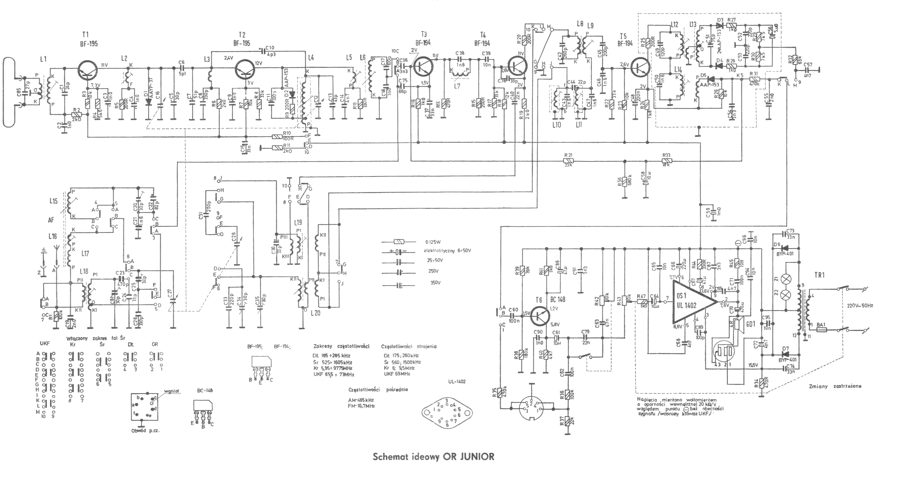
Schemat   

(1) 2022-08-13, Wojciech Pysz, Junior DMP-202

(2) 2003-10-28, Wojciech Pysz, Junior DMP-202

(3) 2003-10-28, Wojciech Pysz, Junior DMP-202

(4) 2022-08-13, Wojciech Pysz, Junior DMP-202

(5) 2022-08-13, Wojciech Pysz, Junior DMP-202