oldradio.pl katalog starej radiotechniki
 
 
Karta katalogowa nr 242
liczba wyświetleń: 17232
Producent: Diora
Model: Contessa DMP-201 13501
Rodzaj sprzętu: Radioodbiornik
Klasyfikacja: stacjonarny
Zakresy: D,S,K,U
Kraj: Polska
Rok produkcji: 1974
Zasilanie: sieć, zmienny
Elementy aktywne: tranzystory + ukł. scalone
UL1402, tranzystory
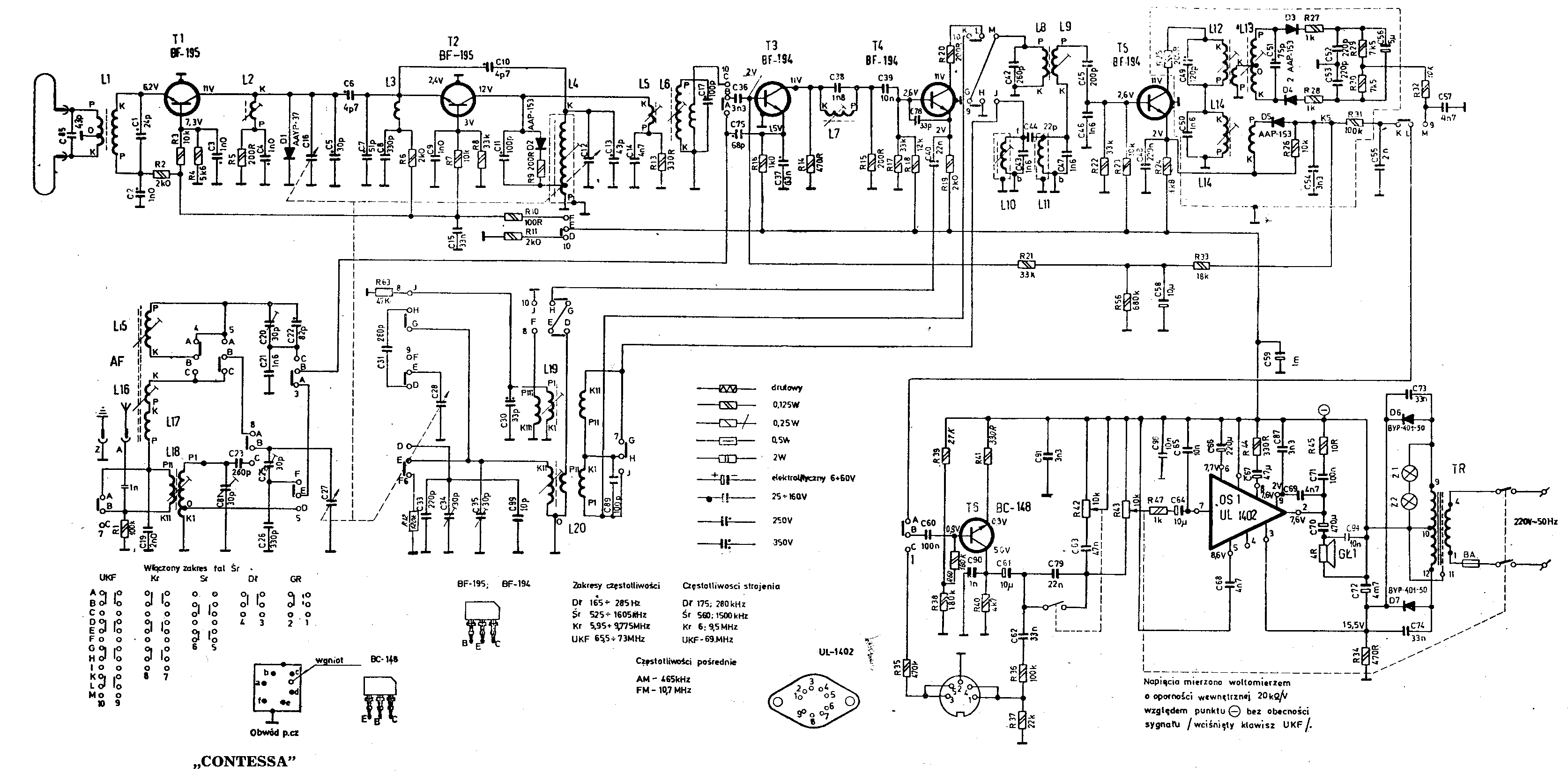
Opis:

Contessa to niemal wierna kopia Jubilata DMT-406. Obudowa zazwyczaj oklejona folią PCV, czasem z napisem "Jubilat" na wewnętrznej etykiecie z Fabryki mebli. Tylna ścianka plastikowa. Płytka drukowana z symbolem 2217-230-2 „J” minimalnie różni się od płytki Jubilata DMT-406. Uwzględnia drobne różnice w układzie elektrycznym, np. dodany kondensator C85 przy wejściu antenowym FM.

W cewkach i filtrach zastosowano rdzenie ferrytowe z wgłębieniem na płaski śrubokręt zamiast dotychczasowych trójkątnych. Zmniejszyła się liczba nazw stacji na falach średnich. Gałki krótsze, niż w Jubilatach lecz o większej średnicy.

To niepozorne radio wyprodukowane zostało w liczbie ponad pół miliona egzemplarzy, zajmując drugie miejsce za bakelitowym Pionierem U2. Według wykazu Z. Kaszty odbiornik był produkowany w latach 1974 – 1978 w ilościach: 1974 - 15 sztuk, 1975 - 127313 sztuk, 1976 - 162119 sztuk, 1977 - 121918 sztuk, 1978 - 105778 sztuk.

Począwszy od Contessy symbol DMT (Domowy Monofoniczny Tranzystorowy) zmieniono na DMP (Domowy Monofoniczny Popularny). Contessa otrzymała pierwszy z tej serii symbol DMP-201.

Inne materiały:

(1) 2004-04-06, Wojciech Pysz, Contessa DMP-201 13501

(2) 2022-08-05, Wojciech Pysz, Contessa DMP-201 13501

(3) 2010-12, Kamil Jabłoński zbieracz55, Contessa DMP-201 13501

(4) 2010-12, Kamil Jabłoński zbieracz55, Contessa DMP-201 13501

(5) 2010-12, Kamil Jabłoński zbieracz55, Contessa DMP-201 13501

(6) 2022-08-05, Wojciech Pysz, Contessa DMP-201 13501

(7) 2022-08-05, Wojciech Pysz, Contessa DMP-201 13501