oldradio.pl katalog starej radiotechniki
 
 
Karta katalogowa nr 232
liczba wyświetleń: 10736
Producent: ZRK
Model: Stolica IV 3264
Rodzaj sprzętu: Radioodbiornik
Klasyfikacja: stacjonarny
Zakresy: D,S,K
Kraj: Polska
Rok produkcji: 1955-59
Zasilanie: sieć, zmienny
Wymiary: 580x370x250, ok. 12 kG
Elementy aktywne: lampy
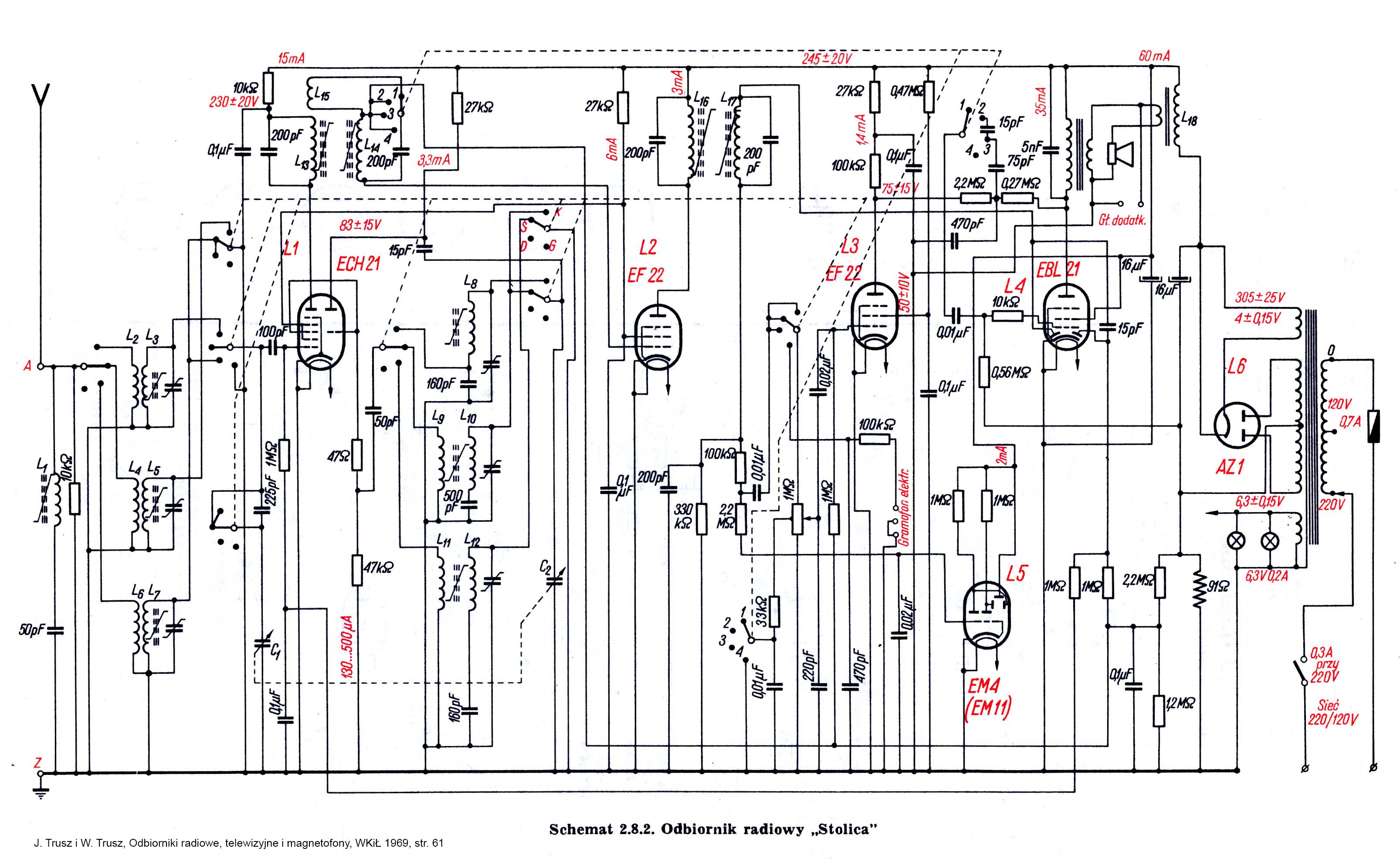
ECH21,2xEF22,EBL21,AZ1,EM4
Opis:
Stolica była następcą Syreny, pierwszego odbiornika produkowanego przez ZRK. Układ elektryczny zmieniony nieznacznie. Zmieniona obudowa, występująca w kilku wariantach.

Prezentowany model ma na tylnej ściance numer 3264. Według informacji katalogowych z czasów produkcji, model ten powinien mieć nieco inna obudowę - jak na zdjęciu nr 4 (patrz - ulotka).
Inne materiały:
Schemat   Reklama   

(1) 2003-10-28, Wojciech Pysz, Stolica IV 3264

(2) 2003-10-28, Wojciech Pysz, Stolica IV 3264

(3) 2003-10-28, Wojciech Pysz, Stolica IV 3264

(4) 2009, Wojciech Pysz, Stolica IV 3264