oldradio.pl katalog starej radiotechniki
 
 
Karta katalogowa nr 1024
liczba wyświetleń: 10014
Producent: Diora
Model: Akord DMP-501
Rodzaj sprzętu: Radioodbiornik
Klasyfikacja: stacjonarny
Zakresy: D,S,K,U
Kraj: Polska
Rok produkcji: 1979
Zasilanie: sieć, zmienny
Elementy aktywne: tranzystory + ukł. scalone
UL1481T,UL1211N, tranzystory 5
Opis:

Odbiornik "biurowo-hotelowy" o koncepcji wzorniczej podobnej do Alby. Plastikowa, czarna, płaska obudowa. Wszystkie elementy regulacyjne umieszczono na poziomej połaci górnej ścianki a głośnik i skalę na ukośnej połaci górnej ścianki, nachylonej w kierunku do słuchacza.

W Akordzie zastosowano okrągły głośnik jak w Tarabanie 3, podobnie układ elektryczny ze zwiększoną mocą wyjściową 3,5 W. Na zakresie UKF możliwość włączenia ARCz. Barwa tonu regulowana oddzielnie dla tonów wysokich i niskich. W transformatorze sieciowym oddzielne uzwojenie do zasilenia żarówek oświetlenia skali. Na tylnej ściance gniazda antenowe AM/FM, oddzielne gniazda DIN gramofonowe i magnetofonowe oraz gniazdo głośnika dodatkowego. Na przedniej ściance  niespotykane w odbiornikach rodziny DMP gniazdo słuchawkowe typu DIN. Przełącznik zakresów typu Isostat, wspomagany zestawem dźwigni, na górnej ściance obsługiwany jest jako suwaki.

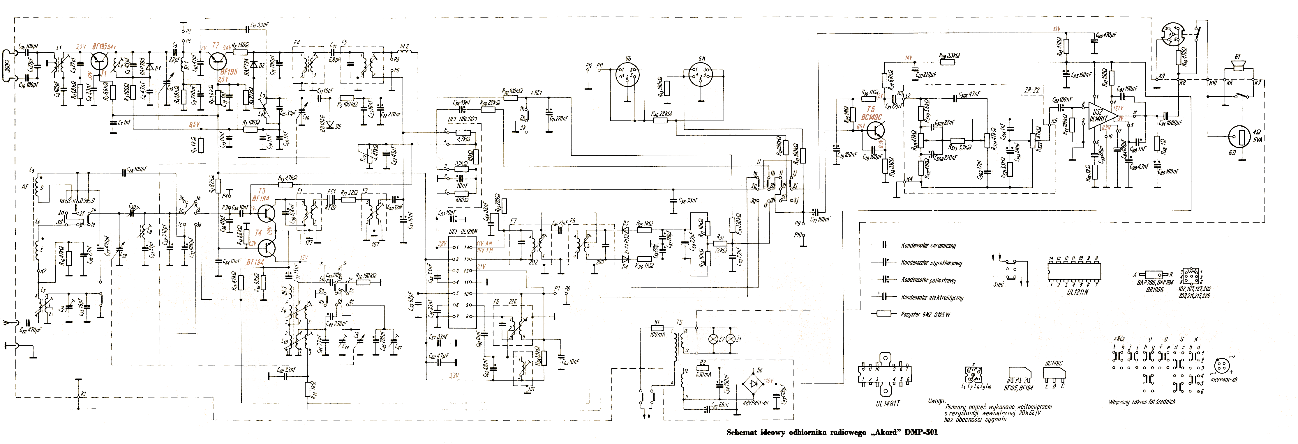
Na schemacie występuje układ hybrydowy UCR003, wprowadzony w 1977 r do OR Ślązak.

Inne materiały:
Schemat   

(1) Fiatcik, Akord DMP-501

(2) Fiatcik, Akord DMP-501

(3) Fiatcik, Akord DMP-501

(4) Fiatcik, Akord DMP-501

(5) Fiatcik, Akord DMP-501