oldradio.pl katalog starej radiotechniki
 
 
Karta katalogowa nr 1006
liczba wyświetleń: 7795
Producent: Eltra
Model: Manuela-2 RMS-813
Rodzaj sprzętu: Radio-magnetofon
Klasyfikacja: przenośny
Zakresy: D,S,K,U
Kraj: Polska
Rok produkcji: 198?
Zasilanie: sieć lub baterie
Wymiary: 540x160x126, ok 4,6 kG
Elementy aktywne: tranzystory + ukł. scalone
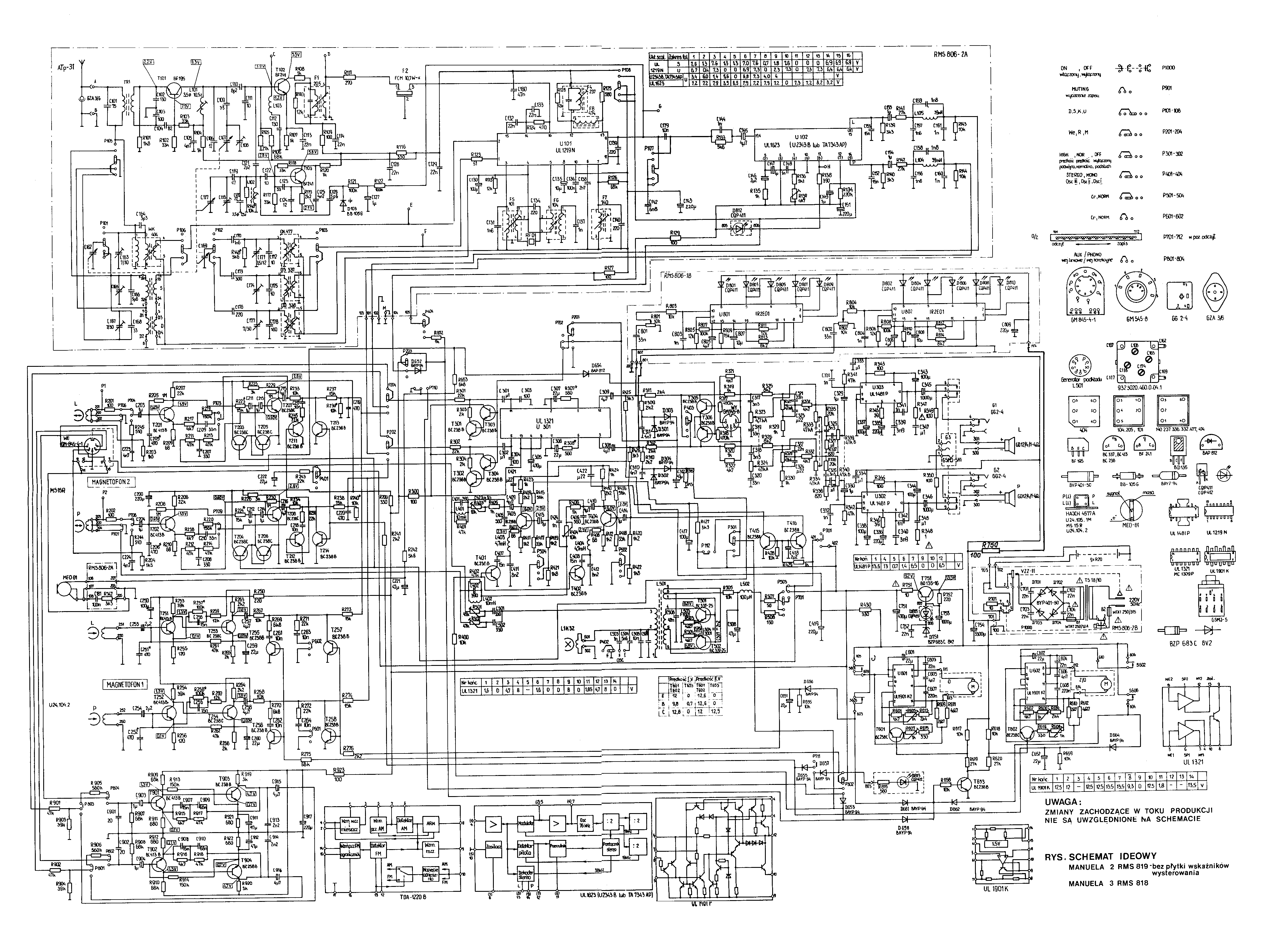
Opis:
Radioodbiornik stereo z magnetofonem dwukasetowym. Licencyjny RFT SKDR 2000 (stereo-doppel-kassetten-rekorder). Moc wyjściowa 2x2W. Zasilanie 220V lub 13,5 V (9xR20).
Egzemplarz na zdjęciu posiada dwa nieoryginalne pokrętła.
Podobny RM, Manuela 3 (RMS-818) miał dodatkowo wskaźnik wysterowania.
Inne materiały:
Schemat   Opis.   

(1) Fiatcik, Manuela-2 RMS-813

(2) Fiatcik, Manuela-2 RMS-813

(3) Fiatcik, Manuela-2 RMS-813

(4) 2007-05-25, faur, Manuela-2 RMS-813

(5) 2007-05-25, faur, Manuela-2 RMS-813