oldradio.pl katalog starej radiotechniki
 
 
Karta katalogowa nr 94
liczba wyświetleń: 8898
Producent: Unitra Rz
Model: RE-125
Rodzaj sprzętu: Radioodbiornik
Klasyfikacja: stacjonarny
Zakresy: D,U
Kraj: Polska
Rok produkcji: 1989
Zasilanie: sieć lub baterie
Wymiary: 174x85x50, 440g(bez baterii)
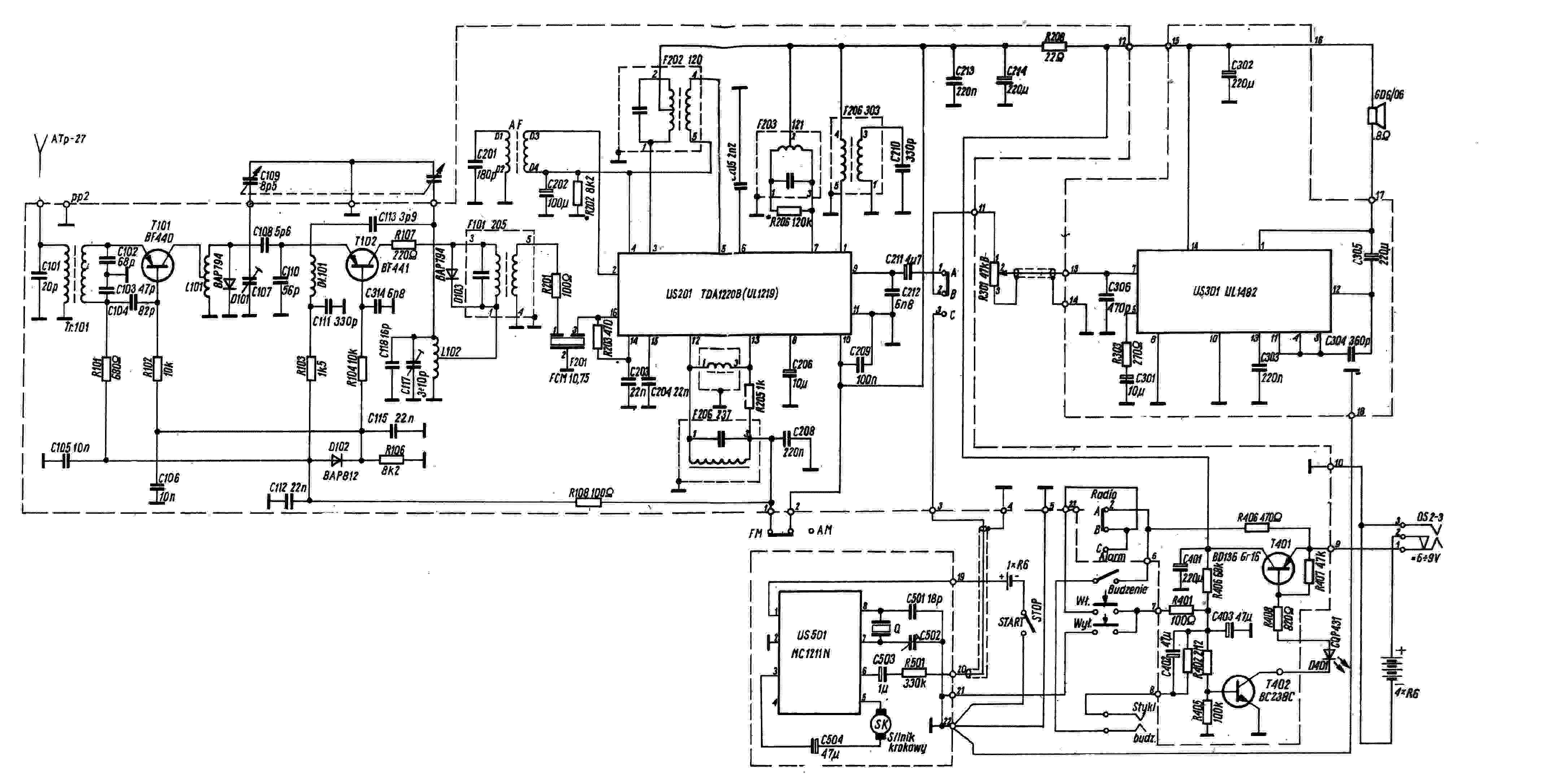
Elementy aktywne: tranzystory + ukł. scalone
UL1482,UL1219,tranzystory 2 + MC1211N
Opis:

Mały, domowy, dwuzakresowy odbiornik z zegarem analogowym MERA-POLTIK (na układzie MC1211N) i budzikiem. W paśmie fal długich tylko odbiór jednej stacji (Warszawa I), pasmo UKF w zakresie OIRT (65,5 - 74 MHz). Na uwagę zasługuje elektroniczny wyłącznik zasilania. Jest to bistabilny przerzutnik z dwoma tranzystorami, wyzwalany monostabilnymi przyciskami. Zaletą przerzutnika jest to, że w stanie wyłączonym nie pobiera prądu ze źródła zasilania; obydwa tranzystory nie przewodzą. Przerzutnik może być wyzwalany również przez zestyki budzika.
Ważniejsze dane techniczne:
Czułość użytkowa:
— fale długie: < 4 mV/m
— UKF: < 8 µV
Znamionowa moc wyjściowa: > 200 mW
Zasilanie zegara: 1 ogniwo typu AA (1,5 V)
Zasilanie odbiornika:
— z baterii 4 ogniwa typu AA (6 V)
— z zewnętrznego zasilacza prądu stałego 6 ÷ 9 V
Dokładność zegara: ± 1 s/dobę
Czas pracy zegara z jednej baterii: dłużej niż 3 miesiące

Inne materiały:

(1) 2004-01-27, Wojciech Pysz, RE-125

(2) 2004-01-27, Wojciech Pysz, RE-125