oldradio.pl katalog starej radiotechniki
 
 
Karta katalogowa nr 857
liczba wyświetleń: 3153
Producent: Lumphon
Model: W 320
Rodzaj sprzętu: Radioodbiornik
Klasyfikacja: stacjonarny
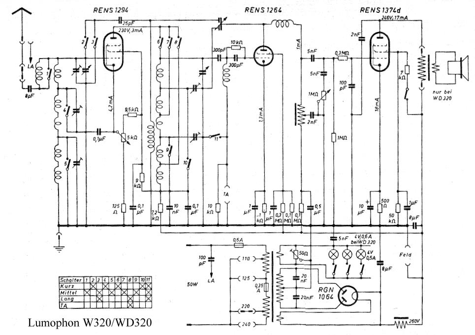
Zakresy: D,S,K
Kraj: Niemcy
Rok produkcji: 193X
Zasilanie: sieć, zmienny
Elementy aktywne: lampy
RENS 1294, RENS 1264, RENs 1374d, RGN 1064
Opis:

Inne materiały:
Schemat   

(1) autor nieznany, W 320

(2) autor nieznany, W 320