oldradio.pl katalog starej radiotechniki
 
 
Karta katalogowa nr 84
      
liczba wyświetleń: 13983
Producent: Diora
Model: Sobótka DMT-305 25604
Rodzaj sprzętu: Radioodbiornik
Klasyfikacja: stacjonarny
Zakresy: D,S,K,U
Kraj: Polska
Rok produkcji: 1972
Zasilanie: sieć, zmienny
Wymiary: 565x160x185, ok. 6 kg
Elementy aktywne: tranzystory
AC180/181,tranzystory 12
Opis:

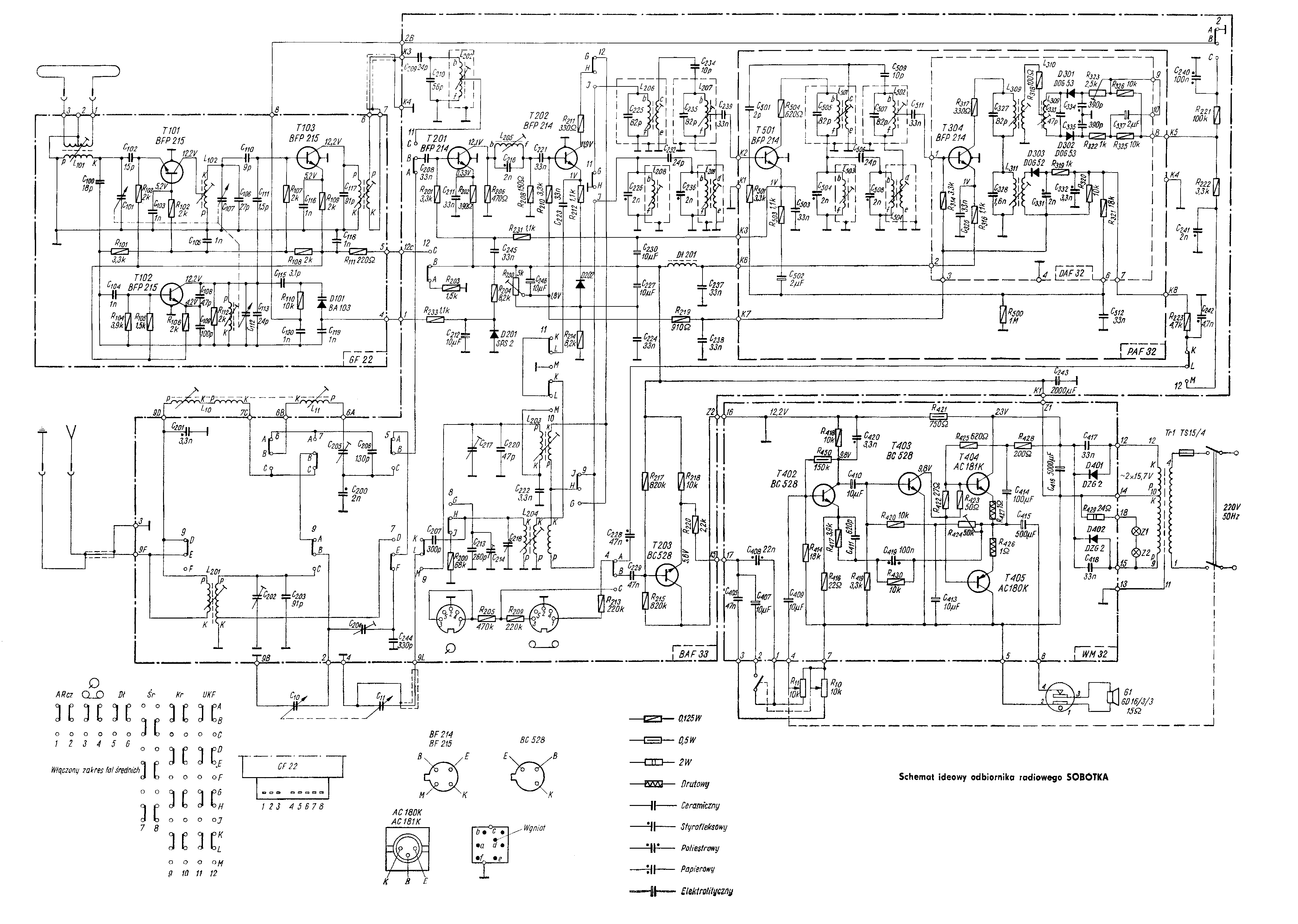
Odbiornik popularny, będący rozwinięciem stylistycznym odbiornika "Fagot", z nieznacznie zmodyfikowanym układem. Wzmacniacz na płytce WM32, głowica UKF GF22 na tranzystorach BF215. Prostownik w zasilaczu na 2xDZG2. Wspólna instrukcja serwisowa Sobótka-Sudety. Opis i schemat w RA-5/73/s.118.
Cena w okresie produkcji: 1600 zł.

Z ulotki reklamowej:
Sobótka jest nowoczesnym, domowym odbiornikiem przeznaczonym do odbioru stacji radiofonicznych o emisji AM i FM. Dodatkowe gniazda umożliwiają podłączenie gramofonu, magnetofonu, głośnika dodatkowego, anten zewnętrznych AM i FM oraz uziemienia. Zastosowanie tranzystorów krzemowych w układzie elektrycznych odbiornika zapewnia niezawodną pracę i mały pobór mocy z sieci. Odbiornik Sobótka wyposażony jest w wewnętrzną antenę ferrytową, regulację barwy dźwięku, automatyczną regulację częstotliwości w torze FM, i odznacza się dobrym odbiorem na wszystkich czterech zakresach fal.
Niewielkie wymiary, estetyczny wygląd i walory użytkowe odbiornika Sobótka sprawiają, że może on służyć do wyposażenia każdego nowoczesnego mieszkania.
Na życzenie zamawiającego wytwórca może dostarczyć odbiornik Sobótka z zakresem UKF od 87,5-100 MHz oraz dokonać zmiany układu graficznego skali oraz dobrać napięcia zasilające transformatora sieciowego stosownie do wymagań odbiorcy.

Inne materiały:

(1) 2020-11, autor nieznany, Sobótka DMT-305 25604

(2) 2022-08, autor nieznany, Sobótka DMT-305 25604

(3) allegro.pl (nietoperz666), Sobótka DMT-305 25604

(4) allegro.pl (nietoperz666), Sobótka DMT-305 25604

(5) 2022-08, autor nieznany, Sobótka DMT-305 25604

(6) autor nieznany, Z ulotki reklamowej