 
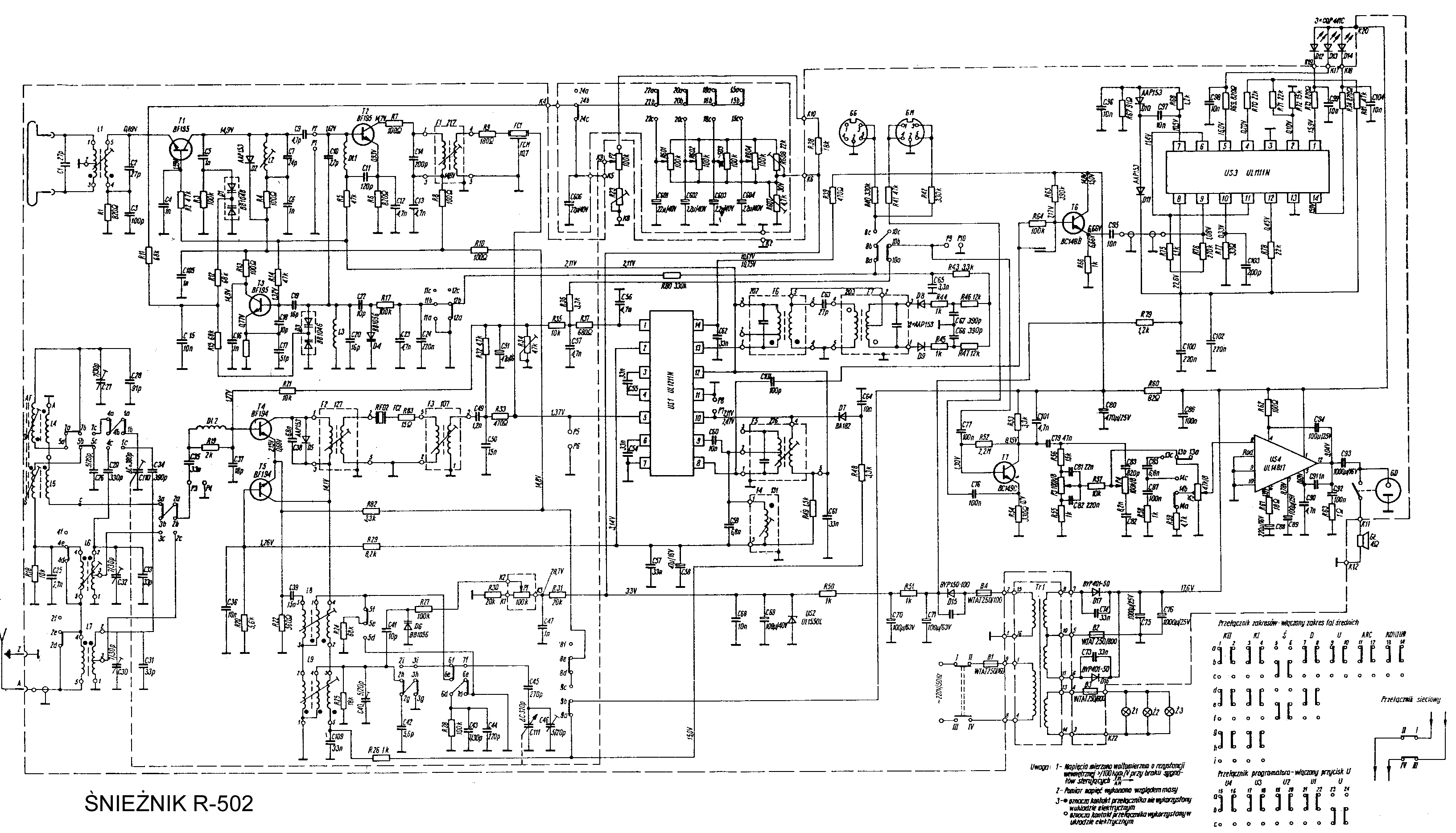
    Monofoniczny odbiornik stołowy, nieco wyższej klasy. Wyposażony w programator 4 stacji UKF, wskaźnik poziomu sygnału na diodach LED, ARCz, przycisk "kontur", podwójną regulacje barwy tonu oraz precyzer dostrojenia dla fal krótkich. Na tylnej ściance oddzielne gniazda DIN dla gramofonu, magnetofonu i głośnika dodatkowego.
Ze względu na inny sposób strojenia (diody pojemnościowe zamiast sekcji agregatu, by móc zastosować programator), wyposażony jest w inną niż np. "Tarabany" głowicę UKF (trzytranzystorowa, strojony jest wzmacniacz wejściowy i heterodyna, trzeci tranzystor głowicy pracuje jako mieszacz). Opis i schemat w "Radioelektroniku" 5/1984.
Ponad dekadę wcześniej Diora produkowała już radio o nazwie Śnieżnik. Był to prosty, stołowy odbiornik tranzystorowy, kontynuacja linii Jubilata.
Był produkowany również zubożony Śnieżnik R-504, o czym świadczy napotkana instrukcja serwisowa  instrukcja serwisowa