oldradio.pl katalog starej radiotechniki
 
 
Karta katalogowa nr 781
liczba wyświetleń: 11485
Producent: ZRK
Model: Stolica 3251
Rodzaj sprzętu: Radioodbiornik
Klasyfikacja: stacjonarny
Zakresy: D,S,K
Kraj: Polska
Rok produkcji: 1955-59
Zasilanie: sieć, zmienny
Wymiary: 580x370x250, ok. 12 kG
Elementy aktywne: lampy
ECH21,2xEF22,EBL21,AZ1,EM4
Opis:
Większość odmian Stolicy miała oznaczenia typu 326x lub 327x. Dodatkowo w materiałach pisanych występowała obok numeru liczba rzymska od II do V. Ten egzemplarz ma na tylnej ściance oznaczenie 3251.
Inne materiały:
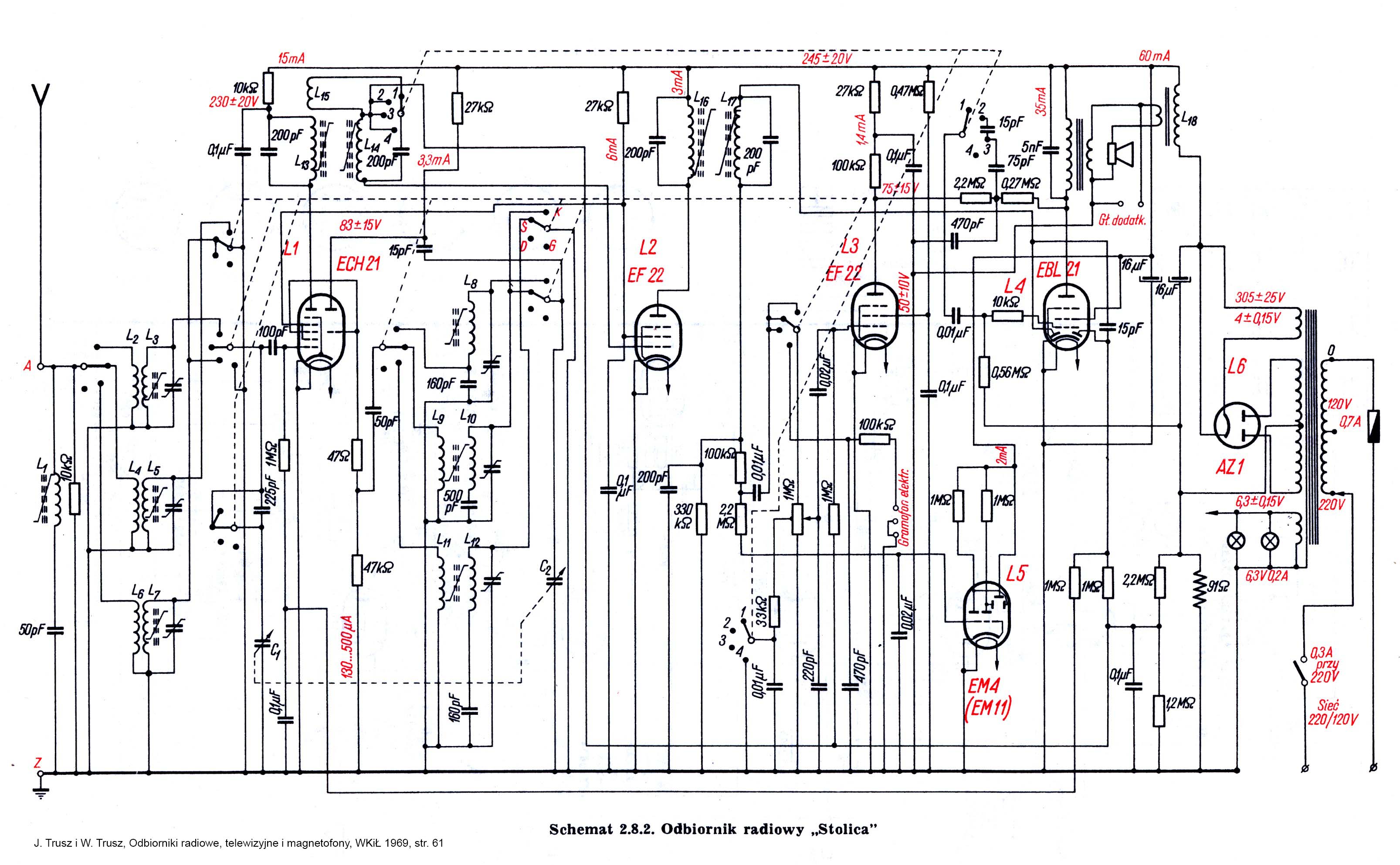
Schemat   

(1) Michał Górski, Stolica 3251

(2) Michał Górski, Stolica 3251

(3) Michał Górski, Stolica 3251