 
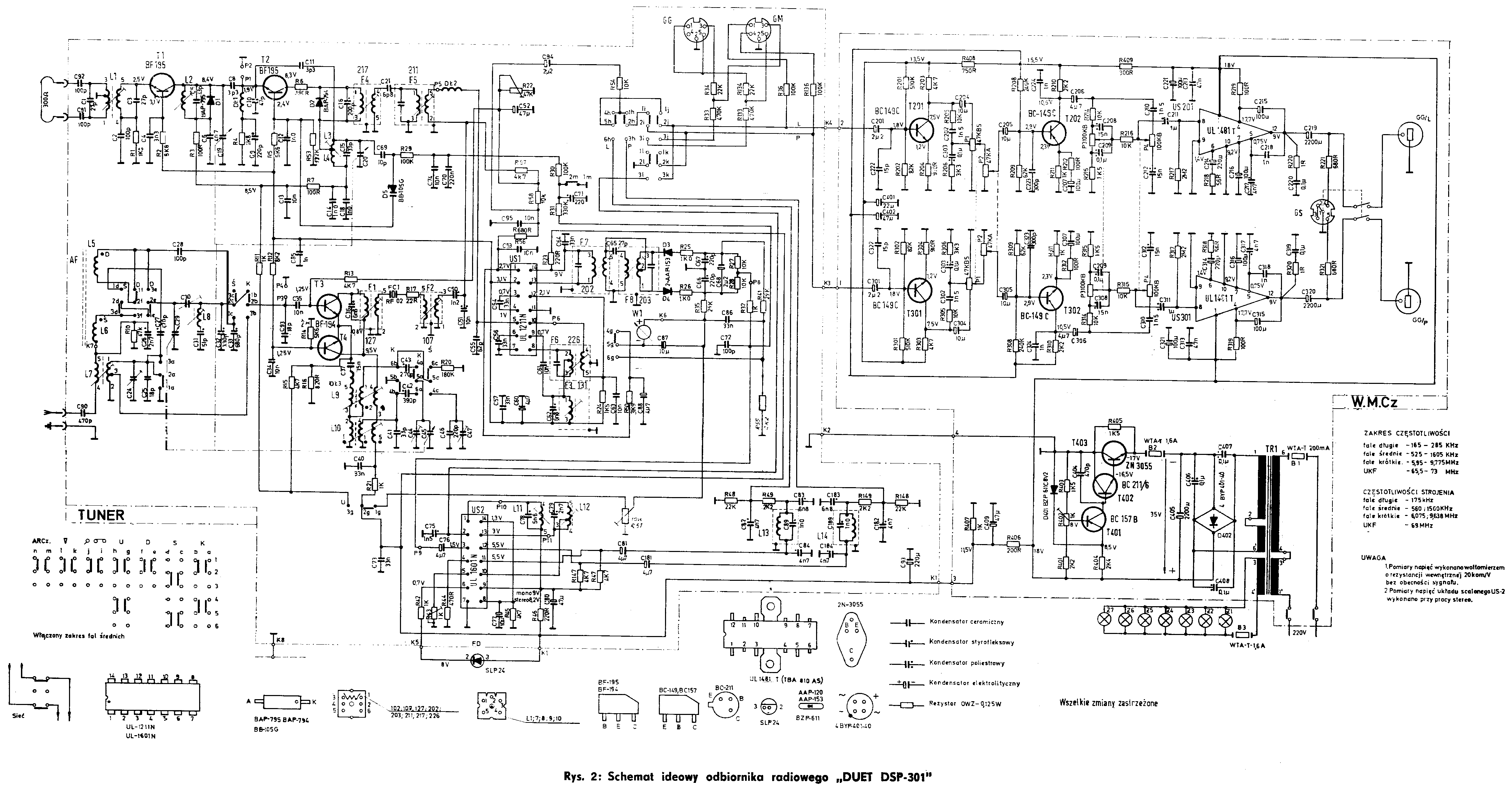
    Stołowy odbiornik stereo klasy popularnej, de facto amplituner. Wizualnie integruje się z gramofonem "Emanuel" choć gabarytowo jest nieco od niego szerszy (patrz ostatnie zdjęcie) a przez małą głębokość gramofon musi być podparty z tyłu. Charakterystyczne dwie wskazówki skali (podświetlonej na zielono), oddzielne dla zakresów D i S oraz K i U, wejście gramofonu krystalicznego oraz magnetofonu. Gniazdo słuchawkowe DIN, wychyłowy wskaźnik poziomu sygnału.