oldradio.pl katalog starej radiotechniki
 
 
Karta katalogowa nr 751
liczba wyświetleń: 9700
Producent: Diora
Model: Amor DMT-407
Rodzaj sprzętu: Radioodbiornik
Klasyfikacja: stacjonarny
Zakresy: D,S,K,U
Kraj: Polska
Rok produkcji: 1974
Zasilanie: sieć, zmienny
Wymiary: 440 x 220 x 105
Elementy aktywne: tranzystory + ukł. scalone
UL1402, tranzystory 6
Opis:
Układ elektryczny zgodny z "Juniorem". Gniazda gramofon/magnetofon, anten i masy na osobnej blaszce, zamontowanej do spodniej ścianki. Transformator również na spodniej ściance, zaś głośnik skierowany ku górze. Na tej samej płytce wyprodukowano wersję stereo, stąd dość dużo na niej wolnego miejsca pod montaż drugiego kanału.
Inne materiały:
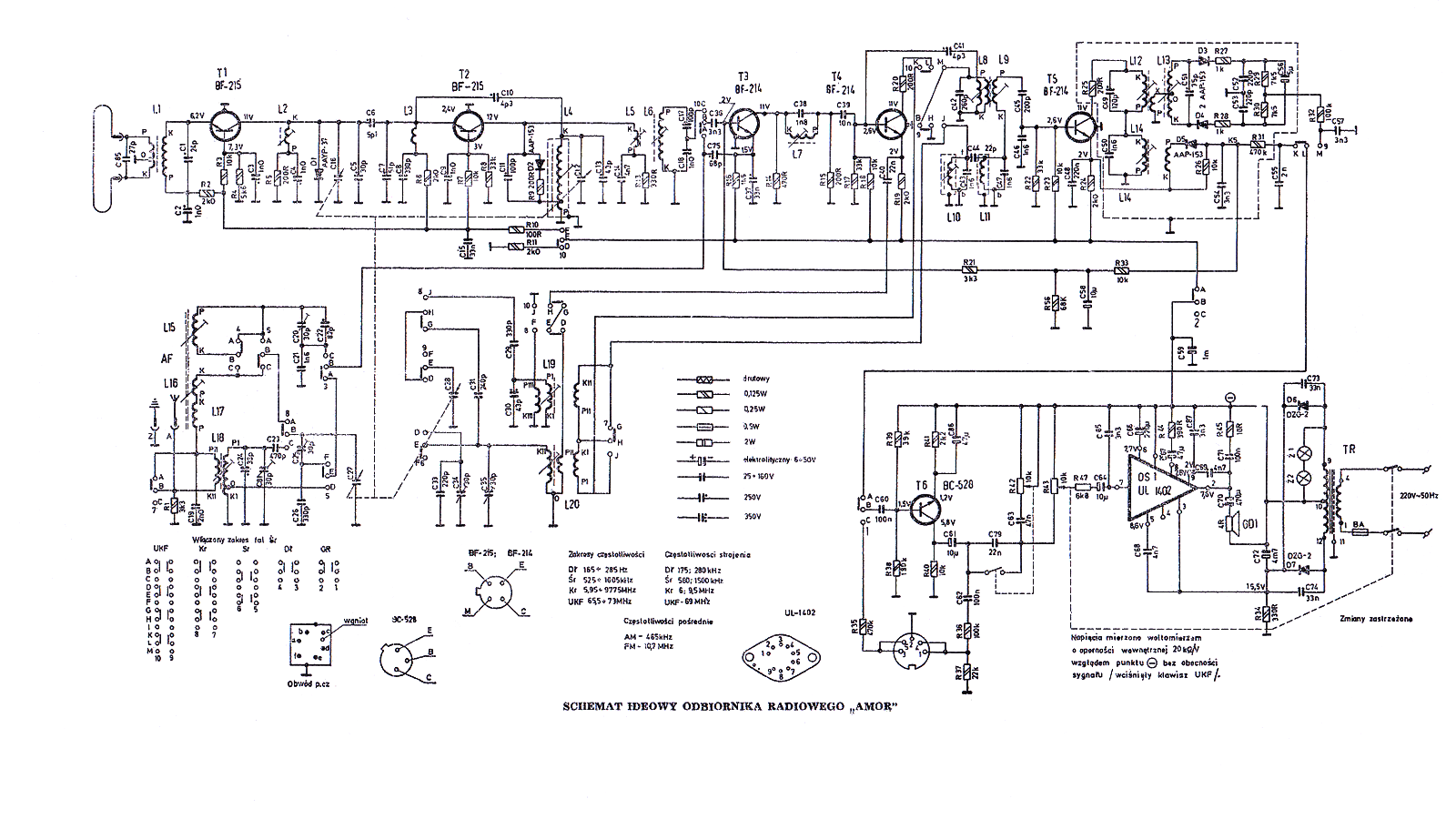
Schemat   

(1) 2011-06-19, Fiatcik, Amor DMT-407

(2) 2011-06-19, Fiatcik, Amor DMT-407

(3) 2011-06-19, Fiatcik, Amor DMT-407

(4) autor nieznany, Amor DMT-407