oldradio.pl katalog starej radiotechniki
 
 
Karta katalogowa nr 73
liczba wyświetleń: 8633
Producent: Diora
Model: Chronos DMT-441 11621
Rodzaj sprzętu: Radioodbiornik
Klasyfikacja: stacjonarny
Zakresy: D,S,K,U
Kraj: Polska
Rok produkcji: 1973
Zasilanie: sieć, zmienny
Wymiary: 285x70x185, ok. 3kg
Elementy aktywne: tranzystory
AC180/181,tranzystory 10
Opis:

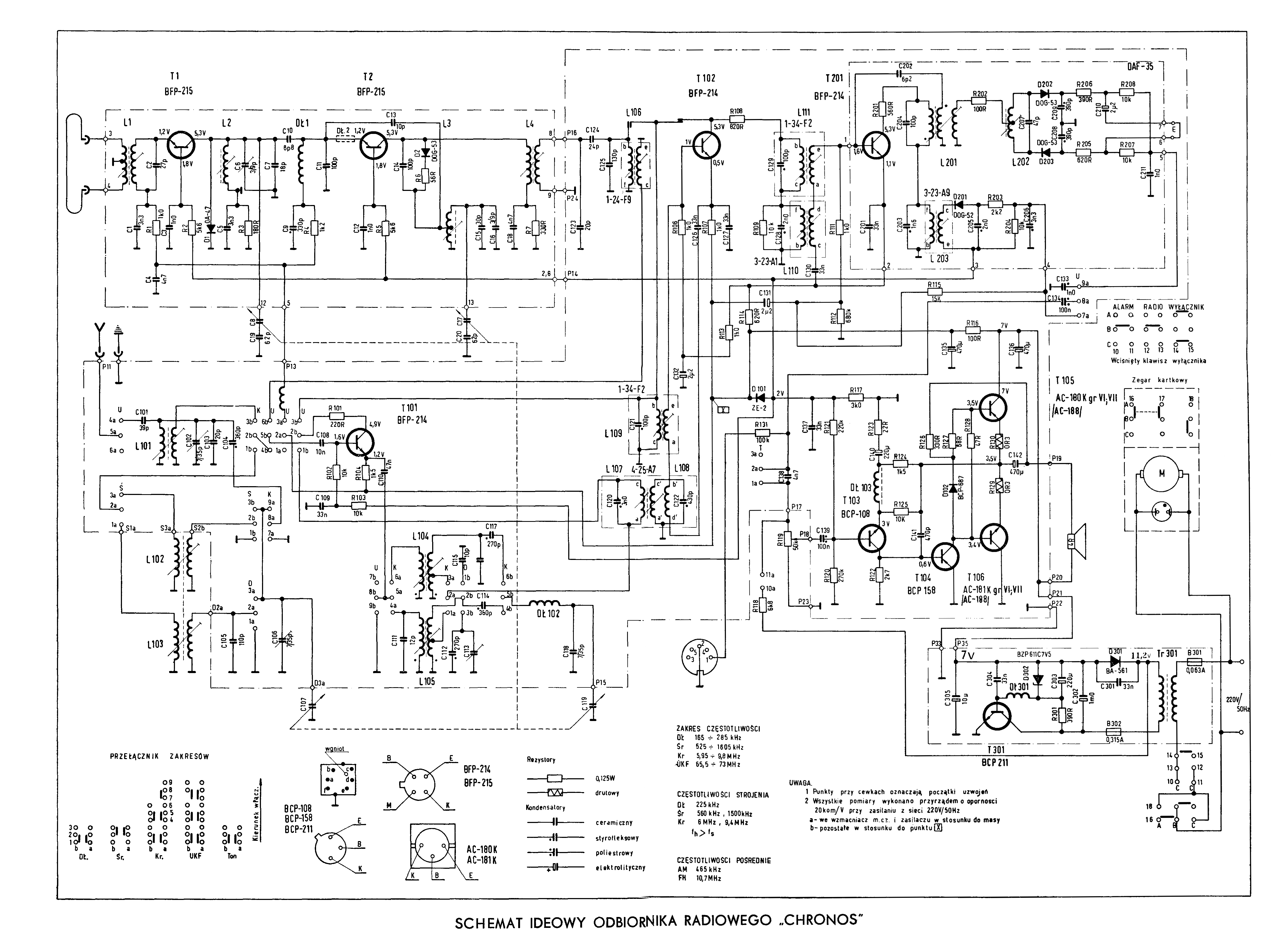
Radioodbiornik domowy z zegarem kartkowym i budzikiem. Nie jest podobny do żadnego z produkowanych w tym czasie przez Diorę odbiorników stacjonarnych. Wykorzystano w nim układ elektryczny z przenośnego radia Eliza. Zgodnie z rokiem powstania, nie ma jeszcze układów scalonych. Wzmacniacz końcowy zbudowany jest na parze AC180/181. Układ zawiera łącznie 9 tranzystorów + 1 w stabilizatorze zasilacza. Obudowa wykonana jest z ciemnego, twardego plastiku przypominającego bakelit w dawnych odbiornikach lampowych. Znaczną cześć przedniej ścianki zajmuje japoński zegar kartkowy oraz pokrętła i przyciski do niego. Zegar może pełnić funkcję budzika a także włączać i wyłączać radio o określonych godzinach. Pod przyciskami zegara znajduje się potencjometr siły głosu. Cztery przyciski przełącznika Isostat służą do włączania poszczególnych zakresów: D-S-K-U a pierwszy przycisk od lewej to skokowa regulacja barwy tonu. Nad przełącznikiem jest niewielka, prostokątna skala a obok niej po prawej pokrętło strojenia. Głośnik eliptyczny o mocy 2VA umocowany jest do górnej ścianki obudowy.  Z tyłu standardowe gniazda antenowe AM i FM oraz wyjście DIN na magnetofon.

Cały układ elektroniczny zasilany jest napięciem stabilizowanym 7V (stabilizator na BCP211 i dioda Zenera). Produkowany w latach 1973-74 w liczbie 35600 szt. Opis i schemat w RA-9/75.

Przypuszczalnie odbiornik miał się nazywać Kurant-Lux.

Inne materiały:

(1) 2022-08-12, Wojciech Pysz, Chronos DMT-441 11621

(2) 2022-07-11, Wojciech Pysz, Chronos DMT-441 11621

(3) 2004-05-09, Wojciech Pysz, mechanizm zegara

(4) 2024-07-25, Wojciech Pysz, Chronos DMT-441 11621