oldradio.pl katalog starej radiotechniki
 
 
Karta katalogowa nr 7
liczba wyświetleń: 8414
Producent: ZRK
Model: Stolica III 3263
Rodzaj sprzętu: Radioodbiornik
Klasyfikacja: stacjonarny
Zakresy: D,S,K
Kraj: Polska
Rok produkcji: 1955-59
Zasilanie: sieć, zmienny
Wymiary: 580x370x250, ok. 12 kg
Elementy aktywne: lampy
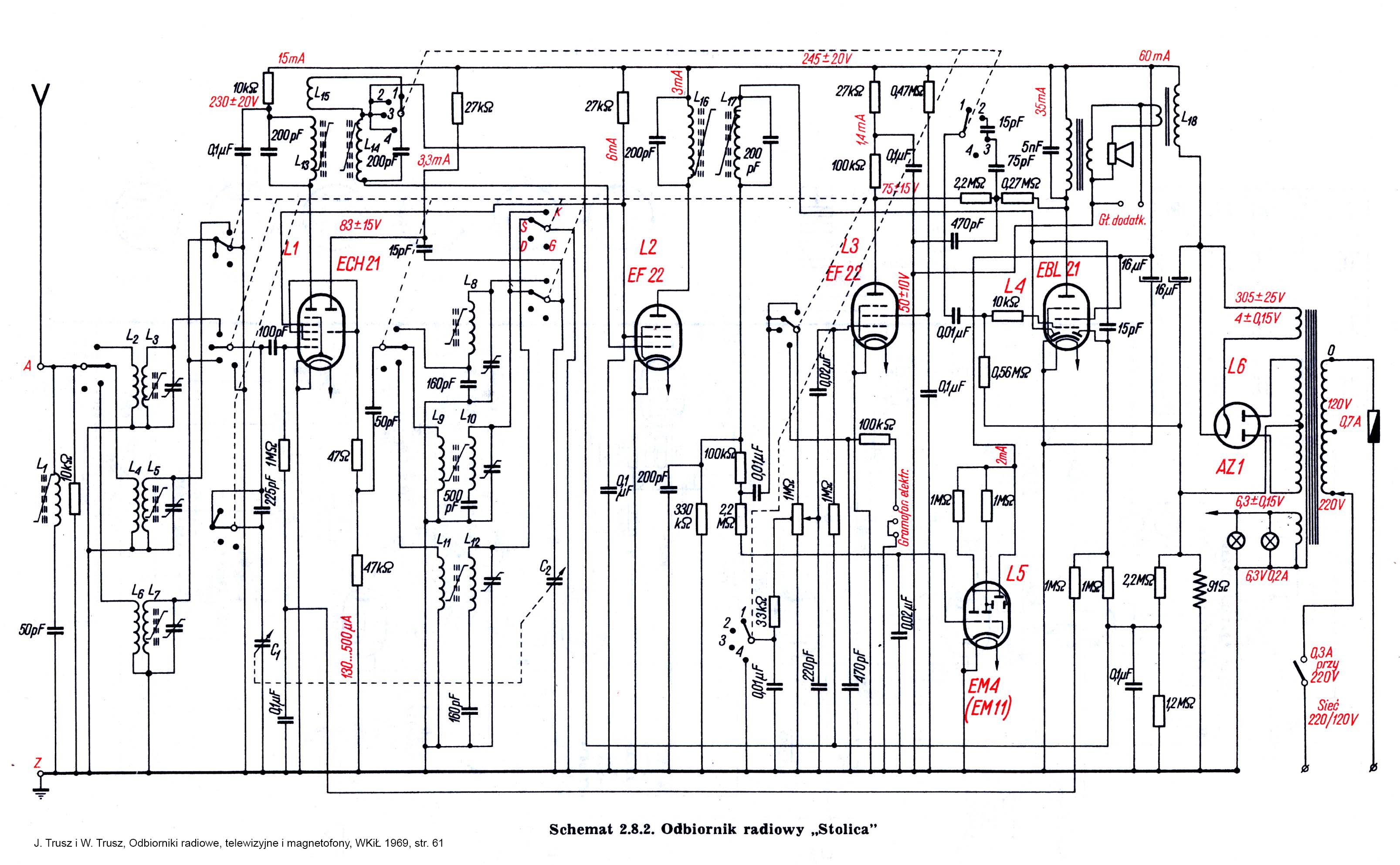
ECH21,2xEF22, EBL21,AZ1,EM4
Opis:
Stolica była następcą Syreny, pierwszego odbiornika produkowanego przez ZRK. Układ elektryczny zmieniony nieznacznie. Zmieniona obudowa, występująca w kilku wariantach.
Inne materiały:
Schemat   Reklama   Instrukcja   

(1) Wojciech Pysz, Stolica III 3263

(2) Wojciech Pysz, Stolica III 3263