oldradio.pl katalog starej radiotechniki
 
 
Karta katalogowa nr 661
liczba wyświetleń: 10051
Producent: ZSRR
Model: Zwiezda 54
Rodzaj sprzętu: Radioodbiornik
Klasyfikacja: stacjonarny
Zakresy: D,S,K
Kraj: Rosja
Rok produkcji: 1954
Zasilanie: sieć, zmienny
Wymiary: 530x320x180
Elementy aktywne: lampy
6A7,6Ż3P,6H2P,6Ż3P,6P1P
Opis:
Produkowany był na licencji francuskiego Excelsiora w dwóch zakładach: Харьковский завод КОММУНАР (Charkowska Fabryka KOMMUNAR) oraz Московский завод МОСПРИБОР (Moskiewska Fabryka MOSPRIBOR).
Inne materiały:
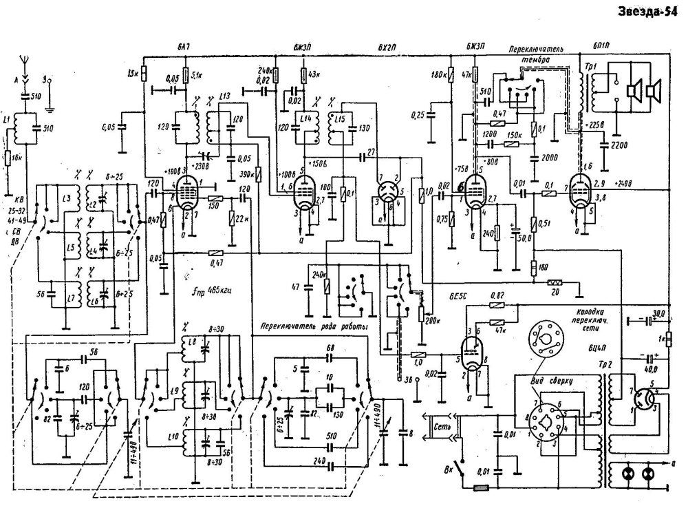
Schemat   

(1) autor nieznany, Zwiezda 54