oldradio.pl katalog starej radiotechniki
 
 
Karta katalogowa nr 660
liczba wyświetleń: 7816
Producent: ZRK
Model: RR-3050
Rodzaj sprzętu: Radio-magnetofon
Klasyfikacja: przenośny
Zakresy: D,S,K,U
Kraj: Polska
Rok produkcji: 198x
Zasilanie: sieć lub baterie
Elementy aktywne: tranzystory
Opis:
Końcówka lat 80. i początek 90., na co wskazuje nowe logo ZRK (nie Unitra).
Inne materiały:
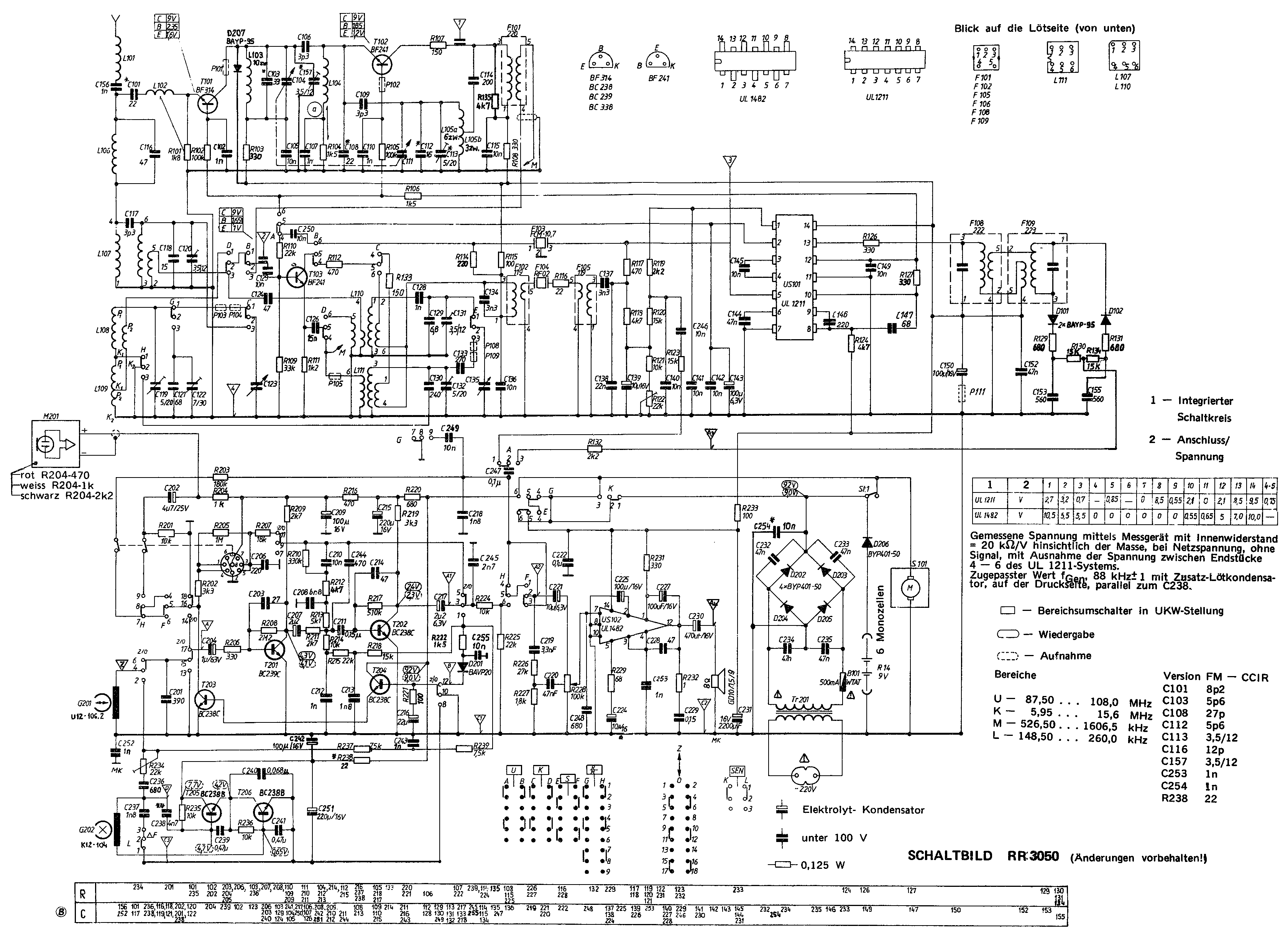
Schemat   

(1) Allegro (Zalwa007), RR-3050

(2) Allegro (Zalwa007), RR-3050

(3) Allegro (Zalwa007), RR-3050

(4) Allegro (Zalwa007), RR-3050