oldradio.pl katalog starej radiotechniki
 
 
Karta katalogowa nr 650
liczba wyświetleń: 24216
Producent: Diora
Model: Taraban DMP 502
Rodzaj sprzętu: Radioodbiornik
Klasyfikacja: stacjonarny
Zakresy: D,S,K,U
Kraj: Polska
Rok produkcji: 1979
Zasilanie: sieć, zmienny
Wymiary: 565x155x185, ciężar ok. 5 kg
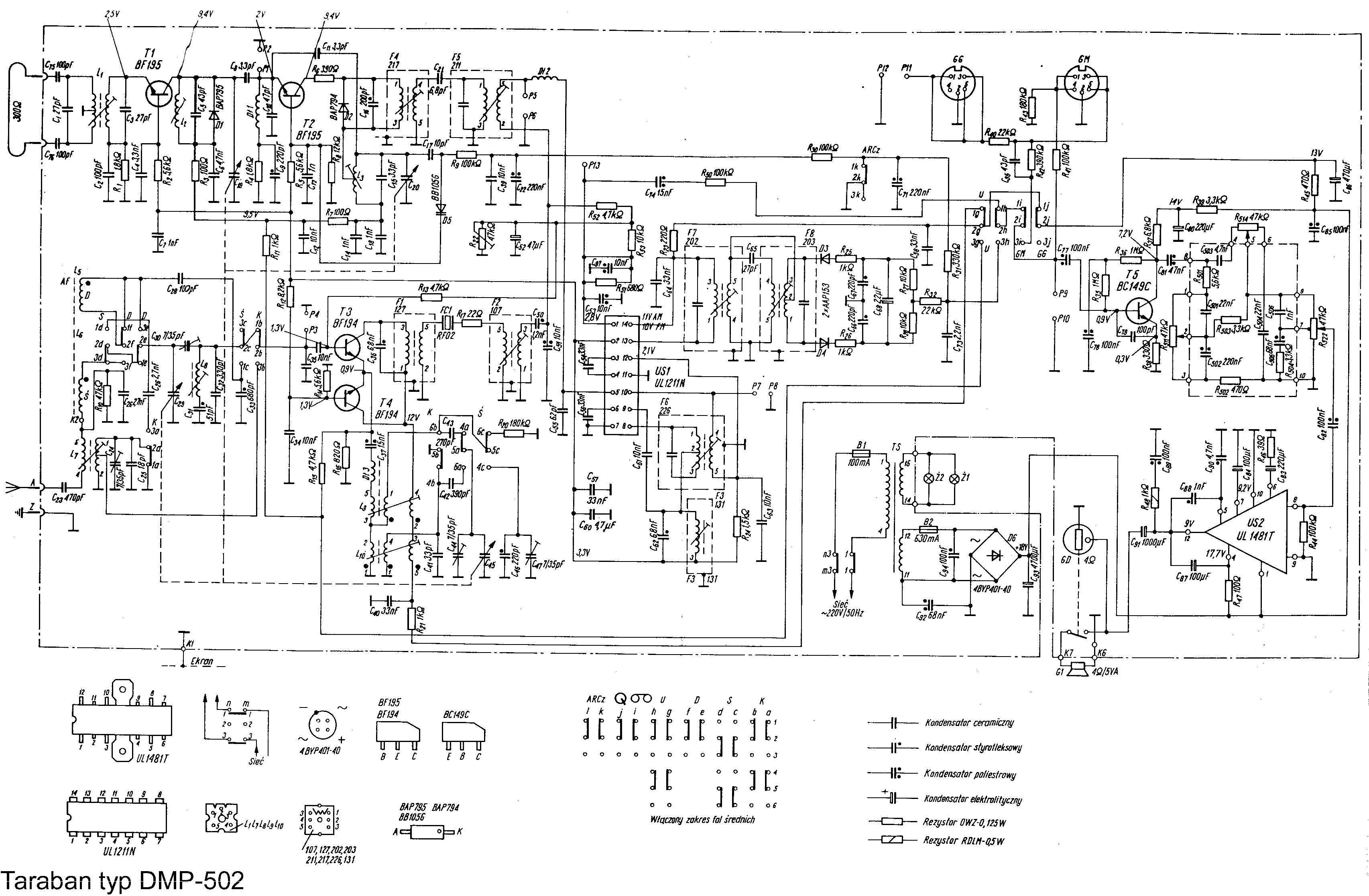
Elementy aktywne: tranzystory + ukł. scalone
UL1481T,UL1211N, tranzystory 5
Opis:

Monofoniczny odbiornik domowy o podwyższonych parametrach użytkowych. Regulacja barwy dźwieku dla tonów wysokich i niskich. Szeroka, dobrze oświetlona skala. Wzmacniacz 3,5W i głośnik 5W. Na falach Kr pasma 31, 41 i 49 m, UKF OIRT 66,6-73MHz. Identyczny układ elektryczny miał Taraban-2 DMP 602, róznica tylko w wyglądzie obudowy. Wzmianka w RE-2/79.

Inne materiały:

(1) Fiatcik, Taraban DMP 502

(2) Fiatcik, Taraban DMP 502

(3) Fiatcik, Taraban DMP 502