 
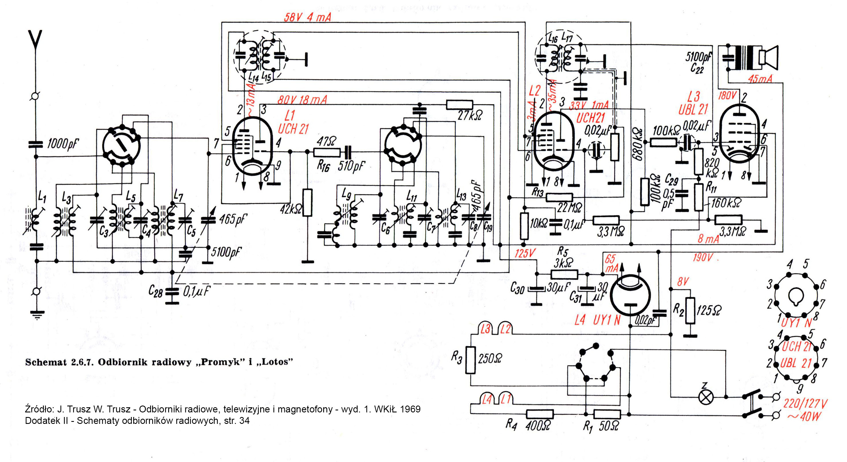
    Układ elektryczny jak w Promyku 6171 lecz bez przełącznika napięcia zasilania 220/120 V (jest miejsce na przełącznik). Skrzynka jest o 3 cm dłuższa i 2 cm wyższa. Jest to obudowa z Nokturna 6174, pozbawiona wycięcia na klawisze. W Promyku 6171 chassis zamocowane było do bocznych ścianek obudowy. Tutaj, w celu zamocowania w szerszej obudowie, chassis ma blaszane nóżki, które opierają się na dolnej podstawie obudowy i przykręcone są do znajdujących się w dnie obudowy otworów.
W Promyku 20402 skala jest na całą szerokość odbiornika, obejmuje także gałki. W Promyku 6171 skala była krótsza, a osie elementów regulacyjnych umieszczone w otworach obudowy. Nowością w konstrukcji odbiornika jest umieszczenie na płytce drukowanej elementów LC obwodów wejściowych i heterodyny w module przełącznika.
Promyk był najdłużej produkowanym w Polsce (być może i na świecie) odbiornikiem uniwersalnym na lampach serii "U".