oldradio.pl katalog starej radiotechniki
 
 
Karta katalogowa nr 52
liczba wyświetleń: 29144
Producent: Diora
Model: Menuet 6204
Rodzaj sprzętu: Radioodbiornik
Klasyfikacja: stacjonarny z gramofonem
Zakresy: D,S,K1,K2
Kraj: Polska
Rok produkcji: 1961-66
Zasilanie: sieć, zmienny
Wymiary: 600x384x310, 14 kg
Elementy aktywne: lampy
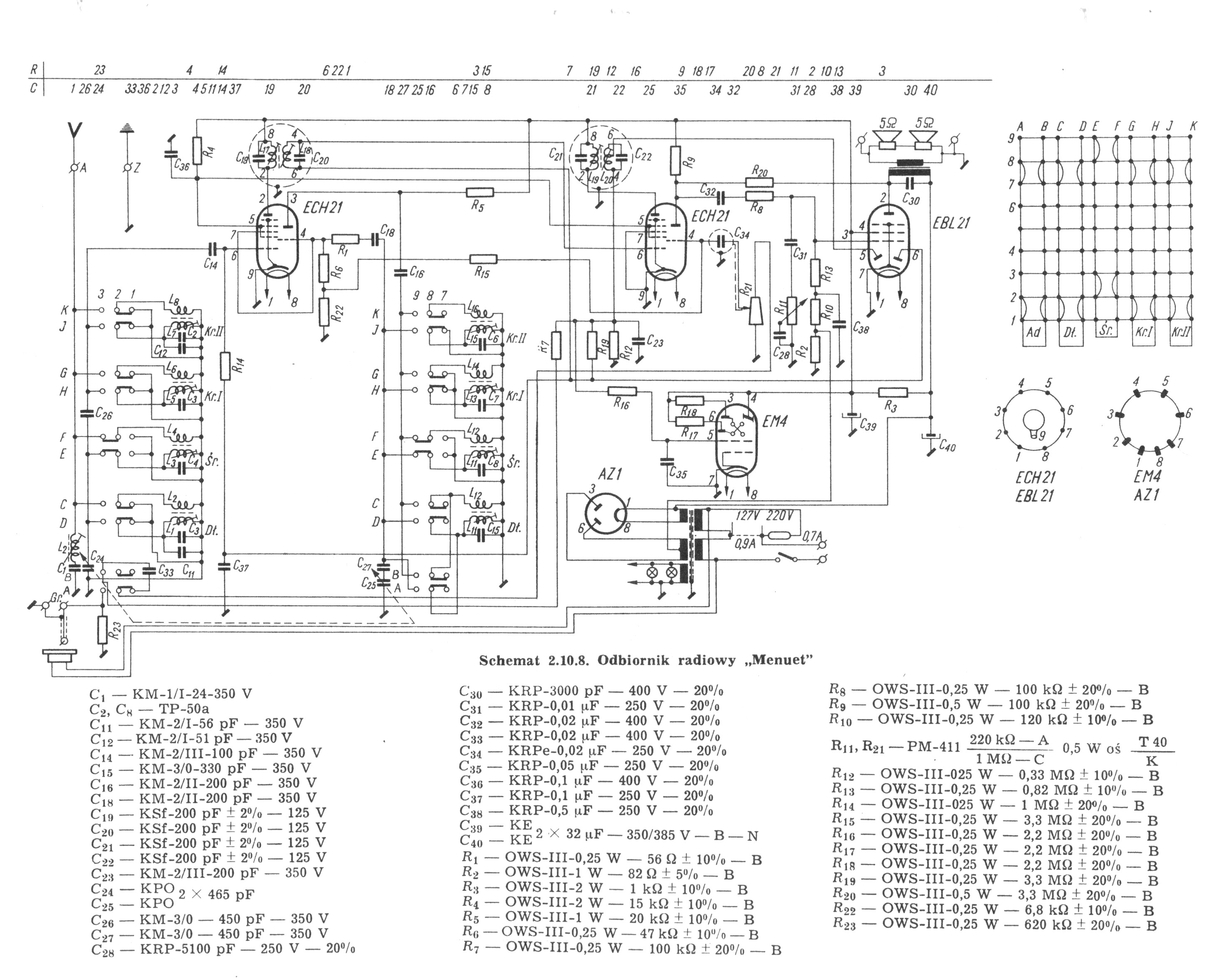
2xECH21,EBL21,AZ1,EM80
Opis:

Wyposażony w gramofon - początkowo typ GE-56, później GE-211. Zasilanie napięciem zmiennym 220 lub 127 V. Rozwinięcie konstrukcyjne Serenady. Wyższe słupki do mocowania żarówek, z powodu wyższej szyby skali. Gałki identyczne, jak w odbiorniku Sonata. Kondensatory stałe - DELMA w rurkach plastikowych lub papierowe bez rurek Telpod, kondensatory w obwodach w.cz. - mikowe, oporniki - Telpod, kątowe. Dostrojenie obwodów - trymery aluminiowe na przełączniku. Filtry p.cz. w kubkach, strojone od dołu i od góry. Kondensator zmienny typu "Pionier". Potencjometr podwójny z wyłącznikiem. Transformator głośnikowy zamocowany na chassis. Dwa głośniki GD 18-13/2 wyprowadzone na boczne ścianki i połączone szeregowo. Ramka mosiądzowana wokół przedniej ścianki, nie ma ramki koło klawiszy przełącznika zakresów (w odróżnieniu od "Serenady").

Ostatni odbiornik Diory - w momencie zakończenia produkcji - na lampach z cokołem loctal. Ponadto jeden z ostatnich, w którym zastosowano klasyczny montaż przestrzenny z wykorzystaniem długiej łączówki. Z późnych modeli podobny montaż występował w odbiorniku Romans. Wczesne wersje przygotowywane z lampą EM4. Kompletna instrukcja na blogu Menuet.

Inne materiały:

(1) 2021-03-09, mit.krakow.pl, Menuet 6204

(2) 2021-03-09, mit.krakow.pl, Menuet 6204

(3) 2009-10, Mikołaj Berliński, Menuet 6204

(4) 2009-10, Mikołaj Berliński, Menuet 6204

(5) 2009-10, Mikołaj Berliński, Menuet 6204