oldradio.pl katalog starej radiotechniki
 
 
Karta katalogowa nr 491
liczba wyświetleń: 8603
Producent: Diora
Model: Ewa 2B
Rodzaj sprzętu: Radioodbiornik
Klasyfikacja: przenośny mono
Zakresy: D,S,K1,K2,U
Kraj: Polska
Rok produkcji: 1974
Zasilanie: bateryjne
Elementy aktywne: tranzystory
AC187/188, tranzystory
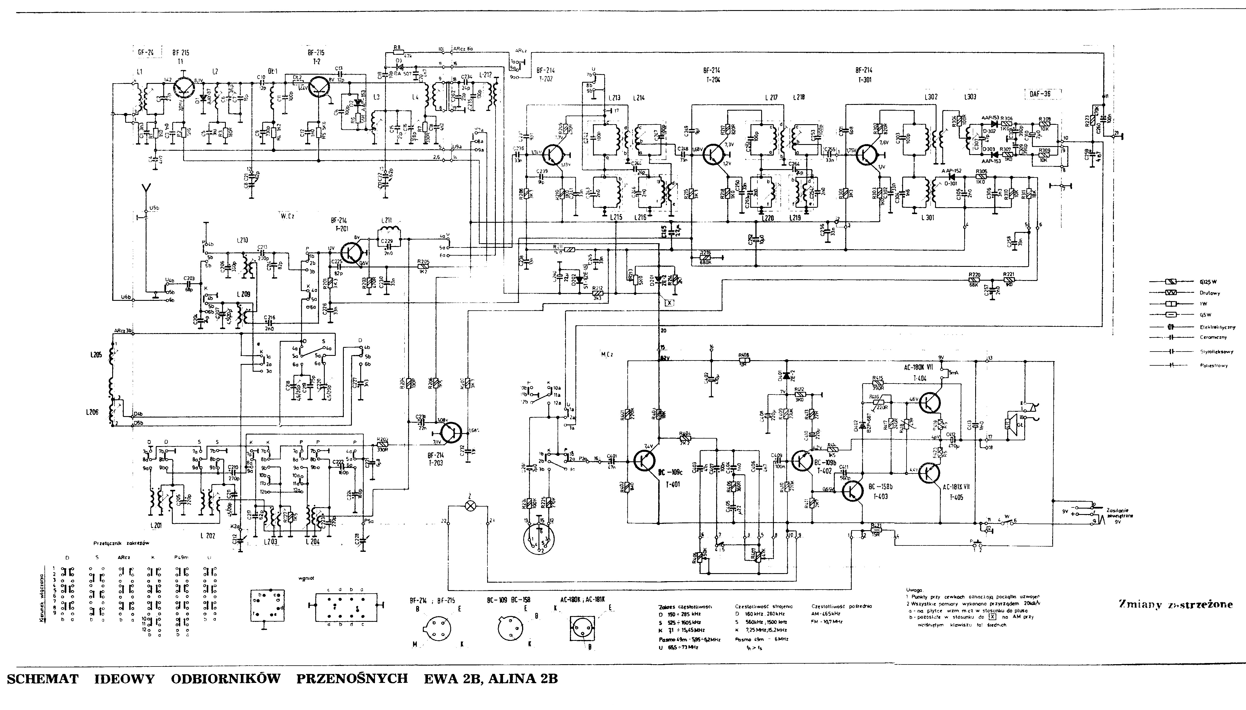
Opis:
Kolejna modyfikacja Ewy. Najbardziej widoczna zmiana w stosunku do poprzedniej Ewy 2 to nowoczesny kondensator zmienny z przekładnią oraz beztransformatorowy wzmacniacz mocy (odbiornik jest dzięki temu lżejszy). Nadal obudowa wykonana jest ze sklejki i płyty pilśniowej, oklejona dermą ("skay"). Niezmieniony głośnik GD14-9/2/3 2VA 4 Ohm.

Zasilanie 9V (4xR14) lub z zasilacza zewnętrznego. Gniazda: gramofon/magnetofon, słuchawkowe, zasilacza zewnętrznego. Większość tranzystorów to krzemowe.

Z napotkanej instrukcji serwisowej można się dowiedzieć, że istniała również wersja Ewa 2K oraz Alina 2K.
Inne materiały:

(1) 2005-04-30, Wojciech Pysz, Ewa 2B

(2) 2005-04-30, Wojciech Pysz, Ewa 2B

(3) 2005-05-03, Wojciech Pysz, Ewa 2B

(4) 2005-04-30, Wojciech Pysz, Ewa 2B

(5) 2005-05-03, Wojciech Pysz, Ewa 2B