oldradio.pl katalog starej radiotechniki
 
 
Karta katalogowa nr 471
liczba wyświetleń: 25861
Producent: Unitra Rz
Model: Roksana R601
Rodzaj sprzętu: Radioodbiornik
Klasyfikacja: przenośny mono
Zakresy: DSK6U
Kraj: Polska
Rok produkcji: 1985
Zasilanie: sieć lub baterie
Wymiary: 235x147x44
Elementy aktywne: tranzystory + ukł. scalone
UL1497, UL1211N, tranzystory 9
Opis:

Odbiornik opisuje konstruktor, mgr inż. Marek Habrat:

Pracę w Unitrze rozpocząłem w 1981. Było wtedy wielkie "zapotrzebowanie" na fale krótkie (m.in. ze względu na odbiór audycji RWE). Ówczesny szef działu konstrukcyjnego, inż. J.Górka przywiózł z COBRESPU* odbiornik Yacht-Boy f-my Grundig. Właśnie na nim wzorowałem się projektując R-601.
R-601 to nazwa wg bydgoskiego kodu, Roksana to imię zainspirowane piosenką grupy Police.
Fale krótkie z pojedynczą przemianą częstotliwości. Diodowy układ ARW, wzmacniacz w.cz. z tranzystorem FET i suwakowy przełącznik podzakresów to rozwiązania zaczerpnięte z Grundiga. P.cz i m.cz typowe. Skokowa zmiana barwy tonu i aktywny filtr zasilacza sieciowego mojego pomysłu.
Zasilanie: 6 x AA lub sieć 220V.
W założeniu OR miał być tani, więc zbudowany wyłącznie z krajowych elementów a zarazem mieć wymiary Yacht-Boya (grubość 45 mm). Nie było to łatwe zadanie. Dwa potężne, powietrzne kondensatory obrotowe produkowane w Bydgoszczy zmieściły się tylko dzięki pomysłowości konstruktorów-mechaników (większy zamaskowany jest nadrukiem skali).
Przełącznik podzakresów krótkofalowych to przeróbka trójpozycyjnego przełącznika z OR DANA.
W końcu udało się i przez kilka lat Roksana była produkowana i sprzedawana nie tylko w kraju (była wersja z UKF - CCIR).
Radio do dziś gra u mnie w domu.
Powstała również wersja Roksany o nazwie Skand R-628 - produkowana już przez spółkę UNITREX.


* Centralny Ośrodek Badawczo Rozwojowy Elektronicznego Sprzętu Powszechnego Użytku

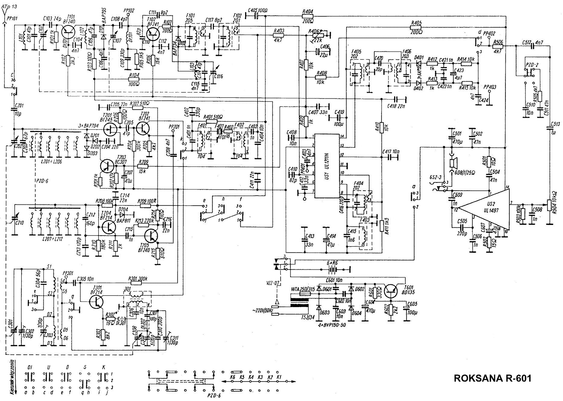
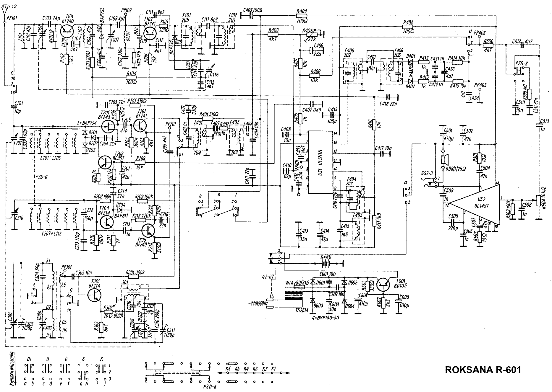
Schemat zawiera drobne  błędy graficzne ( kreślarskie ) z czasów projektowania odbiornika.
Dla porównania "Schemat poprawiony".

Inne materiały:

(1) 2008-04-20, Marek Habrat,

(2) 2003-05-04, Wojciech Pysz, Roksana R601

(3) 2003-05-04, Wojciech Pysz, Roksana R601

(4) 2003-05-04, Wojciech Pysz, Roksana R601

(5) 2008-04-20, Marek Habrat,

(6) 2010-10-31, Marek Habrat, Roksana z wysuniętą rączką

(7) 2013-05-02, Marek Habrat, Roksana R601

(8) 2021-02-08, Marek Habrat, Napęd skali

(9) 2010-12-05, autor nieznany, Odbiornik Yacht-Boy 100