oldradio.pl katalog starej radiotechniki
 
 
Karta katalogowa nr 39
liczba wyświetleń: 10175
Producent: Diora
Model: Lotos 6191
Rodzaj sprzętu: Radioodbiornik
Klasyfikacja: stacjonarny
Zakresy: D,S,K
Kraj: Polska
Rok produkcji: 1957
Zasilanie: sieć, uniwersalny
Wymiary: 378x266x198
Elementy aktywne: lampy
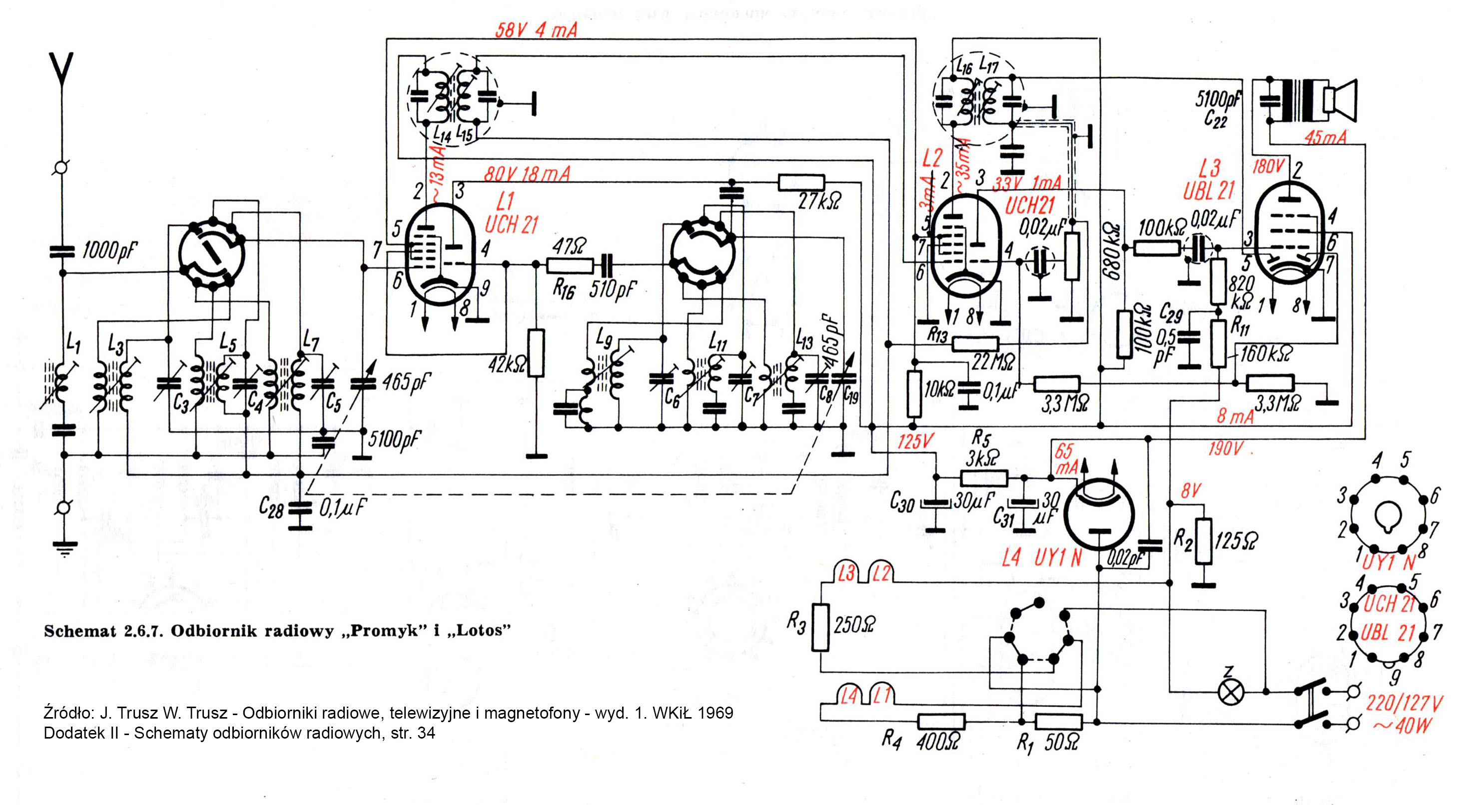
2xUCH21,UBL21,UY1N
Opis:

Kolejny odbiornik z klasycznym układem elektrycznym Pioniera. Lotos, to praktycznie to samo co Promyk, w którym bakelitową skrzynkę zastąpiono drewnianą. W identycznej obudowie produkowany był bateryjny Juhas a w katalogach zapowiadany był także Pionier-III.

Lotos trafił do "Kącika Pioniera" ze względu na układ elektryczny i producenta.

Inne materiały:

(1) 2009-01, Ryszard Sobociński, Lotos 6191

(2) 2009-01, Ryszard Sobociński, Lotos 6191

(3) 2009-01, Ryszard Sobociński, Lotos 6191

(4) 2009-01, Ryszard Sobociński, Lotos 6191

(5) 2009-01, Ryszard Sobociński, Lotos 6191

(6) 2024-07-20, Wojciech Pysz, Lotos 6191

(7) 2024-07-20, Wojciech Pysz, Lotos 6191

(8) 2024-07-20, Wojciech Pysz, Lotos 6191