oldradio.pl katalog starej radiotechniki
 
 
Karta katalogowa nr 364
liczba wyświetleń: 8104
Producent: Radiopribor
Model: Ałmaz
Rodzaj sprzętu: Radioodbiornik
Klasyfikacja: przenośny mono
Zakresy: D,S
Kraj: Rosja
Rok produkcji: 1965
Zasilanie: bateryjne
Elementy aktywne: tranzystory
Opis:
Małogabarytowy, tranzystorowy odbiornik z fabryki w dawnym Leningradzie. Posiada możliwość odbioru na dwóch zakresach fal: długich i średnich. Oferowany wraz z skórzanym futerałem. Zasilanie: bateria 9V.
Inne materiały:
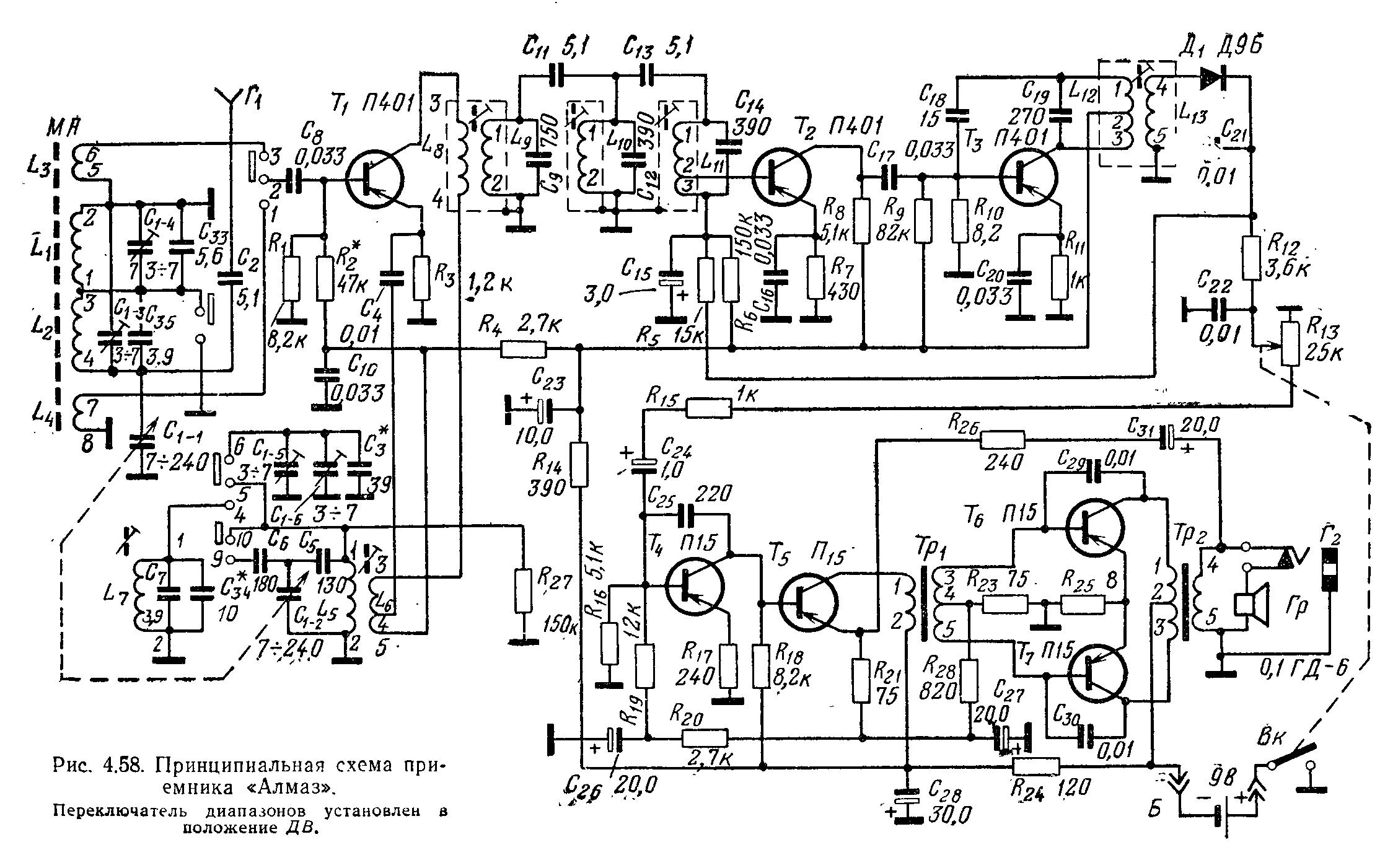
Schemat   

(1) 2002-04-01, Wojciech Pysz, Ałmaz

(2) 2002-04-01, Wojciech Pysz, Ałmaz

(3) 2002-04-01, Wojciech Pysz, Ałmaz

(4) 2009-10-14, autor nieznany, Ałmaz