oldradio.pl katalog starej radiotechniki
 
 
Karta katalogowa nr 340
liczba wyświetleń: 10069
Producent: Eltra
Model: Sylwia MOT 633
Rodzaj sprzętu: Radioodbiornik
Klasyfikacja: przenośny mono
Zakresy: D,S
Kraj: Polska
Rok produkcji: 1966
Zasilanie: bateryjne
Wymiary: 160x90x38, ok. 0,5kG
Elementy aktywne: tranzystory
TG50x2, tranzystory 6
Opis:

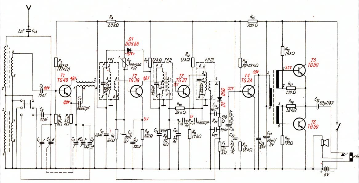
W roku 1965 zasłużonego "Kolibra" zastępuje "Sylwia". Od ostatniego, trzeciego Kolibra niewiele się różni. Wzmacniacz w układzie przeciwsobnym na 2xTG50, ogólna liczba tranzystorów zmniejszona do 6, nie ma gniazda do przystawki zegarowej. Płytka drukowana z Kolibra-3, na niej nawet identyczne oznaczenie: MOT-633. Zasilanie 4x1,5V. Aby wymienić baterie, trzeba odkręcić całą tylną pokrywę. Schemat i opis w RA-12/66/s.299.

Inne materiały:
Schemat   

(1) 2003-06-22, Wojciech Pysz, Sylwia MOT 633

(2) 2003-06-22, Wojciech Pysz, Sylwia MOT 633

(3) 2003-06-22, Wojciech Pysz, Sylwia MOT 633

(4) 06.2012, T.Rutkowski, Sylwia MOT 633

(5) 06.2012, T.Rutkowski, Sylwia MOT 633

(6) 06.2012, T.Rutkowski, Sylwia MOT 633

(7) 06.2012, T.Rutkowski, Sylwia MOT 633

(8) 06.2012, T.Rutkowski, Sylwia MOT 633

(9) 2021-01, autor nieznany, Opakowanie

(10) 2021-01, autor nieznany, Opakowanie