oldradio.pl katalog starej radiotechniki
 
 
Karta katalogowa nr 336
liczba wyświetleń: 11018
Producent: Radiotehnika
Model: Selga
Rodzaj sprzętu: Radioodbiornik
Klasyfikacja: przenośny mono
Zakresy: D,S
Kraj: Łotwa
Rok produkcji: 1963
Zasilanie: bateryjne
Wymiary: 170x99x40, ok. 600G
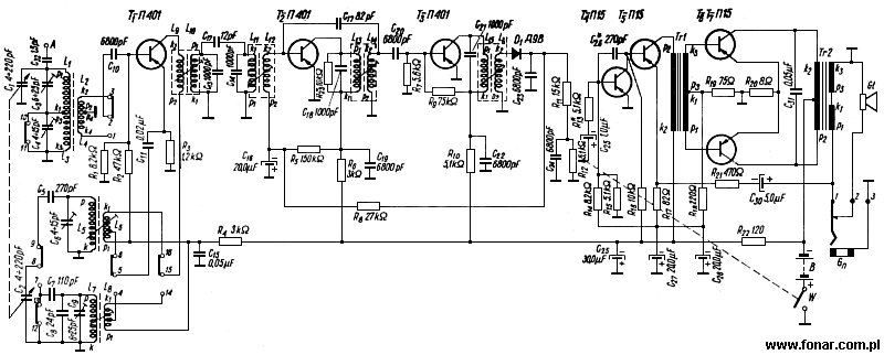
Elementy aktywne: tranzystory
P15x2, tranzystory 7
Opis:
Produkowany przez Ryżską Fabrykę Radioodbiorników im. A. S. Popowa.
Stopień mocy przeciwsobny, dwa transformatory. Zasilanie 9V. Opis w RA-7/65, 11/65.
Cena 1400 zł.
Inne materiały:

(1) 2003-06-22, Wojciech Pysz, Selga

(2) 2003-06-22, Wojciech Pysz, Selga

(3) 2003-06-22, Wojciech Pysz, Selga

(4) autor nieznany, Selga