oldradio.pl katalog starej radiotechniki
 
 
Karta katalogowa nr 329
liczba wyświetleń: 11458
Producent: ZRK
Model: Arkona
Rodzaj sprzętu: Radioodbiornik
Klasyfikacja: stacjonarny z gramofonem
Zakresy: D,S,K,U
Kraj: Polska
Rok produkcji: 1964
Zasilanie: sieć, zmienny
Wymiary: 645x706x347, ok. 15kG
Elementy aktywne: lampy
ECC85,ECH81,EBF89, ECL82,EM80,SPS6B
Opis:
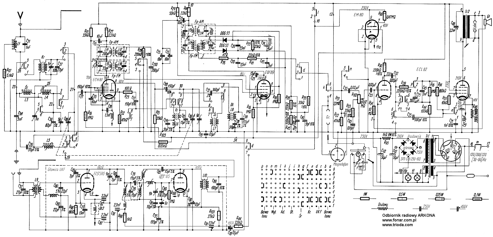
Kanciaste, ale ładne kształty. Chassis pochodne od odbiornika "Światowid". Jeden głośnik szerokopasmowy GDS 18-13/2. Brak regulacji tonów, funkcję zwężania pasma akustycznego pełnią klawisze Mowa i Pasmo na końcach klawiatury. Dedykowany klawisz Gramofon. Włączanie odbiornika dowolnym klawiszem, wyłączanie oddzielnym klawiszem Wył. Na wysokich nogach do stawiania na podłodze. Pod radiem na tych nogach podwieszony gramofon G-211 w dedykowanej skrzynce. Opis i schemat w RA-6/64/s.142.
Inne materiały:
schemat   

(1) Allegro (dubliner8), Arkona