oldradio.pl katalog starej radiotechniki
 
 
Karta katalogowa nr 319
liczba wyświetleń: 12206
Producent: Diora
Model: Mazur II 6262
Rodzaj sprzętu: Radioodbiornik
Klasyfikacja: stacjonarny
Zakresy: D,S,K
Kraj: Polska
Rok produkcji: 1956-57
Zasilanie: sieć, zmienny
Wymiary: 499x337x195 / ok. 10 kG
Elementy aktywne: lampy
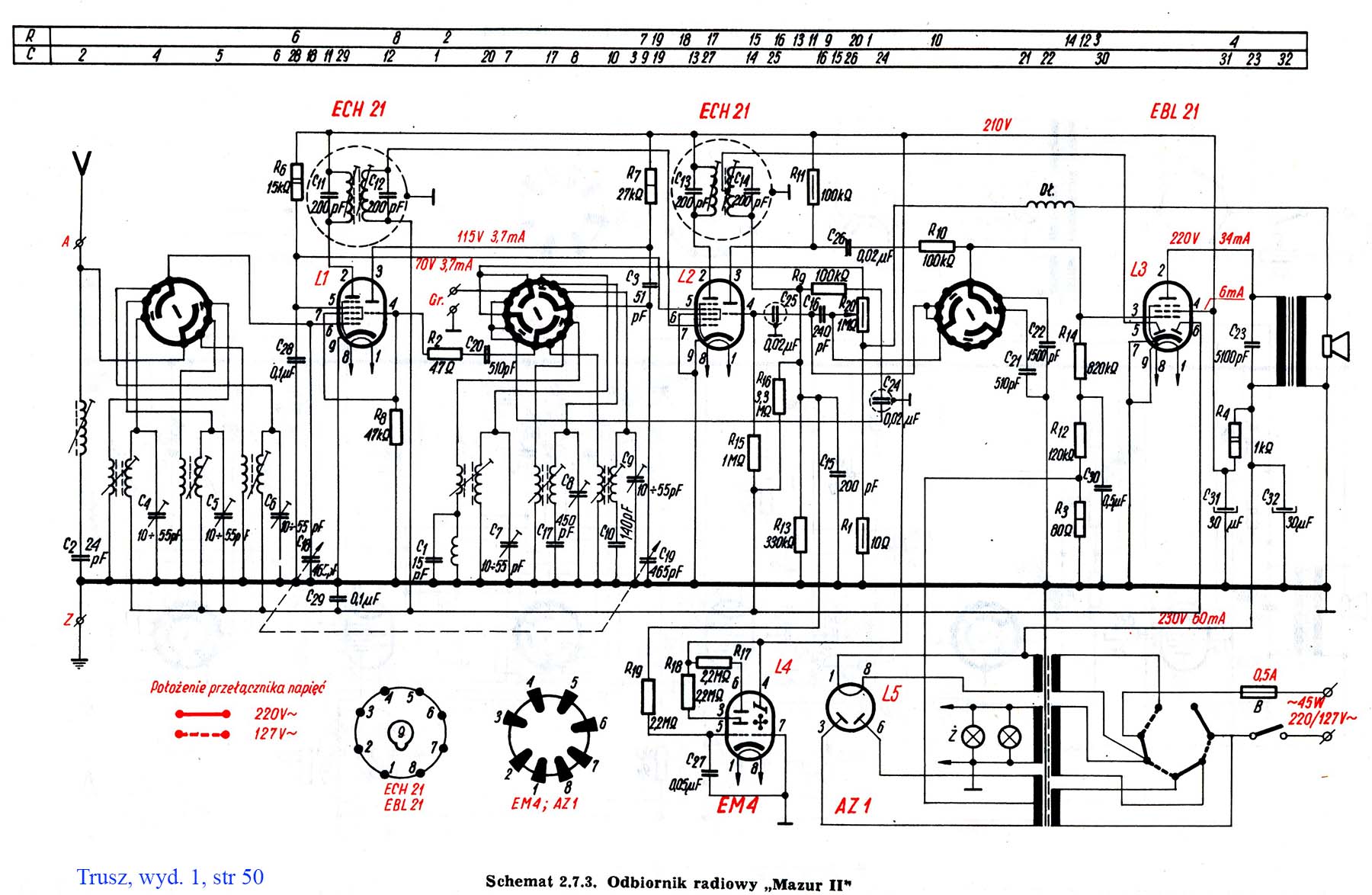
2xECH21,EBL21,AZ1,EM4
Opis:

Jest to modyfikacja  odbiornika Mazur I. Dodany został wskaźnik dostrojenia, zwiększyły się rozmiary obudowy..

Zarówno Mazur I jak i Mazur II nie są zewnętrznie podobne do  Mazura, do którego nazwy dodano numery. Największą różnicą jest pozioma skala zamiast kwadratowej, znacznie większa skrzynka i nowy wzór gałek.

Liczba wyprodukowanych egzemplarzy wyniosła 3794 szt..

Inne materiały:
Schemat   

(1) 2002-03-08, Wojciech Pysz, Mazur II 6262

(2) 2002-03-08, Wojciech Pysz, Mazur II 6262

(3) 2005-06-08, z allegro.pl, Mazur II 6262