oldradio.pl katalog starej radiotechniki
 
 
Karta katalogowa nr 307
liczba wyświetleń: 18923
Producent: ZRK
Model: MK 125
Rodzaj sprzętu: Magnetofon
Klasyfikacja: kasetowy przenośny
Kraj: Polska
Rok produkcji: 1971
Zasilanie: bateryjne
Wymiary: 209 x 230 x 65
Elementy aktywne: tranzystory
AC180/181,tranzystory 10
Opis:
Magnetofon kasetowy, przenośny, oparty na licencji francuskiej f-my Thomson.
Zasilanie 9V (6 ogniw R20). W miejsce ogniw można włożyć zasilacz ZMK-1 lub ZMK-2. Zasilacz może być również podłączony przy pomocy kabla KZ-1 bez wyjmowania baterii. Jako zasilacz zewnętrzny również można było stosować zasilacz ZOT-1.
Konstrukcja przełącznika klawiszowego umożliwia sterowanie magnetofonem ustawionym w pozycji poziomej lub pionowej.
Do wyposażenia należy także mikrofon z wyłącznikiem, umożliwiającym uruchamianie magnetofonu podczas nagrywania, bez sięgania do samego magnetofonu. Możliwość włączenia automatycznej regulacji poziomu zapisu przy nagrywaniu. Do przenoszenia służy wysuwana rączka, pasek przypinany do magnetofonu lub jeden z dwóch typów pokrowiec z dermy.
Mało kto wie ale magnetofon był przewidziany również do montażu w samochodzie. Montowano go w specjalnej uchwycie (wieszaku) w pozycji odwróconej (głośnikiem do dołu) w tym celu umieszczono na magnetofonie odwrócone napisy. Obsługę magnetofonu w tej pozycji ułatwiają klawisze dające się wciskać (oprócz klawisza " zapis"). Magnetofon można było zasilacz z akumulatora samochodowego za pomocą specjalnego kabla z reduktorem napięcia i bezpiecznikiem.
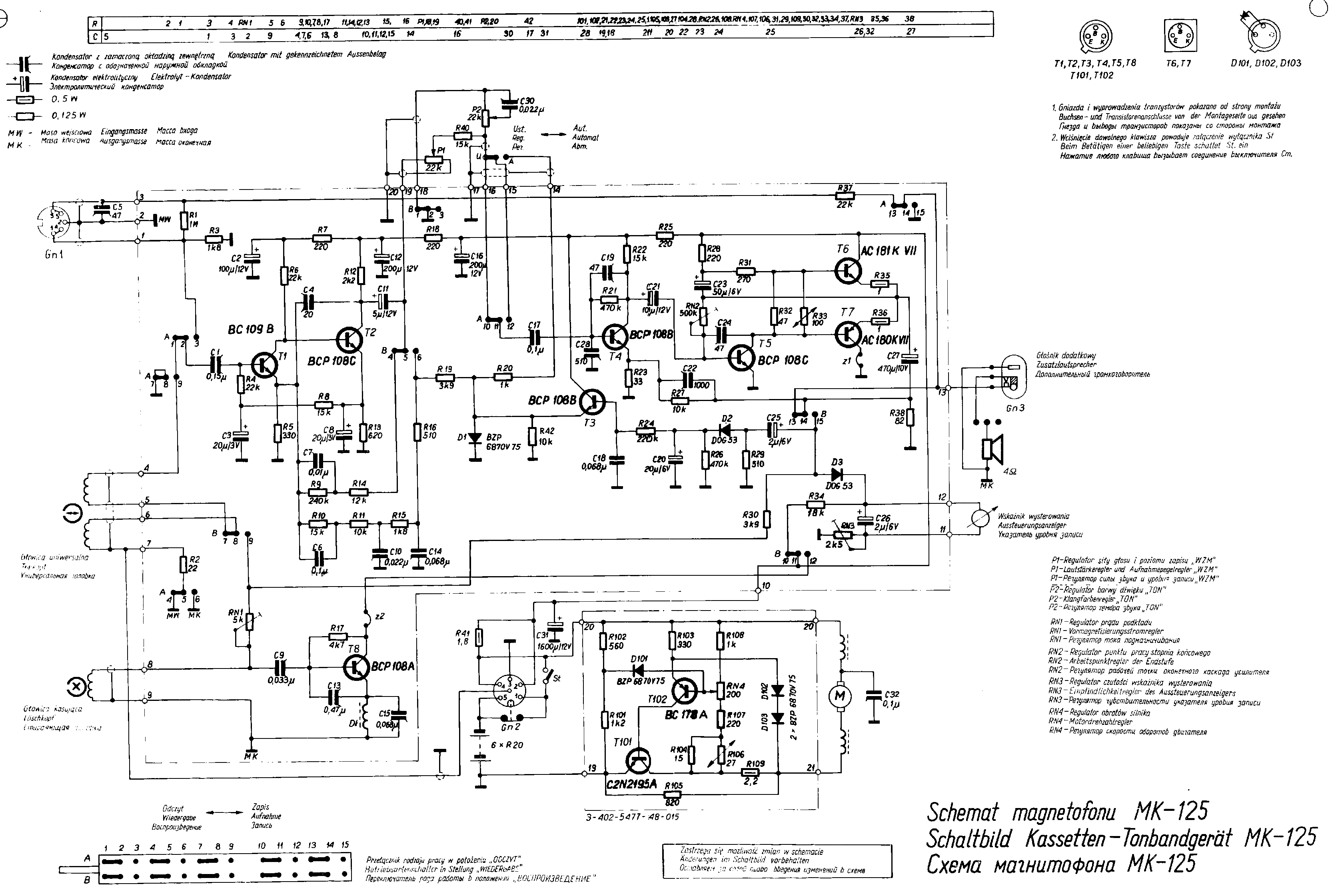
Schemat i opis w RA-1/72/s.17.

Dane techniczno-eksploatacyjne:

Prędkość przesuwu taśmy: 4,75 cm/sek.
Nierównomierność przesuwu taśmy ~ 0,3 %.
Pasmo przenoszenia - 60-10 000 Hz.
Dynamika - 43 dB.
Moc wyjściowa 0,8W
Wejście mikrofon,radio - 0,12mV/1,8 kOhm
Wejście gramofon - 100mV/1 MOhm
Wyjście wzmacniacz - 1V/22 kOhm
Wyjście głośnik zewn, - 4 Ohm
Napięcie zasilania - 9 V ( 6 baterii typu R-20 lub zasilacz sieciowy )
Pobór prądu - ~150 mA
Ciężar - ~ 2,5 kg.

Wyposażenie:

Gniazda wejście-wyjście
Gniazdo sterowania i zasilania zewnętrznego
Gniazdo głośnika zewnętrznego
Magnetoelektryczny wskaźnik wysterowania.
Inne materiały:

(1) Wojciech Pysz, MK 125

(2) Wojciech Pysz, MK 125

(3) Wojciech Pysz, MK 125

(4) jarko-sa, MK 125

(5) jarko-sa, MK 125

(6) jarko-sa, MK 125

(7) 2010-01-28, Unitra 1974 rok, zdjęcie z katalogu wydawanego na eksport

(8) 2016-08-21, Jaarex, MK 125