oldradio.pl katalog starej radiotechniki
 
 
Karta katalogowa nr 302
liczba wyświetleń: 7939
Producent: MZIL
Model: Drużba
Rodzaj sprzętu: Radioodbiornik
Klasyfikacja: stacjonarny
Zakresy: D,S,Kx3,U
Kraj: Białoruś
Rok produkcji: 1957
Zasilanie: sieć, zmienny
Elementy aktywne: lampy
6N3P,6K4P,6I1P,6K4P,6K4P,6X2P, 6N2P,6N2P,2x6P14P
Opis:
Orginalna nazwa: Минский завод имени Ленина "Дружба"

Za opisem rosyjskim:
W 1957 roku Mińska Fabryka Radioodbiorników (Минский радиозавод) przekształcił się w Mińską Fabrykę Radioodbiorników imienia W.I. Lenina (Минский радиозавод имени В.И. Ленина) i rozpoczął seryjną produkcję radioli klasy międzynarodowej "Drużba". W tymże roku na ogólnozwiązkowej wystawie przemysłowej radiola pierwszej klasy "Drużba" dostała wysoką ocenę, a kolektyw pracowników zakładu został nagrodzony dyplomami "za szczególne osiągnięcia we wdrażaniu i opanowaniu nowej techniki". W następnym, 1958 roku na międzynarodowej wystawie radioaparatury w Brukseli radiola "Drużba" została uznana za jeden z najlepszych radioodbiorników roku oraz dostała złoty medal i dyplom pierwszej klasy. Radiola posiada jedenasto lampowy pełnozakresowy radioodbiornik połączony w jednej skrzynce z uniwersalnym elektrycznym adapterem o trzech prędkościach. Swoją konstrukcją, schematem elektrycznym i parametrami technicznymi radiola "Drużba" zbiega się z radiolą "Luks", była całkowicie skopiowana z radioli "Luks" ryżskiej fabryki radioodbiorników VEF, wypuszczonego w 1956 roku. Niewielka różnica była w konstrukcji i schemacie zasilacza, ilości obrotów cewki oraz w wartości detali radia.
Inne materiały:
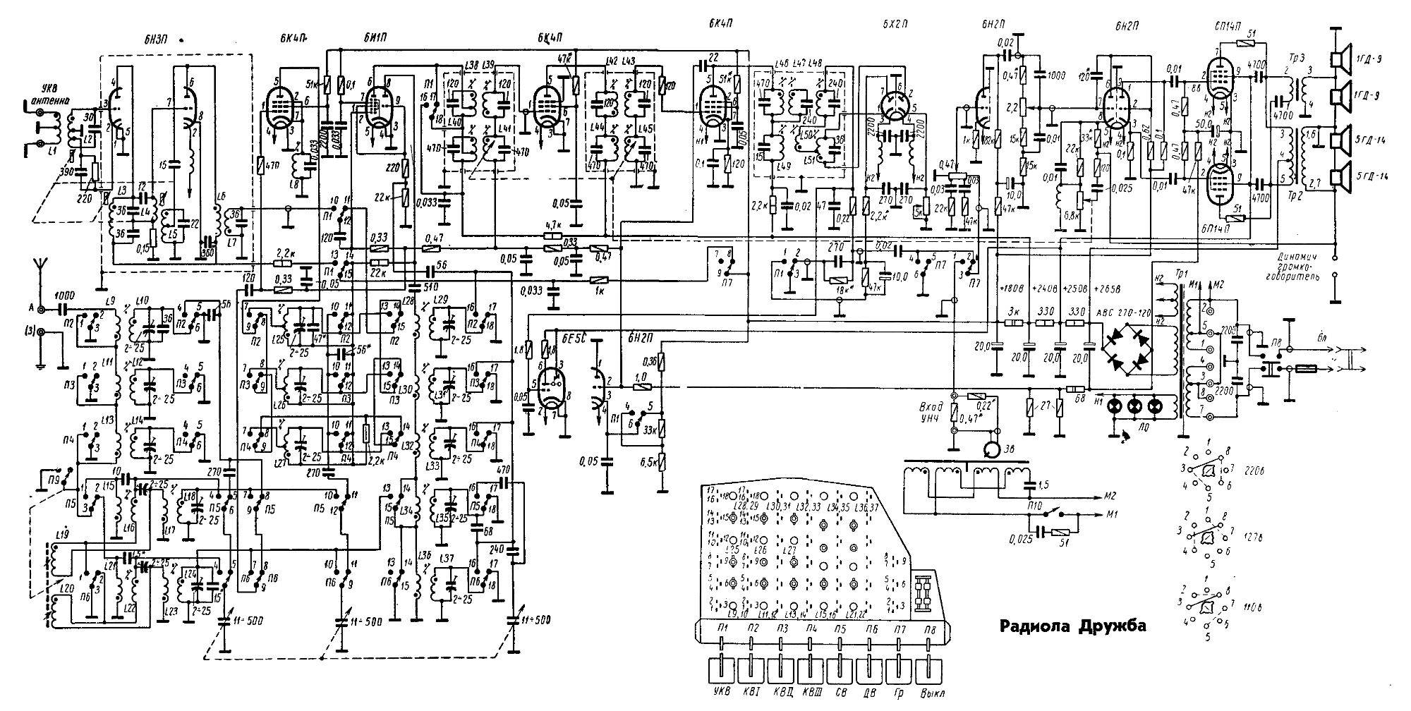
Schemat   

(1) 2000-11-30, Wojciech Pysz, Drużba

(2) Wojciech Pysz, Drużba

(3) Wojciech Pysz, Drużba