oldradio.pl katalog starej radiotechniki
 
 
Karta katalogowa nr 252
liczba wyświetleń: 22934
Producent: ZRK
Model: RB 3200
Rodzaj sprzętu: Radio-magnetofon
Klasyfikacja: przenośny
Zakresy: D,S,K,U
Kraj: Polska
Rok produkcji: 1981
Zasilanie: sieć lub baterie
Wymiary: 345x175x75
Elementy aktywne: tranzystory + ukł. scalone
Opis:
Radiomagnetofon na licencji Grundig. W odróżnieniu od innych radiomagnetofonów ZRK z tego okresu, od początku miał okrągły głośnik, oraz silnik w aluminiowej obudowie. Nietypowe rozwiązanie dla wersji RB jest regulacja obrotów silnika która jest na płycie głównej a nie jak w innych radiomagnetofonach w silniku. Był to jeden z bardziej wytrzymałych sprzętów, a przemyślana konstrukcja ułatwiała serwis i konserwację (doskonały dostęp do wszystkich układów na przestronnej, obrotowej płycie PCB). Natomiast krokiem w tył, jest tu p.cz. AM/FM na tranzystorach dyskretnych, a nie na kości np. UL1211 (lub odpowiedniku).
Odbiornik produkowany był w dwóch wesjach: z logiem Grundiga oraz (najprawdopodobniej po wygaśnięciu licencji) z napisem "Kasprzak" w miejsce napisu "Grundig" i logiem Unitry w miejscu "koniczynki".
Ciekawostka: odbiornik pojawia się w filmie "skazany na bluesa" (na jednym z koncertów ktoś z widowni nagrywa muzykę na RB3200)
Inne materiały:
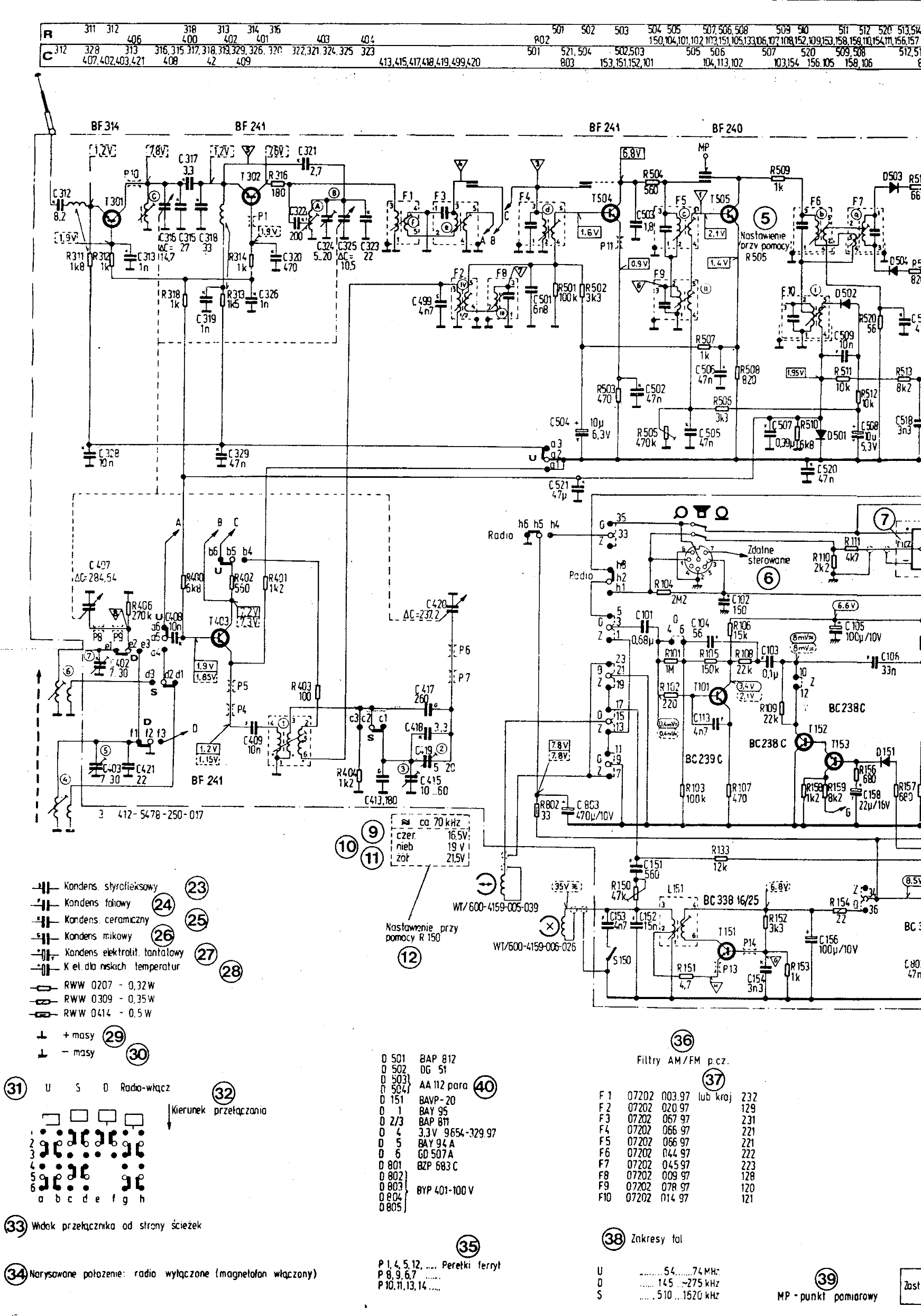
Schemat 1   Schemat 2   Opis.   

(1) Jarosław Stefański www.jaarex.prv.pl, RB 3200

(2) Jarosław Stefański www.jaarex.prv.pl, RB 3200

(3) Jarosław Stefański www.jaarex.prv.pl, RB 3200

(4) Jarosław Stefański www.jaarex.prv.pl, RB 3200

(5) 2008-10-26, Fiatcik, RB 3200

(6) 2008-10-26, Fiatcik, RB 3200

(7) 2008-10-26, Fiatcik, RB 3200

(8) 2008-10-26, Fiatcik, RB 3200