oldradio.pl katalog starej radiotechniki
 
 
Karta katalogowa nr 225
liczba wyświetleń: 6695
Producent: Stern-Radio Berlin
Model: Berolina 8E171
Rodzaj sprzętu: Radioodbiornik
Klasyfikacja: stacjonarny
Zakresy: D,S,K,U
Kraj: Niemcy
Rok produkcji: 1956-1957
Zasilanie: sieć, zmienny
Wymiary: 670x430x260, ok. 16 kG
Elementy aktywne: lampy
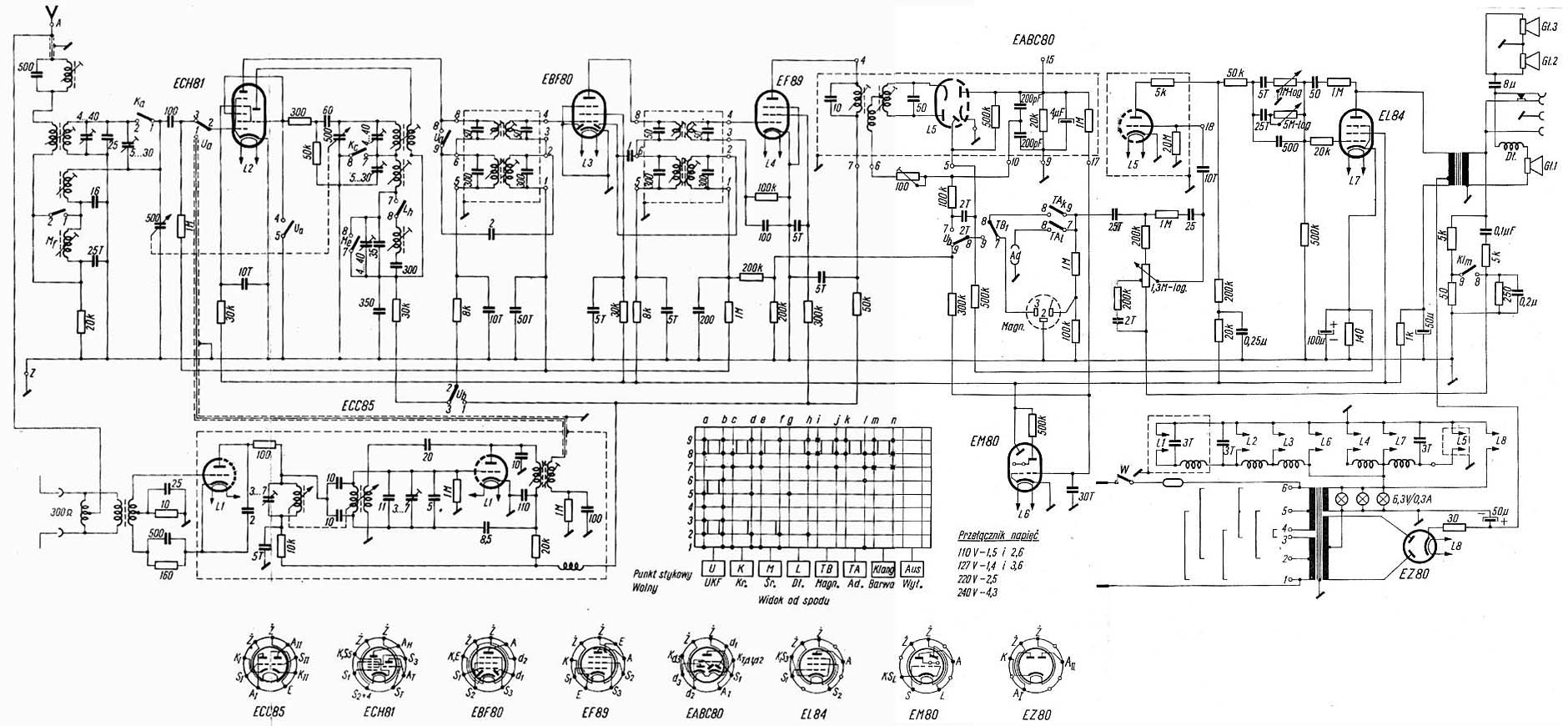
ECC85,ECH81,EBF80,EF89,EABC80, EL84,EZ80,EM80
Opis:
Klawiszowy przełącznik zakresów, regulacja barwy dźwięku dla tonów wysokich i niskich. Głośnik niskotonowy szerokopasmowy i dwa wysokotonowe.

W latach 50-tych odbiornik importowany do Polski. Była też inna wersja skrzynki o wymiarach 715x435x275 mm.
Inne materiały:
Schemat   Instrukcja