oldradio.pl katalog starej radiotechniki
 
 
Karta katalogowa nr 218
liczba wyświetleń: 7685
Producent: Diora
Model: Camping PMP-102
Rodzaj sprzętu: Radioodbiornik
Klasyfikacja: przenośny mono
Zakresy: D,S,K,U
Kraj: Polska
Rok produkcji: 1977
Zasilanie: sieć lub baterie
Wymiary: 270x150x70, ok. 2 kG
Elementy aktywne: tranzystory + ukł. scalone
UL1498R,UL1211N,tranzystory
Opis:

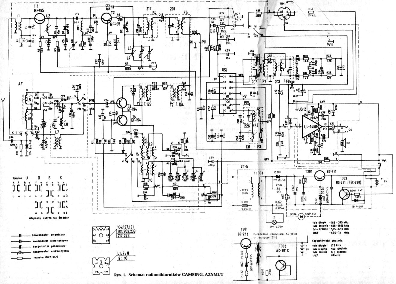
Opis i schemat RE 6/1979.

Inne materiały:
Schemat   

(1) Fiatcik, Camping PMP-102

(2) Fiatcik, Camping PMP-102

(3) Fiatcik, Camping PMP-102

(4) Fiatcik, Camping PMP-102