oldradio.pl katalog starej radiotechniki
 
 
Karta katalogowa nr 196
liczba wyświetleń: 13543
Producent: PWŁ
Model: Detefon
Rodzaj sprzętu: Radioodbiornik
Klasyfikacja: detektorowy
Zakresy: D,S
Kraj: Polska
Rok produkcji: 1929-30
Zasilanie: nie wymaga zasilania
Wymiary: 150x110x60 bez kryszt. i gałki
Elementy aktywne: bez elementów aktywnych
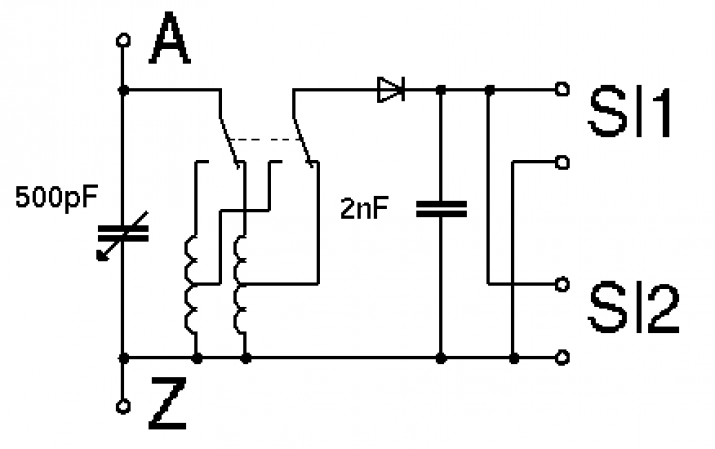
Detektor Kryształkowy WABO
Opis:
Odbiornik detektorowy, umożliwiał odbiór na słuchawki bez potrzeby stosowania zewnętrznych źródeł zasilania ("radjo bez prądu"). Produkcję, opartą na projekcie inż. W.Rotkiewicza rozpoczęła w 1930 r. Państwowa Wytwórnia Łączności w Warszawie. Pierwsza seria pojawiła się w sprzedaży w połowie grudnia 1929 r. Cena odbiornika z kompletem wyposażenia (słuchawki, antena, przełącznik antenowy z odgromnikiem, izolatory do zawieszenia anteny itp.) wynosiła 39 zł.
Odbiornik lampowy kosztował w tym czasie kilkaset zł. Detefony można było kupić nie tylko w sklepach radiotechnicznych ale także we wszystkich agendach Polskiego Radia oraz urzędach pocztowych.
Ten model był produkowany w latach 1929-1930. Z jego cech odróżniających go zdecydowanie od późniejszych możemy wymienić kryształek WABO, obudowę koloru wiśniowego, cewki w ciemnej, porcelanowej izolacji i tylna ścianka zrobiona z deseczki do której przyklejona była kartka z białym tłem. W tym modelu nie podano typu.
Inne materiały:
Schemat   Reklama