oldradio.pl
katalog starej radiotechniki
szukaj
Karta katalogowa nr 1946
liczba wyświetleń: 321
Producent:
Telos
Model:
WA-75/67
Rodzaj sprzętu:
Wzmacniacz
Klasyfikacja:
monofoniczny
Kraj:
Polska
Rok produkcji:
Zasilanie:
sieć, zmienny
Elementy aktywne:
lampy
Opis:
Inne materiały:
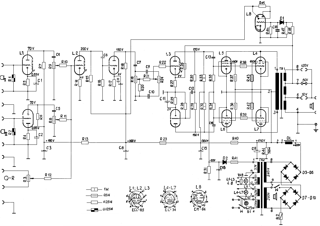
Schemat