oldradio.pl katalog starej radiotechniki
 
 
Karta katalogowa nr 1883
liczba wyświetleń: 1867
Producent: VEF
Model: VEF-201
Rodzaj sprzętu: Radioodbiornik
Klasyfikacja: przenośny mono
Zakresy: D,S,K5
Kraj: Łotwa
Rok produkcji: 1971
Zasilanie: bateryjne
Elementy aktywne: tranzystory
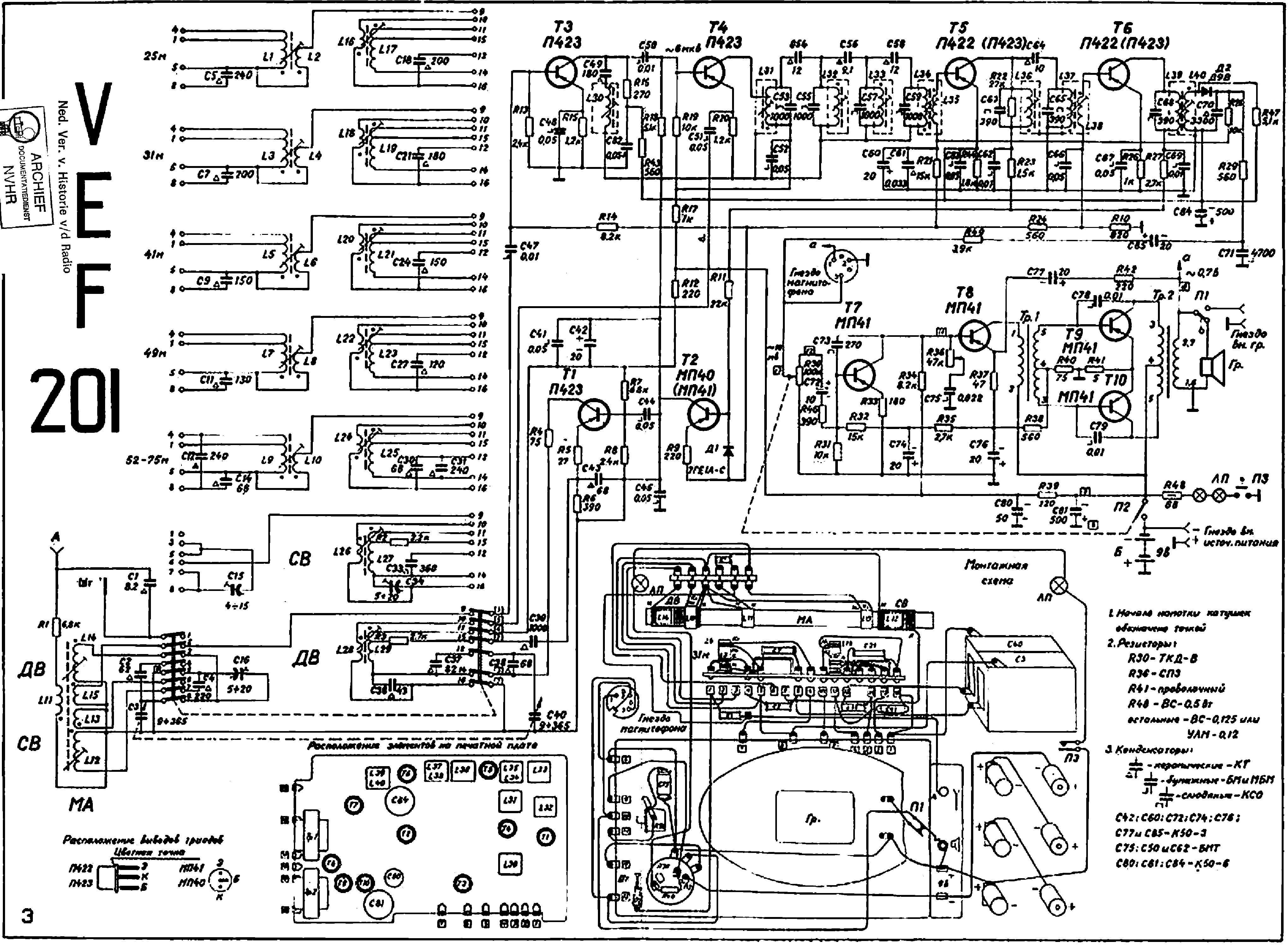
10 tranzystorów 2 diody
Opis:
Radio VEF-201 jest przeznaczone do odbioru sygnałów ze stacji nadawczych w pasmach długich, średnich i krótkich.
Podstawowe dane techniczne
Zakres odbieranych fal (częstotliwości):
długie fale 2000–335.3 m (150–408 kHz)
średnie fale 571,4–186,9 m (525–1 605 kHz)
krótkie fale: 75–52 m ( 3,95-5,7 MHz), 49 m (5,85-6,3 MHz), 41 m (7-7,4 MHz), 31 m (9,5-9,775 MHz), 25 m (11, 7–12.1 MHz)
Zasilanie radioodbiornika 6 baterii R20, lub zewnętrzny zasilacz wyposażony we wtyczkę symetryczną do podłączenia odbiornika.
Moc wyjściowa wzmacniacza 2W

Korpus radia wykonany jest z odpornego na uderzenia kolorowego tworzywa sztucznego. Radio ozdobione zostało chromowanymi elementami z blachy nierdzewnej. Na przednim panelu odbiornika znajduje się w górnej lewej części skali przycisk zasilania podświetlenia. Selektor pasma, regulacja tonem oraz regulacja głośności znajduje się po prawej stronie obudowy. Na odwrocie obudowy znajduje się komora zasilania bateryjnego i gniazda do podłączenia zewnętrznego źródła zasilania, anteny zewnętrznej, magnetofonu, gramofonu. Antena teleskopowa i uchwyt do przenoszenia znajdują się na górnej ścianie obudowy.

W 1971 roku radio kosztowało 670zł
Inne materiały:
VEF-201   

(1) 2019-06-30, Jaarex, VEF-201

(2) 2019-06-30, Jaarex, VEF-201

(3) 2019-07-05, Jaarex, VEF-201

(4) 2019-07-05, Jaarex, VEF-201

(5) 2019-07-05, Jaarex, VEF-201