oldradio.pl katalog starej radiotechniki
 
 
Karta katalogowa nr 1484
liczba wyświetleń: 3935
Producent: Siemens
Model: 52 WLK
Rodzaj sprzętu: Radioodbiornik
Klasyfikacja: bezp. wzmocnienie
Zakresy: D,S,K
Kraj: Niemcy
Rok produkcji: 1935/36
Zasilanie: sieć, zmienny
Wymiary: 358 x 380 x 200 mm
Elementy aktywne: lampy
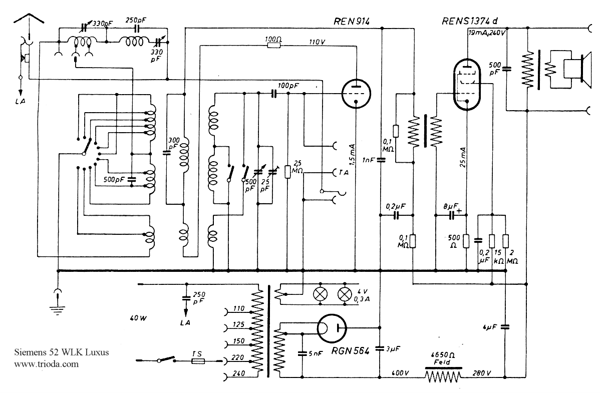
REN914, RENS1374d, RGN564
Opis:
Inne materiały:
Schemat   

(1) 2010-11-21, Piotr Ziegler, 52 WLK

(2) 2010-11-21, Piotr Ziegler, 52 WLK

(3) 2010-11-21, Piotr Ziegler, 52 WLK

(4) 2010-11-21, Piotr Ziegler, 52 WLK

(5) 2010-11-21, Piotr Ziegler, 52 WLK

(6) 2010-11-21, Piotr Ziegler, 52 WLK

(7) 2010-11-21, Piotr Ziegler, 52 WLK