 
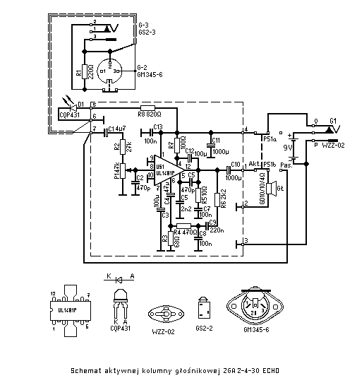
    Mała kolumienka głośnikowa ze wzmacniaczem zbudowanym na układzie scalonym UL1481P  (TBA810S). Wzmacniacz objęty jest ujemnym sprzężeniem zwrotnym ( R4, R6, C8, C9 ) kształtującym charakterystykę przenoszenia. Wyprodukowana w niewielkiej ilości w zakładzie Unitra-Rzeszów.
Dwie takie kolumienki umożliwiały stereofoniczny odsłuch głośnikowy miniodbiornika RS-101 lub RS-130.
Posiada przełącznik umożliwiający pracę lako kolumna aktywna (ze wzmacniaczem) lub pasywna (sam głośnik).
Możliwość zasilania z baterii lub zasilacza zewnętrznego.
Zasilacz ZS-2 przeznaczony do urządzenia był także produkowany w rzeszowskim zakładzie.