oldradio.pl katalog starej radiotechniki
 
 
Karta katalogowa nr 1446
liczba wyświetleń: 16768
Producent: Diora
Model: Meluzyna WST-101
Rodzaj sprzętu: Wzmacniacz
Klasyfikacja: stereofoniczny
Kraj: Polska
Rok produkcji: 1972
Zasilanie: sieć, zmienny
Wymiary: 430 x 270 x 120, 7kg
Elementy aktywne: tranzystory
2N3055, tranzystory 28
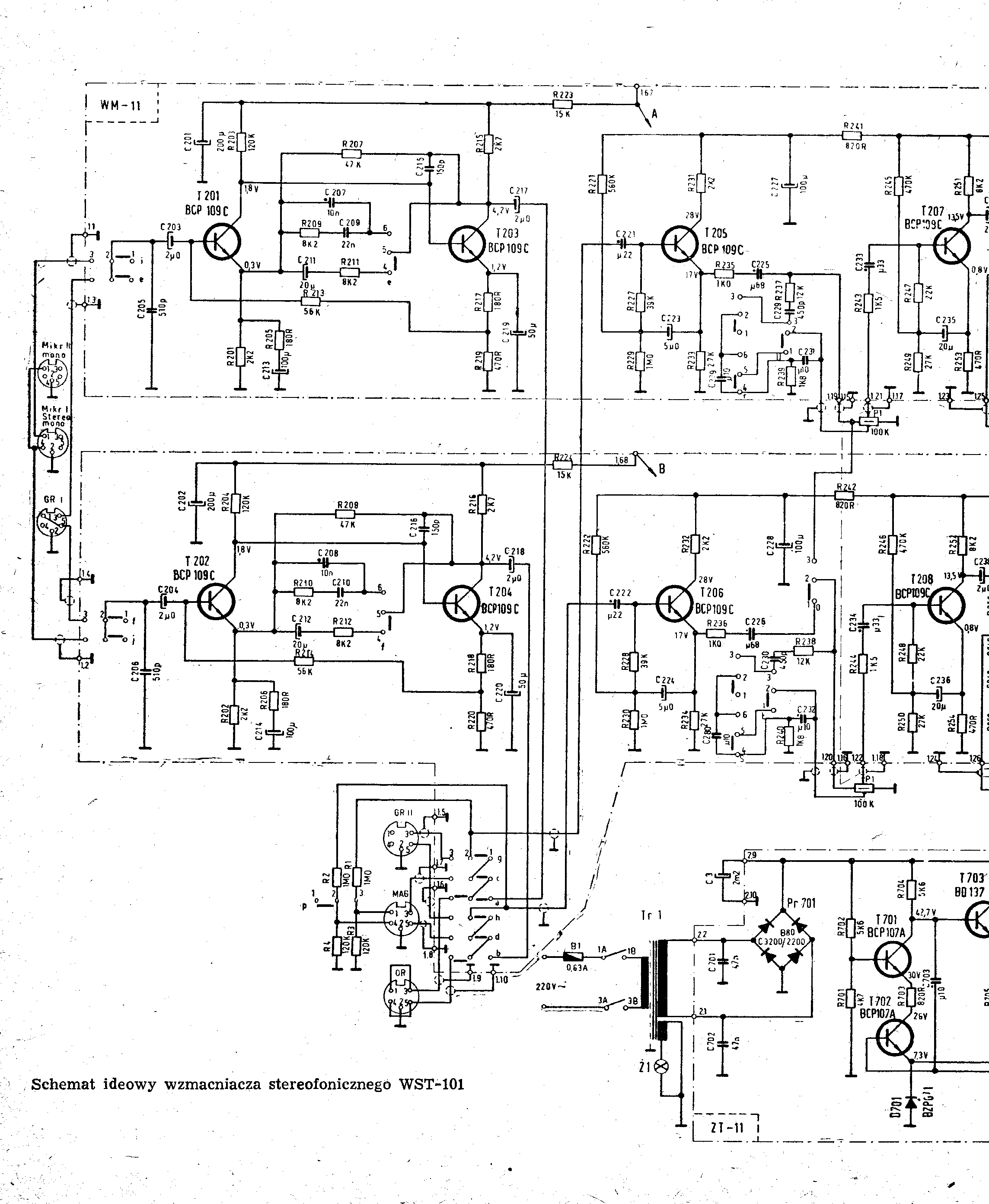
Opis:
Zestaw muzyczny "Meluzyna" był pierwszym polskim tranzystorowym zestawem stereofonicznym hi-fi. Składa się z tunera TST-101 i opisywanego tutaj wzmacniacza WST-101.
Dzięki zastosowaniu stabilizowanego zasilacza, wzmacniacz prawidłowo pracuje nawet przy dużych wahaniach napięcia sieci.
Wzmacniacz wyposażony jest w filtr częstotliwości niskich, zmniejszający zakłócenia określane jako "Rumpel", oraz w filtr częstotliwości wysokich, służący do stromego obcinania zakresu częstotliwości powyżej 6000 Hz. Oba filtry mają pomagać zwłaszcza przy odtwarzaniu starych płyt gramofonowych i taśm magnetofonowych. Ponadto, wzmacniacz posiada również filtry "CONTUR I" i "CONTUR II", dopasowujące barwę dźwięku do poziomu głośności.
Pewną niedogodnością użytkową może być zlokalizowanie gniazd mikrofonowych na tylnej ściance, razem z innymi wejściami. Problem ten rozwiązano kilka lat później, wprowadzając do produkcji wzmacniacz WST-102, jako element zestawu "Kleopatra".

Dane techniczne:

Czułość / rezystancja wejść:

-gramofon z wkładką magnetyczną: ≤5mV / 47kΩ
-gramofon z wkładką krystaliczną: ≤170mV / 470kΩ
-radio: ≤170mV / 470kΩ
-mikrofon dynamiczny: ≤5mV / 22kΩ
-magnetofon: ≤150mV / 470kΩ
Pasmo przenoszenia: 40÷20.000Hz
Moc znamionowa: 2×20W dla Robc=2×4Ω
Zniekształcenia przy mocy znamionowej dla f=1kHz: 0,5%
Pobór Mocy: 110VA
Inne materiały:

(1) 2012-07-28, jarko-sa, Meluzyna WST-101

(2) 2012-07-28, jarko-sa, Meluzyna WST-101

(3) 2012-07-28, jarko-sa, Meluzyna WST-101

(4) 2012-07-28, jarko-sa, Meluzyna WST-101

(5) 2012-07-28, jarko-sa, Meluzyna WST-101

(6) 2012-07-28, jarko-sa, Meluzyna WST-101