oldradio.pl katalog starej radiotechniki
 
 
Karta katalogowa nr 1424
liczba wyświetleń: 5696
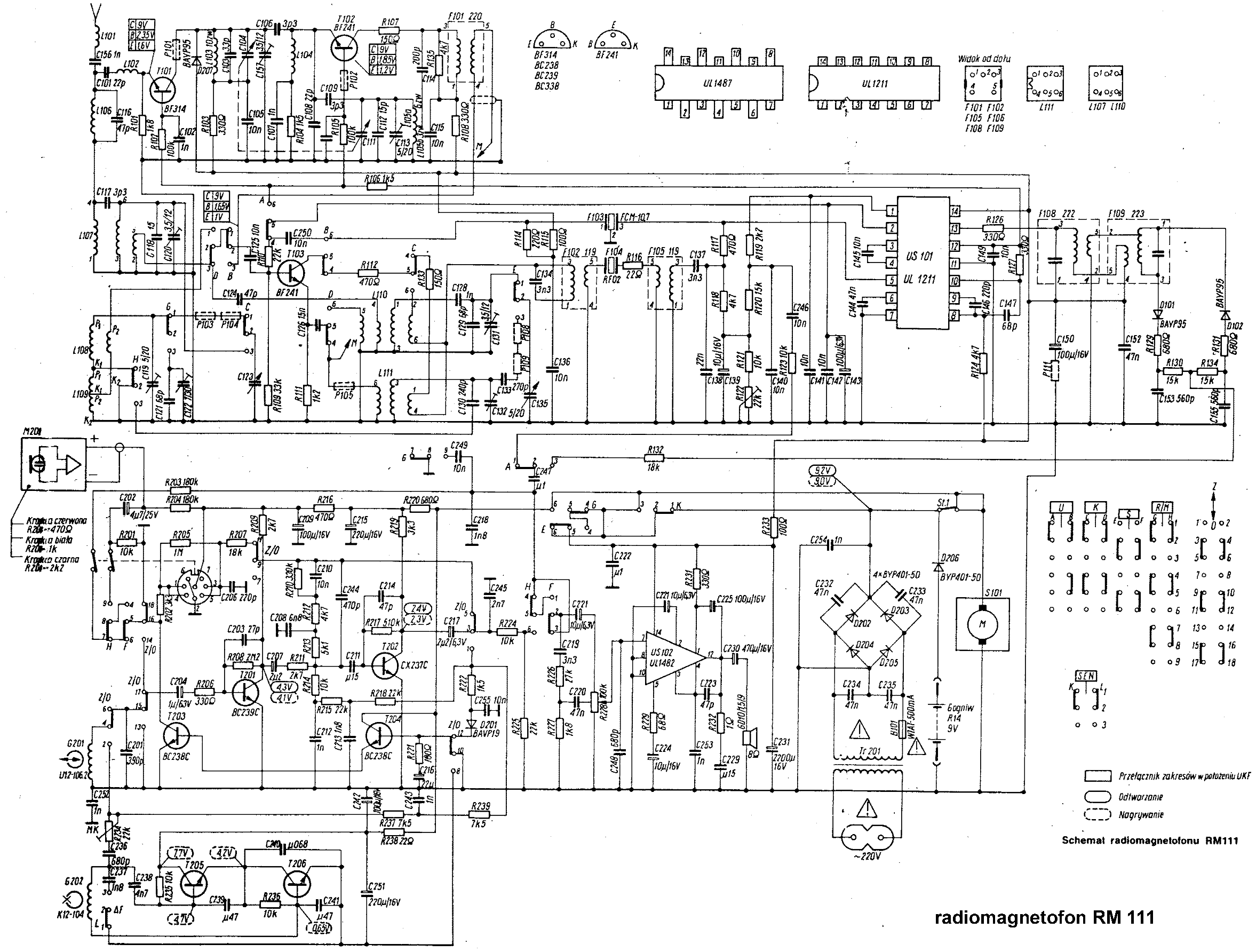
Producent: ZRK
Model: RM 111
Rodzaj sprzętu: Radio-magnetofon
Klasyfikacja: przenośny
Zakresy: D,S,K,U
Kraj: Polska
Rok produkcji: 199x
Zasilanie: sieć lub baterie
Elementy aktywne: tranzystory + ukł. scalone
9 tranzystorów, UL1211, UL1482
Opis:
Inne materiały:

(1) 06.2010, T.Rutkowski, RM 111

(2) 06.2010, T.Rutkowski, RM 111

(3) 2014-11-30, jarko-sa, RM 111

(4) 2014-11-30, jarko-sa, RM 111