oldradio.pl katalog starej radiotechniki
 
 
Karta katalogowa nr 1234
liczba wyświetleń: 5193
Producent: Telefunken
Model: 166WK
Rodzaj sprzętu: Radioodbiornik
Klasyfikacja: stacjonarny
Zakresy: D,S,K1-K7
Kraj: Niemcy
Rok produkcji: 1941-1946
Zasilanie: sieć, zmienny
Elementy aktywne: lampy
ECH11,EBF11,EF11,EL1,EM11,AZ11
Opis:
Superheterodyna. Lampy z serii "11".
Inne materiały:
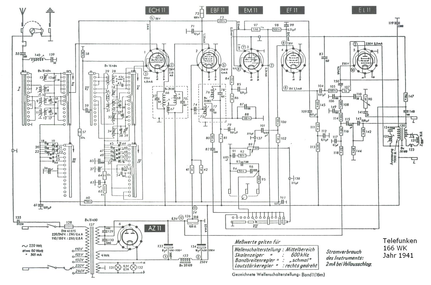
Schemat   

(1) Marcin Kołodziejczyk, 166WK

(2) Marcin Kołodziejczyk, 166WK

(3) Marcin Kołodziejczyk, 166WK

(4) Marcin Kołodziejczyk, 166WK

(5) Marcin Kołodziejczyk, 166WK