oldradio.pl katalog starej radiotechniki
 
 
Karta katalogowa nr 1231
liczba wyświetleń: 8462
Producent: ZRK
Model: Stolica
Rodzaj sprzętu: Radioodbiornik
Klasyfikacja: stacjonarny
Zakresy: D,S,K
Kraj: Polska
Rok produkcji: 1955-59
Zasilanie: sieć, zmienny
Wymiary: 580x370x250, ok. 12 kG
Elementy aktywne: lampy
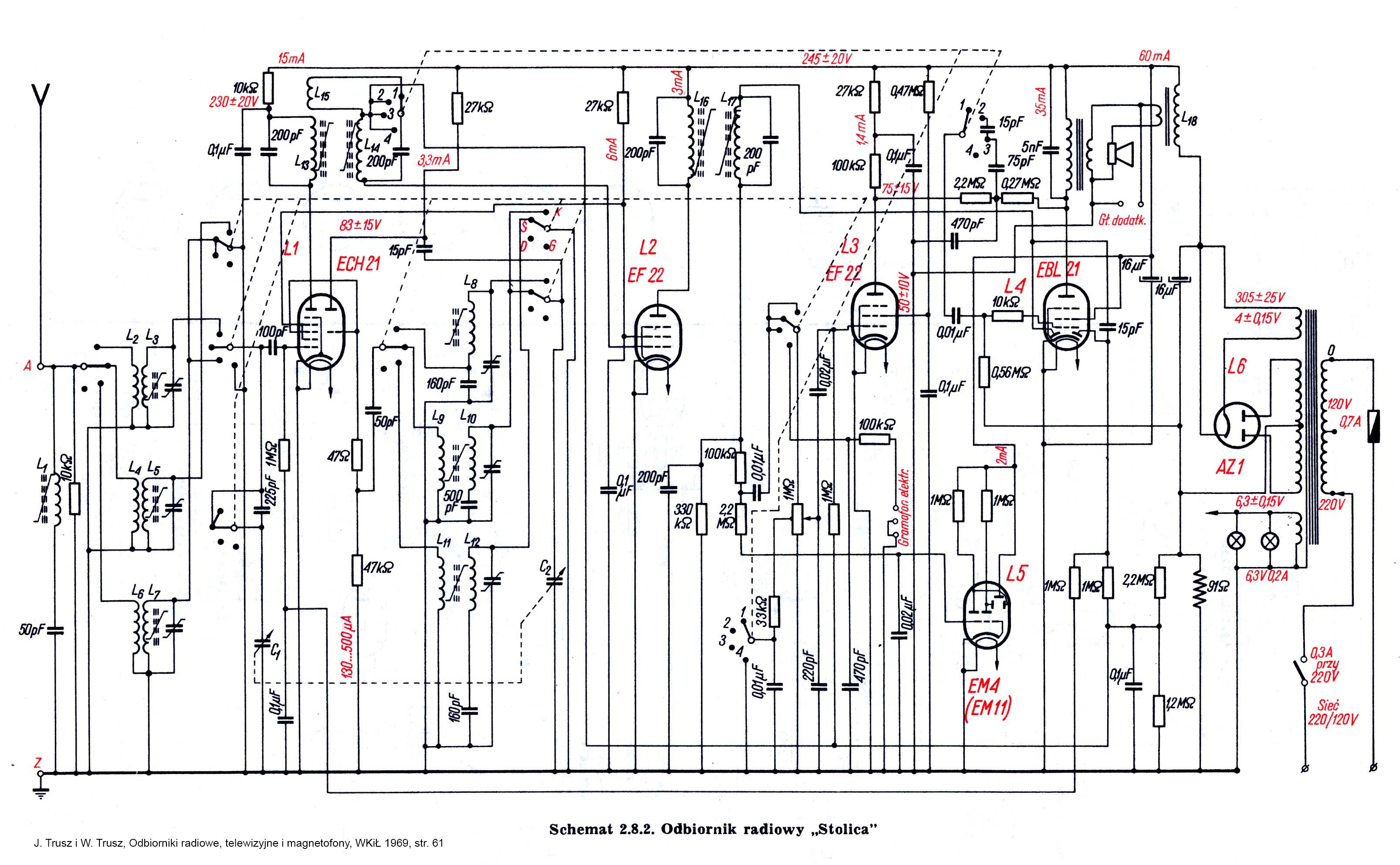
ECH21,2xEF22,EBL21,AZ1,EM4
Opis:

Większość odmian Stolicy miała oznaczenia typu 326x lub 327x. Dodatkowo - w materiałach informacyjnych z czasu produkcji występowała obok numeru liczba rzymska od II do V. Ten egzemplarz to najprawdopodobniej pierwsza odmiana tego radioodbiornika (na tylnej ściance nie ma żadnego numeru).

Stolica to solidny odbiornik domowy w drewnianej obudowie, zmodernizowana wersja pierwszego produktu ZRK - odbiornika Syrena. Układ elektryczny zmieniony w stosunku do Syreny nieznacznie. W odróżnieniu od Syreny, w Stolicy regulacja siły głosu oraz barwy tonu znalazły się w jednej osi. Barwa tonu pozostała nadal skokowa, czteropozycyjna. Podobnie na wspólnej osi umieszczono strojenie i przełącznik zakresów. W danych katalogowych z okresu produkcji (np. RA-4/58,s.2) występuje w czterech wersjach, oznaczonych Stolica II 3262, Stolica III 3263, Stolica IV 3264 i Stolica V 3272.

Każda z wersji produkowana była w trzech odmianach (E-1, E-2, E-3) różniących się zakresami częstotliwości. Było to spowodowane wymogami krajów, do których odbiornik był eksportowany. Według ulotek informacyjnych każdy z modeli był montowany w nieco innej obudowie. Spotykane w naturze egzemplarze mają jednak obudowy niezgodne z tymi ulotkami.

Inne materiały:
Schemat   Instrukcja   

(1) 2009, autor nieznany, Stolica

(2) 2009, autor nieznany, Stolica

(3) 2009, autor nieznany, Stolica