oldradio.pl katalog starej radiotechniki
 
 
Karta katalogowa nr 1226
liczba wyświetleń: 6676
Producent: Magmor
Model: M-101
Rodzaj sprzętu: Magnetofon
Klasyfikacja: kasetowy przenośny
Kraj: Polska
Rok produkcji: 1983
Zasilanie: sieć lub baterie
Wymiary: 154 x 105 x 45
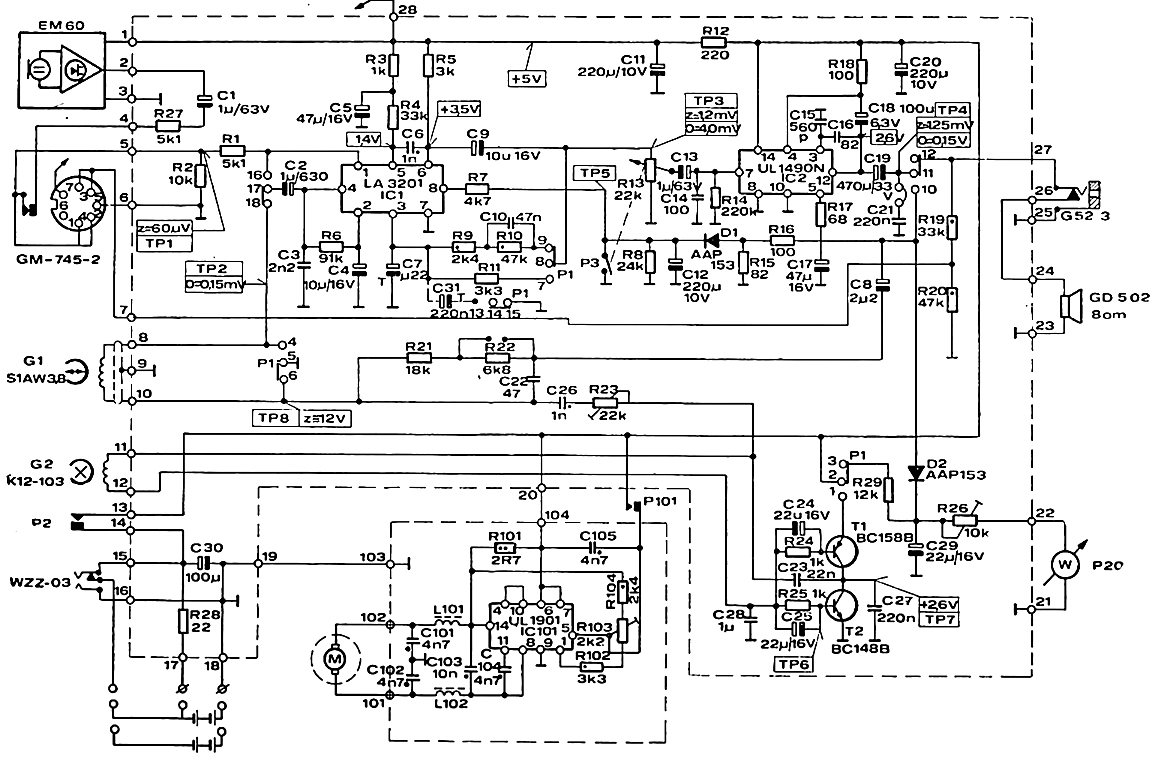
Elementy aktywne: tranzystory + ukł. scalone
UL1490,UL1901,LA3201, tranzystory BC158,BC1478
Opis:

Dyktafon produkowany w zakładach MAGMOR.

Dane techniczno-eksploatacyjne (wyciąg z instrukcji):

Zapis dwuścieżkowy, monofoniczny
Prędkość przesuwu taśmy - 4,76 cm/s ~2%
Nierównomierność przesuwu taśmy ~0,5%
Zakres przenoszonych częstotliwości 80-8000 Hz
Moc wyjściowa 0,2 W
Nieważony odstęp od zakłóceń 40 dB
Ważony odstęp od zakłóceń (dynamika) 50 dB
Skuteczność kasowania 60 dB
Tłumienność przeniku między ścieżkami 40 dB
Regulacja poziomu zapisu automatyczna lub ręczna
Wskaźnik - wysterowania przy nagrywaniu/stan baterii przy odtwarzaniu (w późniejszych modelach wskaźnik zastąpiono diodą LED)

Wejście:
sygnał minimalny 0,1 mV/kOm
sygnał maksymalny 2 mV/kOm
oporność wejściowa ok. 10 kOm

Wyjście:
-gniazdo radio-magnetofon 0,7 V Rwew. 47 kOm
-gniazdo słuchawkowe 1,3 V Robc. 8 Om
Nachylenie charakterystyki automatycznej regulacji poziomu zapisu 5dB/20dB
Czas zwalniania automatycznej regulacji poziomu zapisu 0,5-1 sek
Głośnik GD5/0,2/8
Czas przewijania taśmy w kasecie C-60 100 sek
Zasilanie 6V, ok. 150 mA
-4 ogniwa MR 6 lub LR 6
-4 akumulatory KR-15/51
-4 ogniwa R6
-Zewnętrzny zasilacz sieciowy typ ZS 0,2/6/1 lub ZT-3
Pozycja pracy dowolna
masa (bez baterii) ok. 0,55 kg

Inne materiały:

(1) autor nieznany, M-101

(2) autor nieznany, M-101

(3) autor nieznany, M-101

(4) autor nieznany, M-101

(5) autor nieznany, M-101

(6) 2010-04-25, jarko-sa, M-101

(7) 2010-04-25, jarko-sa, dioda LED zamiast wskaźnika